EasyManua.ls Logo

Panasonic CU-SA12CKP5 - Pumping down

Panasonic CU-SA12CKP5
62 pages
Print Icon
To Next Page IconTo Next Page
To Next Page IconTo Next Page
To Previous Page IconTo Previous Page
To Previous Page IconTo Previous Page
Loading...
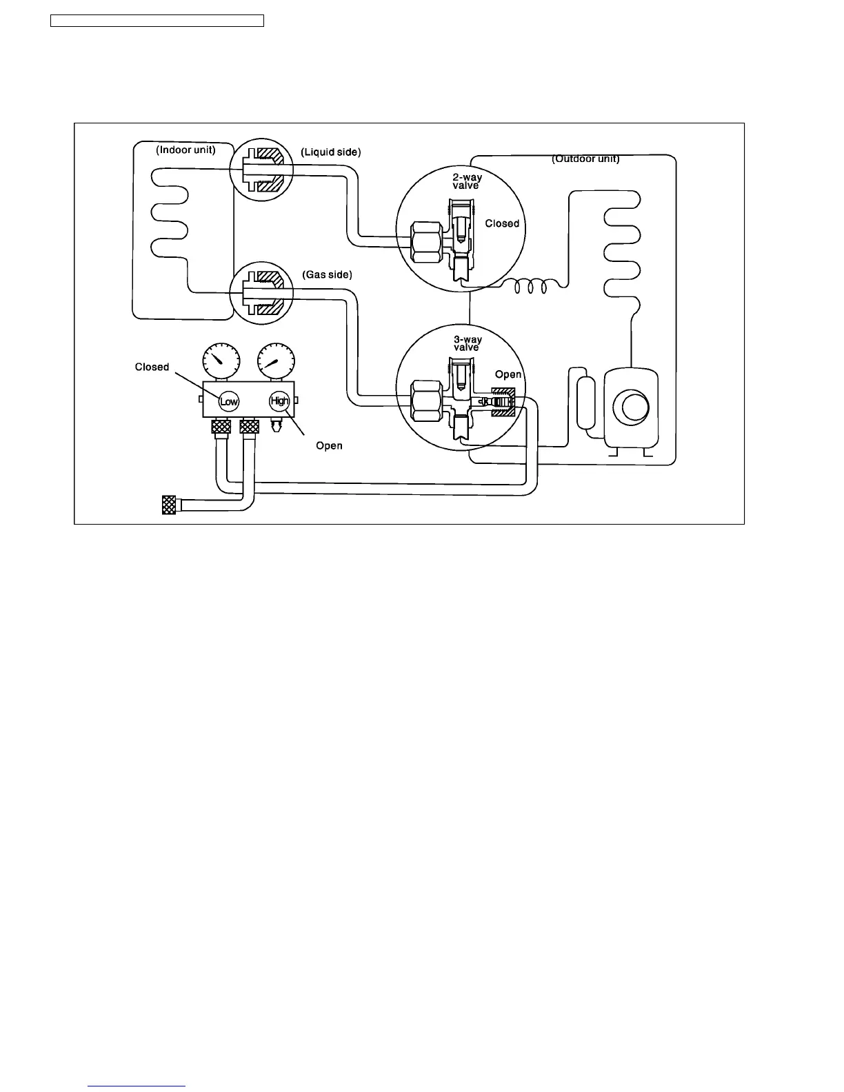
9.2. 2 Pumping down
1. Confirm that both 2-way and 3-way valves are set to open
positions.
Remove the valve stem caps and confirm that the valve
stems are in the open position.
Be sure using a hexagonal wrench to operate the valve
stems.
2. Operate the unit for 10-15 minutes.
3. Stop operation and wait for 3 minutes, then connect the
charge set to the service port of the 3-way valves.
Connect the charge hose with the push pin to the
service port.
4. Air purging of the charge hose
Open the low-pressure valve or the charge set slightly to
air purge from the charge hose.
5. Set the 2-way valve to the close position.
6. Operate the air conditioner at the cooling cycle and stop it
when the gauge indicates 2 kg/cm
2
G (0.1Mpa).
If the unit cannot be operate at the cooling mode
operation (weather is rather cool), press the pump
down, switch on the indoor unit, so that the unit can be
operated.
7. Immediately set 3-way valve to the closed position.
Do this quick so that the gauge ends up indicating 3 to
5 kg/cm
2
G. (0.3 to 0.5 Mpa).
8. Disconnect the charge set, and mount the 2-way and 3-way
valve stem´s nuts and service port cap.
Use torque wrench to tighten the service port cap to a
torque 1.8kg.m (18N.m).
Be sure to check for gas leakage.
(For Re-installation)
Procedure
42
CS-SA9CKP CU-SA9CKP5 / CS-SA12CKP CU-SA12CKP5

Related product manuals