EasyManua.ls Logo

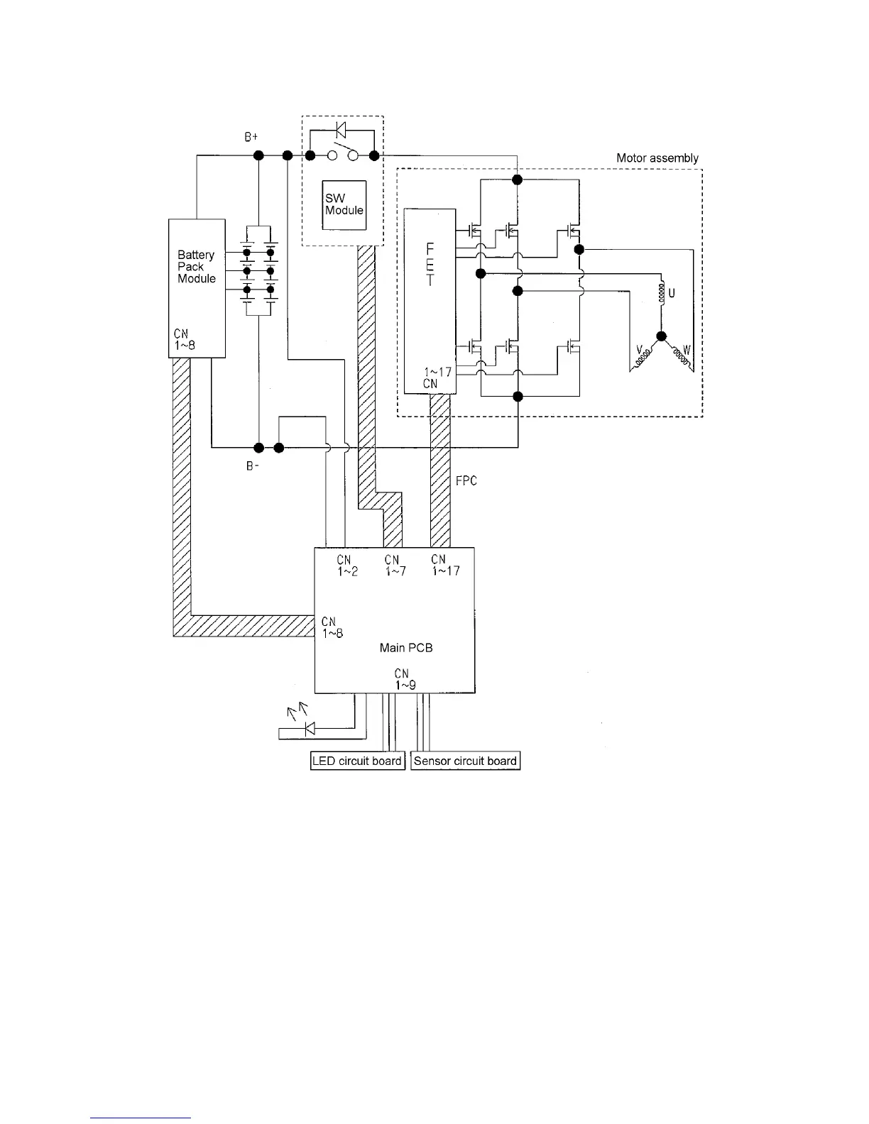
Panasonic EYFMA1B - 7 Schematic Diagram

Panasonic EYFMA1B
23 pages
Print Icon
To Next Page IconTo Next Page
To Next Page IconTo Next Page
To Previous Page IconTo Previous Page
To Previous Page IconTo Previous Page
Loading...
16
7 Schematic Diagram

Related product manuals