EasyManua.ls Logo

Panasonic KX-B620 - Page 48

Panasonic KX-B620
75 pages
Print Icon
To Next Page IconTo Next Page
To Next Page IconTo Next Page
To Previous Page IconTo Previous Page
To Previous Page IconTo Previous Page
Loading...
KX-B620.
Series
KX-B520.
Series
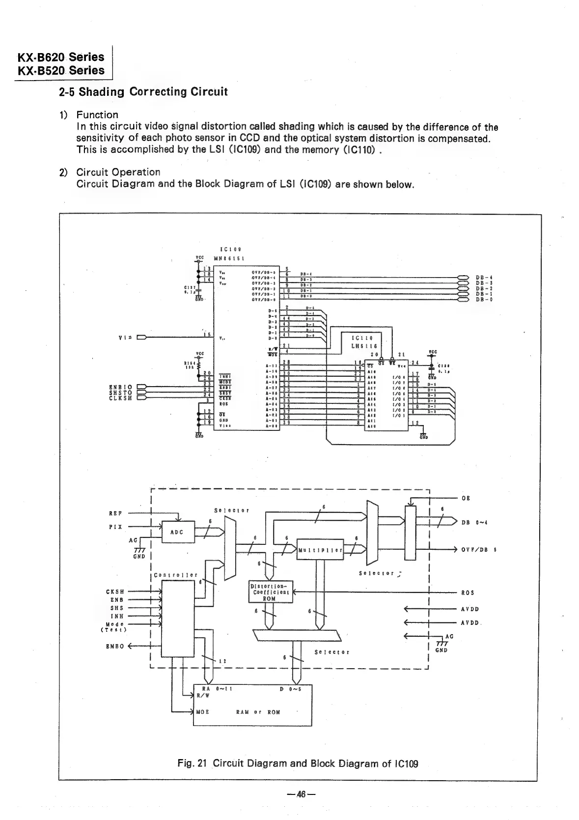
2-5
Shading
Correcting
Circuit
1)
Function
In
this
circuit
video
signal
distortion
called
shading
which
is
caused
by
the
difference
of
the
sensitivity
of
each
photo
sensor
in
CCD
and
the
optical
system
distortion
is
compensated.
This
is
accomplished
by
the
LSI
(1C109)
and
the
memory
(1C110)
.
2)
Circuit
Operation
Circuit
Diagram
and
the
Block
Diagram
of
LSI
(iC109)
are
shown
below.
1c109
vec
MNGGIS1
OVF/DS-5
OVF/DB=¢
OVF/DB-3
OVF/DB-2
OVF/DB-1
OvF/DB-0
Selector
ss
ow,
6
7
Piero
p>
|
eR
:
Selector
RA
O~11
R/W
MOE
RAM
ofr
ROM
Fig.
21
Circuit
Diagram
and
Block
Diagram
of
1C109

Related product manuals