EasyManua.ls Logo

Panasonic KX-TG2521 - Page 11

Panasonic KX-TG2521
77 pages
Print Icon
To Next Page IconTo Next Page
To Next Page IconTo Next Page
To Previous Page IconTo Previous Page
To Previous Page IconTo Previous Page
Loading...
11
KX-TG2521BXT/KX-TGA251BXT
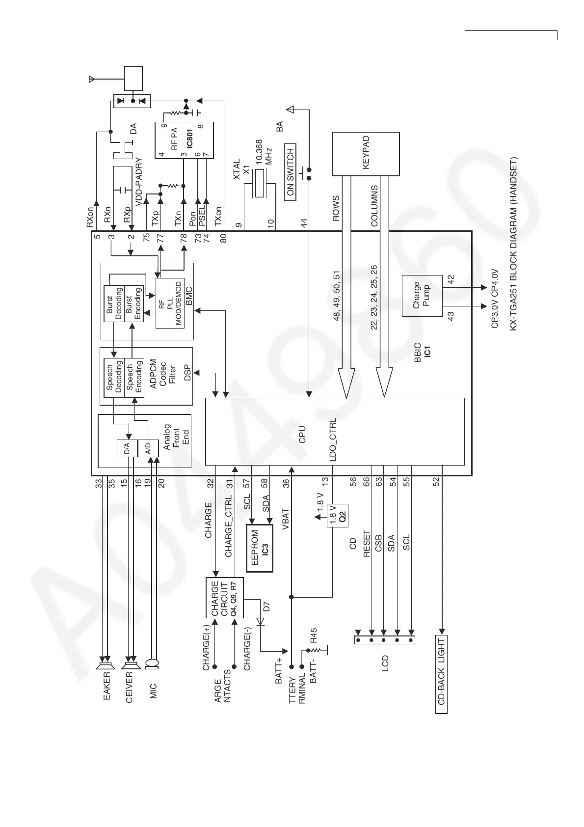
4.3. Block Diagram (Handset)
SPEAKER
RECEIVER
MIC
CHARGE
CIRCUIT
Q4, Q9, R7
Q4, Q9, R7
CHARGE
CONTACTS
CHARGE(+)
CHARGE(-)
CHARGE_CTRL
CHARGE
EEPROM
SCL
SDA
BATTERY
TERMINAL
D7
R45
VBAT
BATT+
BATT-
1.8 V
Q2
1.8 V
LCD
CD
RESET
CSB
SDA
SCL
CPU
Analog
Front
End
D/A
A/D
33
35
15
16
19
20
32
31
57
58
36
13
43 42
63
54
55
66
ADPCM
Codec
Filter
DSP
Speech
Decoding
Speech
Encoding
BMC
Burst
Decoding
RF PA
ANT1
IC801
Burst
Encoding
RF
PLL
MOD/DEMOD
5
3
4
3
6
7
8
9
2
77
78
75
RXn
RXon
ANT1
DA801
RXp
TXp
TXn
Pon
PSEL
TXon
VDD-PADRY
9
10
XTAL
X1
10.368
MHz
BATTERY
44
ON SWITCH
KEYPAD
Charge
Pump
ROWS
COLUMNS
CP3.0V CP4.0V
48, 49, 50, 51
22, 23, 24, 25, 26
BBIC
IC1
IC3
56
52
73
74
80
LDO_CTRL
KX-TGA251 BLOCK DIAGRAM (HANDSET)
LCD-BACK LIGHT

Related product manuals