EasyManua.ls Logo

Panasonic KX-TG2521 - Page 62

Panasonic KX-TG2521
77 pages
Print Icon
To Next Page IconTo Next Page
To Next Page IconTo Next Page
To Previous Page IconTo Previous Page
To Previous Page IconTo Previous Page
Loading...
62
KX-TG2521BXT/KX-TGA251BXT
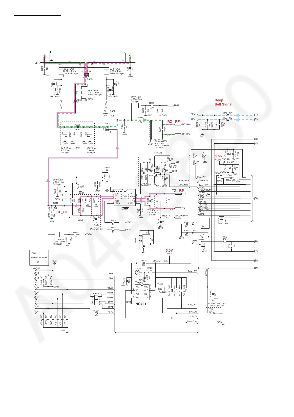
13.2. Schematic Diagram (Base Unit)
IC801
*IC421
(1)
(2)
(3)
(4)
(5)
(7)
(6)
(8)
(9)
NC: No Components
3.0V
2.5V
Beep
Bell Signal
TX _RF
TX _RF
RX _RF
GND
SPm
SPp
GND
GND
GND
GND
+3.0V
100
R75
*R425
270k
UTX
URX
GND
ANT_1
ANT2
NC
C854
ANT1
GND
GND
ANT_2
GND
NC
C850
GND
GND
1k
R76
ANT1_TP
ANT2_TP
GND
GND
GND
1u
C616
GND
+3.0V
GND
AP1
*CN5
PARALLEL WIRE
.
GND
GND
+2.5_CP
1u
C625
CL1
CL2
GND
GND
100n
C808
GND
GND
GND
PON
1k
R804
RF_RXp
RF_RXn
GND
GND
GND
TXp
GND
220
R806
GND
TXn
GND
PSEL
3.3n
C814
VDD_PADRV
TXON
1k
R803
GND
1
PSET
2
VCCS
3
PI
4
PIX
7
PSEL
8
POX
9
PO
10
VCC
11
GND
5
PRAMP
6
PAON
GND
GND
GND
RXON
220
R807
GND
47R805
GND
*C421
10n
GND
*R424
10k
GND
*Q421
VDD5
GND
*C422
100n
*R426 560
560
560
*R427
*R428
*R429 3.3k
GND
R135
10k
GND
10
R430
GND
GND
100p
C856
100p
C858
GND
GND
10
100n
C60
CKM
GND_C
Q24
GND
+1.8V
NC
C837
CN5-10
CN5-9
CN5-8
CN5-7
CN5-6
CN5-5
CN5-4
CN5-3
CN5-2
CN5-1
1.5p
C803
27n
L801
DA802
1
2
3
DA801
1
2
3
1.8p
C804
1.8p
C802
Shield
12
3
45
6
3n
L802
3n
L803
3.3p
C805
3.3p
C806
VDD4
C163
NC
GND
GND
JTAG
3p
C860
GND
GND
*R86 NC
*R87 NC
220RA80
1
23
4
*C149
NC
*C150
NC
100p
C823
GND
*C501
1n
*SW1
12
R808 NC
URX2
UTX2
GND2
GND
1
*CE
2
SO
3
*WP
4
VSS
5
SI
6
SCK
7
*HOLD
8
VDD
GND
NC
C423
NC
*RA501
1
2
3
45
6
7
8
NC
*R516
0
*R511
C851
7p
C853
7p
GND
Q25
R801 22k
1.5k
R133
10p
C811
10p
C855
10p
C809
10p
C819
10p
C812
10p
C827
10p
C825
10p
C857
*C516 NC
*C515 NC
*C513 NC
*C514 NC
*C511 NC
*C512 NC
C517 NC
C519 NC
C518 NC
NC
C520
10p
C631
*C146
NC
C859
10p
NC
C521
NC
C861
NC
C522
10p
C630
*C145
NC
2.2p
C810
2.2p
C813
*R132
680
120
*R802
1p
*C834
1.1p
*C826
NC
L804
GND
NC
C862
0.5p
C820
3p
C822
SDA2
SCL2
TAM_CSn
SPI_CLK
TAM_WP
KEY0
KEY1
ROW1
ROW2
KEY2
CHARGE
TAM_WP
SPI_DI
SPI_DO
SPI_DO
TAM_CSn
SPI_DI
SPI_CLK
Low_Rad
ROW0
ROW0
ROW0
TAM_WP
ROW2
KEY0
KEY1
ROW1
KEY2
LED1
LED2
eco_mode
for TG6511/2511/2521
TG7511/8511/5511
CP_OUT1=3.0V
Pow_Adj
Pre-matching
Balun
BPF
W 0.15mm
L 22+/-4mm
1st or 4th layer
W 0.15mm
L 22+/-4mm
1st or 4th layer
W 0.15mm
L 22+/-4mm
1st or 4th layer
W 0.15mm
L 5.0mm
1st layer
W 0.15mm
L 5.0mm
1st layer
W 0.15mm
L 20+/-2mm
3rd layer
W 0.15mm
L 20+/-2mm
3rd layer
W 0.15mm
L 20+/-1mm
3rd layer
W 0.125mm
L 7.6mm
Gap 0.125mm
1st layer
W 0.15mm
L 4.0mm x2
1st layer

Related product manuals