EasyManua.ls Logo

Panasonic KX-TG2521 - Page 65

Panasonic KX-TG2521
77 pages
Print Icon
To Next Page IconTo Next Page
To Next Page IconTo Next Page
To Previous Page IconTo Previous Page
To Previous Page IconTo Previous Page
Loading...
65
KX-TG2521BXT/KX-TGA251BXT
BATTERY
GND
GND
GND
CP+3.0V
CP+3.0V
K1u
C188
NCC70
GND
D21
D22
NCC71
GND
D10pC113
D3
NC
GND
D4
NC
GND
GND
10pC72
GND
10pC73
GND
3.3n
C814
220
R806
GND
TXp
47R805
GND
GND
VDD_PADRV
TXON
GND GND
100n
C808
GND
PON
GND
BATTERY
GND
1
PSET
2
VCCS
3
PI
4
PIX
7
PSEL
8
POX
9
PO
10
VCC
11
GND
5
PRAMP
6
PAO N
GND
TXn
PSEL
GND
GND
GNDGNDGND
RF_RXp
RXON
GND
GND
GND
RF_RXn
220
R807
NC
C837
GND
VSS
CN5
10
GND
CN5
1
RESETB
CN5
4
V0
CN5
11
VDD
CN5
8
SCLK
CN5
6
LCD_CSB
CN5
3
A0
CN5
5
OPT_PWR
CN5
2
VDDA
CN5
9
SID
CN5
7
GND
CN5
12
k1000p
C152
DA801
1
2
3
27n
L801
AP1
MIC
1
2
TP_ANT1
3p
C861
C820
NC
100p
*C103
3.3k
*R53
NC
*C106
10k
*R54
GND
100p
*C105
GND
GND
470
*R51
GND GNDGND GND
NC
*C187
NC
*C186
1k
R55
10k
*R50
NC
*C175
NC
*R578
GND
GND
GND
3.6n
L802
3.6n
L803
3.3p
C806
1.6p
C810
1.6p
C813
3.3p
C805
GND
NCR808
VREFm
C74
D10p
C75
D10p
VREFm
82
R73
82
R74
D13
D14
10k
RA40
1
2
3
45
6
7
8
K0.1u
C172
RCV+
RCV-
MIC-
MIC+
1
*C200
1
*C201
1
*C203
820k
*R231
430k
*R232
0.1
*C204
NC
*R233
1k
RA800
1
23
4
NC
*R236
NC
*C206
CN51
13
CAP1+
CN51
14
VSS
CN51
15
/RES
CN51
7
V0
CN51
9
VOUT
CN51
4
SI
CN51
5
SCL
CN51
10
CAP2-
CN51
8
VR
CN51
3
/CS
CN51
11
CAP2+
CN51
1
GND
CN51
16
GND
CN51
12
CAP1-
CN51
2
RS
CN51
6
VDD
Q880
NC
GND
GND
GND
Power_adj
NC
C881
NCR880
2p
C804
2p
C802
1.5p
C803
GND
GND
GND
GND
RECEIVER
1
+
2
-
SP-PHONE_SPEAKER
1
+
2
-
J33p
*C107
10p
C809
10p
C811
10p
C812
10p
C819
10p
C822
10p
C825
10p
C827
10p
C860
NCC863
NC
C864
NCC880
10p
*C104
NC
*C580
1k
*R52
Q10
NC
NC
R36
NC
C30
NC
R37
BATTERY
GND
680*R801
100
*R802
1p
*C834
1
A0
2
A1
3
A2
4
GND
5
SDA
6
SCL
7
WP
8
VCC
4p
*C826
LCD_SDA
LCD_SCL
LCD_CD
LCD_RESET
LCD_CSB
LSRp
LSRn
MICp
MICn
to LCD UNIT (Monochrome 1.8inc FullDot/for TGA651)
LSRp
LSRn
LSRp
Pre-matching
W 0.15mm
L 3.0mm x2
1st layer
W 0.15mm
L 20+/-2mm
3rd layer
W 0.15mm
L 20+/-1mm
3rd layer
Balun
BPF
W 0.15mm
L 5.0mm
1st layer
W 0.15mm
L 5.0mm
1st layer
W 0.15mm
L 20+/-2mm
3rd layer
W 0.125mm
L 7.6mm
Gap 0.125mm
1st layer
to LCD UNIT (Monochrome 1.4inc 3Line/for TGA250)
R801:220k
R808:NC
*IC3
IC801
(1)
(2)
(3)
(4)
(6)
(5)
(8)
(9)
(10)
(11)
(12)
(13)
(14)
(15)
(7)
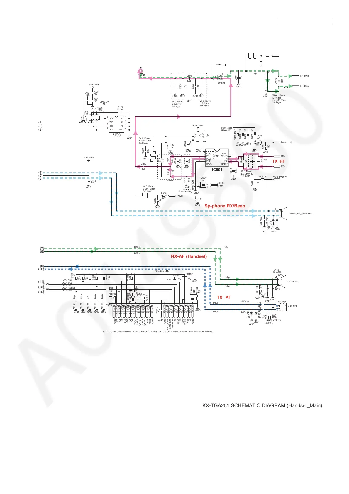
KX-TGA251 SCHEMATIC DIAGRAM (Handset_Main)
RX_RF
TX_RF
TX _AF
RX-AF (Handset)
Sp-phone RX/Beep

Related product manuals