EasyManua.ls Logo

Panasonic LCD-2016 - Video;Audio Signal Process - 3 (DX6**;7**;8** series)

Panasonic LCD-2016
59 pages
Print Icon
To Next Page IconTo Next Page
To Next Page IconTo Next Page
To Previous Page IconTo Previous Page
To Previous Page IconTo Previous Page
Loading...
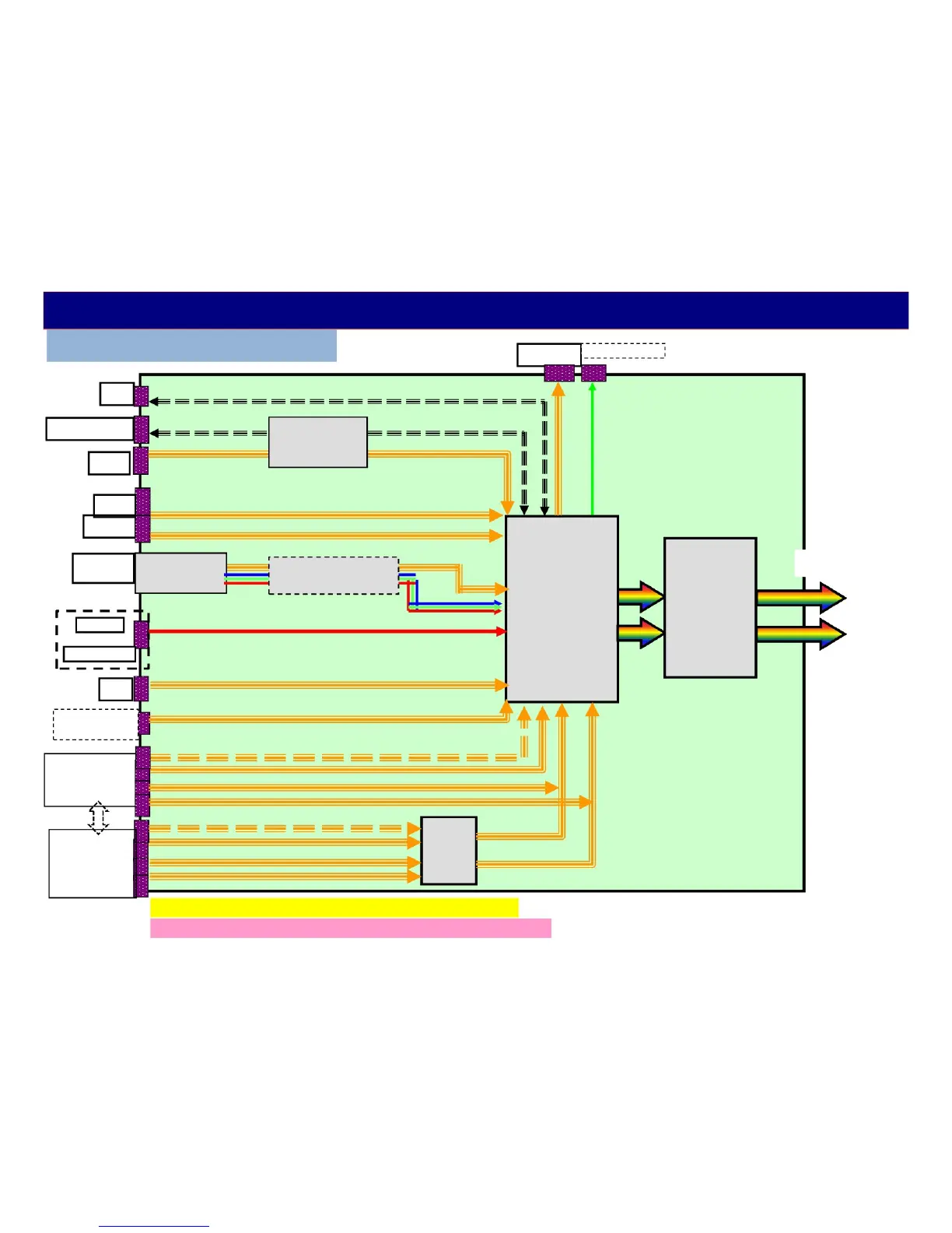
Video/Audio Signal Process - 3
DX6** / DX7** / DX8** series
WiFi
OPT_out
(*1)Bluetooth
IC8601
USB2
USB1
USB3.0
Antenna
terminal
AV
Component
LAN
(USB HUB)
TU670* IC68**
TUNER De-Modulation
IC8000
(
MT5810) IC9000
(Mstar/NTK)
Resize
IP conv. Frame Rate
OSD Convert
2D->3D
A
to LCD Panel
( V by One format )
HDMI1/2/3/(4)
(except below
models
HDMI1/2/3/(4)
(TX-DX8**
TH-DX640
TC-DX700C)
IC4500
HDMI
SW
(*1) Bluetooth : only DX9**/7** (except TC-**DX700C)
The input terminals are different by the models or countries.
13
CI - slot
(Europe)

Related product manuals