EasyManua.ls Logo

Panasonic LCD-2016 - Video;Audio Signal Process - 4 (DX900 series)

Panasonic LCD-2016
59 pages
Print Icon
To Next Page IconTo Next Page
To Next Page IconTo Next Page
To Previous Page IconTo Previous Page
To Previous Page IconTo Previous Page
Loading...
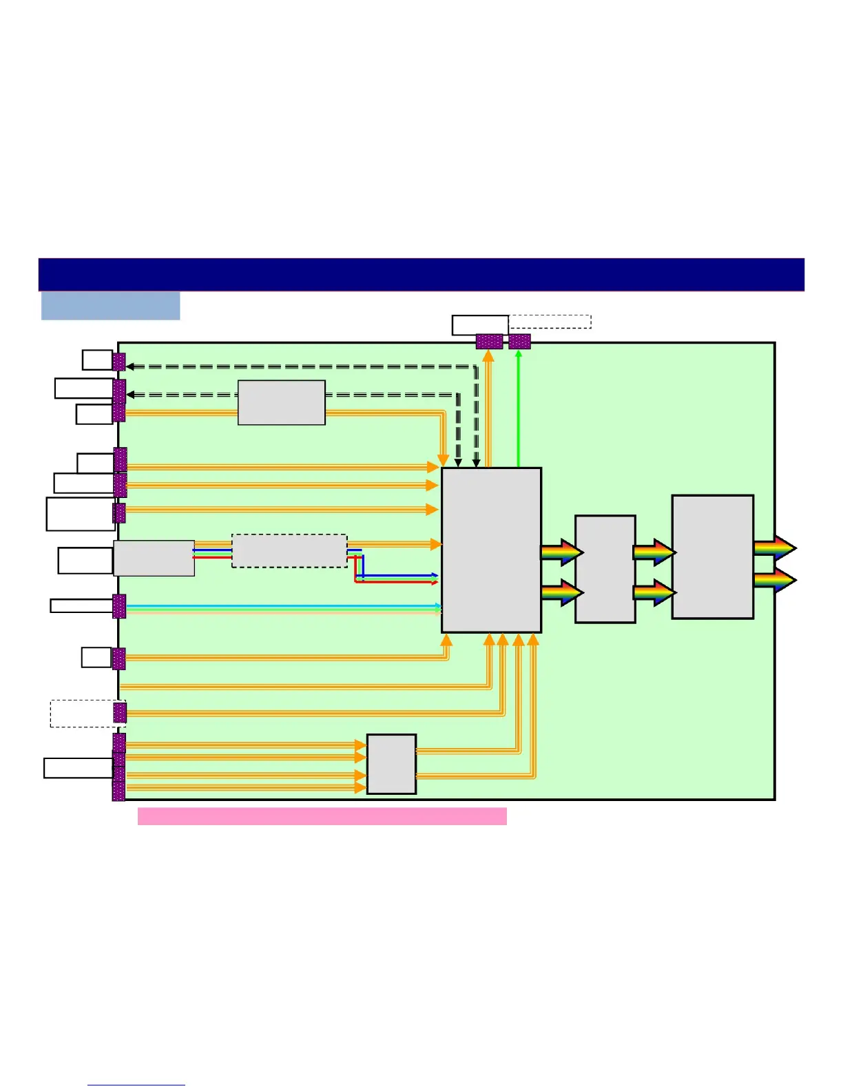
Video/Audio Signal Process - 4
DX900 series
WiFi
Bluetooth
USB2
USB1
USB3(3.0)
SD card
(only TC/TX
Antenna TU670*
OPT_out
IC8705
(USB HUB)
IC8000
(
MT5810)
IC4300
IC68** Resize (GCEX2)
De-Modulation IP conv.
IC9000
(NTK)
A
to LCD
Panel
terminal TUNER
Component
LAN
HDMI1/2/3/4
OSD HDR
2D->3D Hexa-
chroma
IC4500
HDMI
SW
Frame Rate
Convert
( V by One format )
(*) The input terminals are different by the models or countries.
14

Related product manuals