EasyManua.ls Logo

Panasonic Mini DV - Page 43

Panasonic Mini DV
51 pages
Print Icon
To Next Page IconTo Next Page
To Next Page IconTo Next Page
To Previous Page IconTo Previous Page
To Previous Page IconTo Previous Page
Loading...
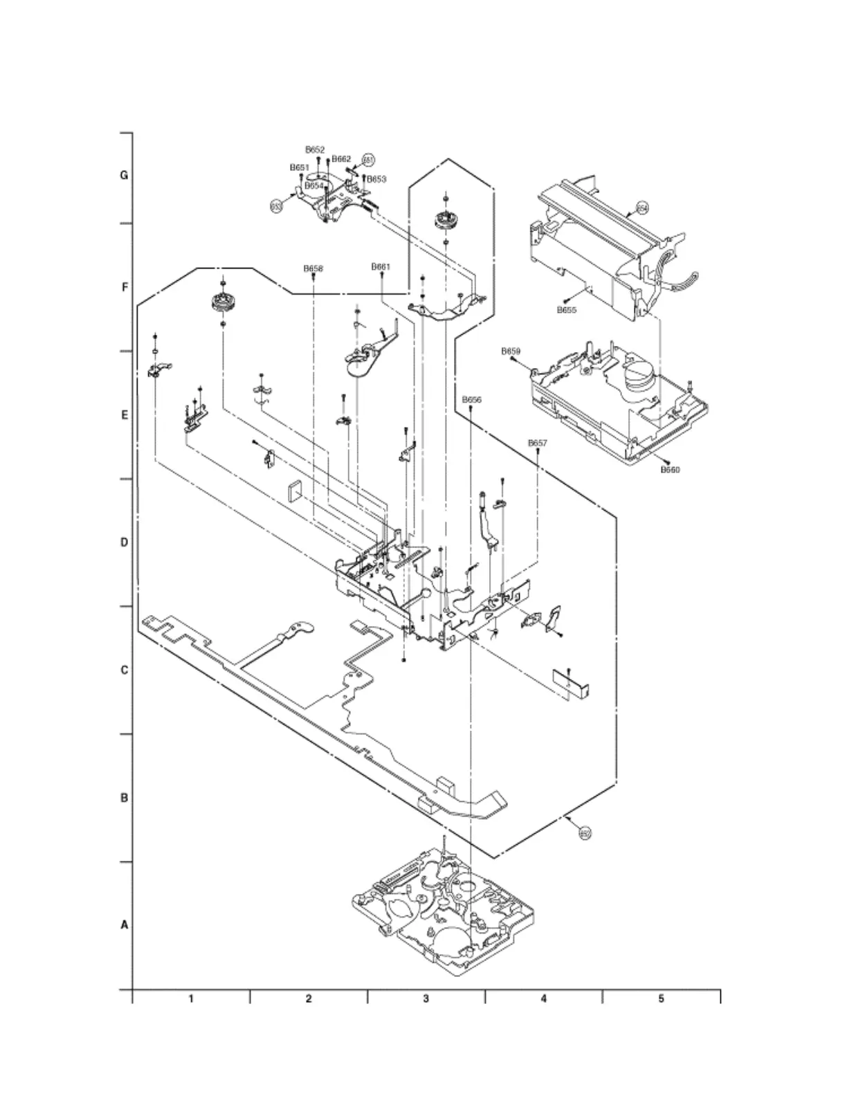
6.2 Q1& Q2 VCR MECHANISM SECTION (2)

Related product manuals