EasyManua.ls Logo

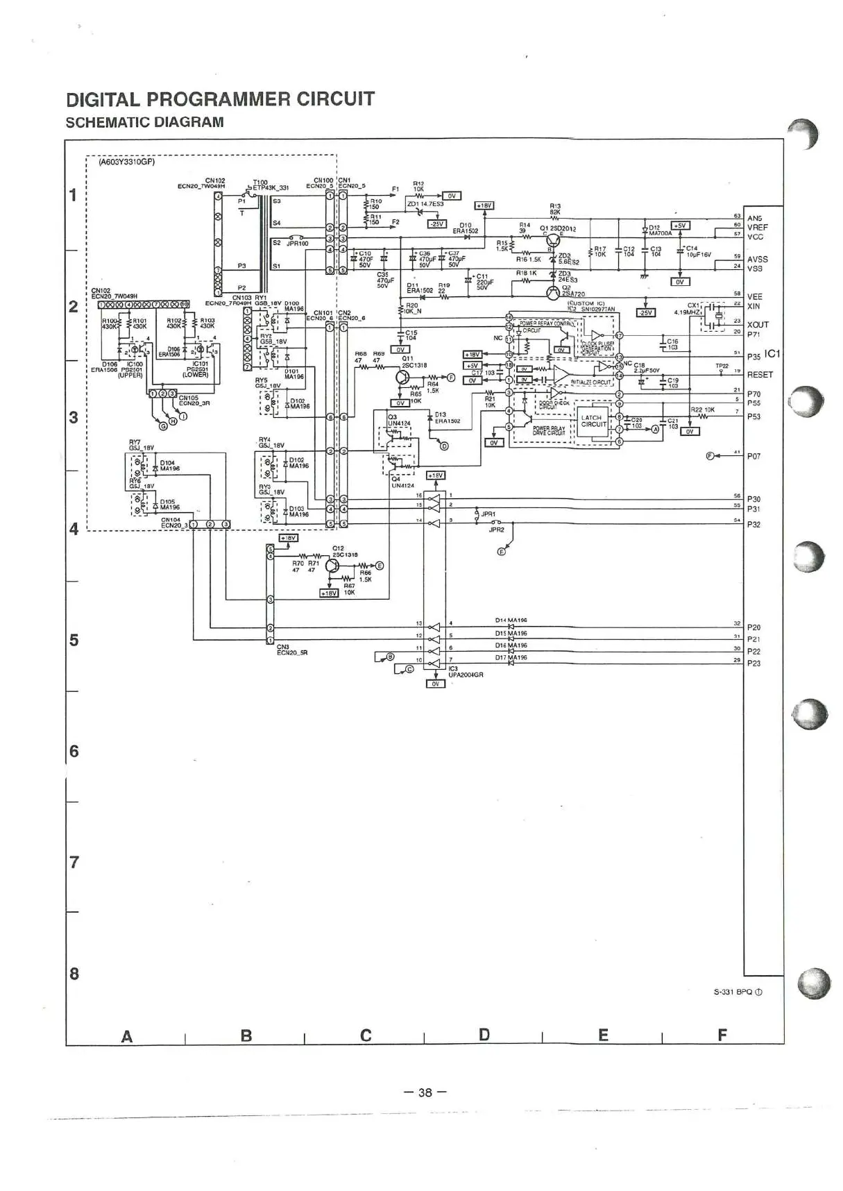
Panasonic NE-1856 - DIGITAL PROGRAMMER CIRCUIT SCHEMATIC DIAGRAM

Panasonic NE-1856
10 pages
Print Icon
To Next Page IconTo Next Page
To Next Page IconTo Next Page
To Previous Page IconTo Previous Page
To Previous Page IconTo Previous Page
Loading...
DIGITAL PROGRAMMER CIRCUIT
SCHEMATIC DIAGRAM
1
1--
2
1--
3
1--
1--
l I
16
}+{6
+18V
'I-I--o-'ofI/~E
R66
1.5K
~
~
;
T~
' 4 _ 3
~
JPRl
55 P31
'J
"P32
I I - 'o:í
5
13
4
0 14 MA196
5
0 15 MA196
32 P20
CN3
ECN20_5R
6
01
6MA
I 96
31
P21
7
0 17 MAI 96
30 P22
IC3
29 P23
1--
UPA2004GR
6
1--
7
1--
8
A
I
B
I
e
I
-38-
o
I
E
I
l--
5-331 BPQ
<D
F

Other manuals for Panasonic NE-1856

Related product manuals