EasyManua.ls Logo

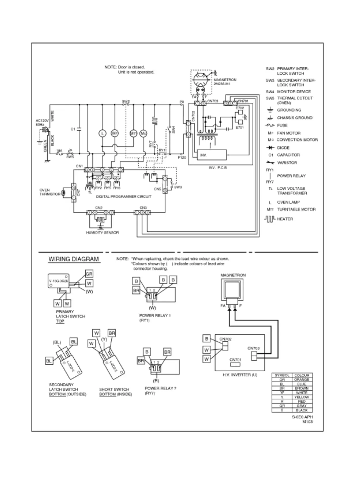
Panasonic NN-C994S - USA Schematic and Wiring Diagrams; USA Schematic Diagram; USA Wiring Diagram

Panasonic NN-C994S
15 pages
To Next Page IconTo Next Page
To Next Page IconTo Next Page
To Previous Page IconTo Previous Page
To Previous Page IconTo Previous Page
Loading...
NN-C994S
7
4 SCHEMATIC DIAGRAM (FOR USA)

Other manuals for Panasonic NN-C994S

Related product manuals