EasyManua.ls Logo

Panasonic NN-SD291W - Digital Programmer Circuit; Schematic Diagram

Panasonic NN-SD291W
26 pages
Print Icon
To Next Page IconTo Next Page
To Next Page IconTo Next Page
To Previous Page IconTo Previous Page
To Previous Page IconTo Previous Page
Loading...
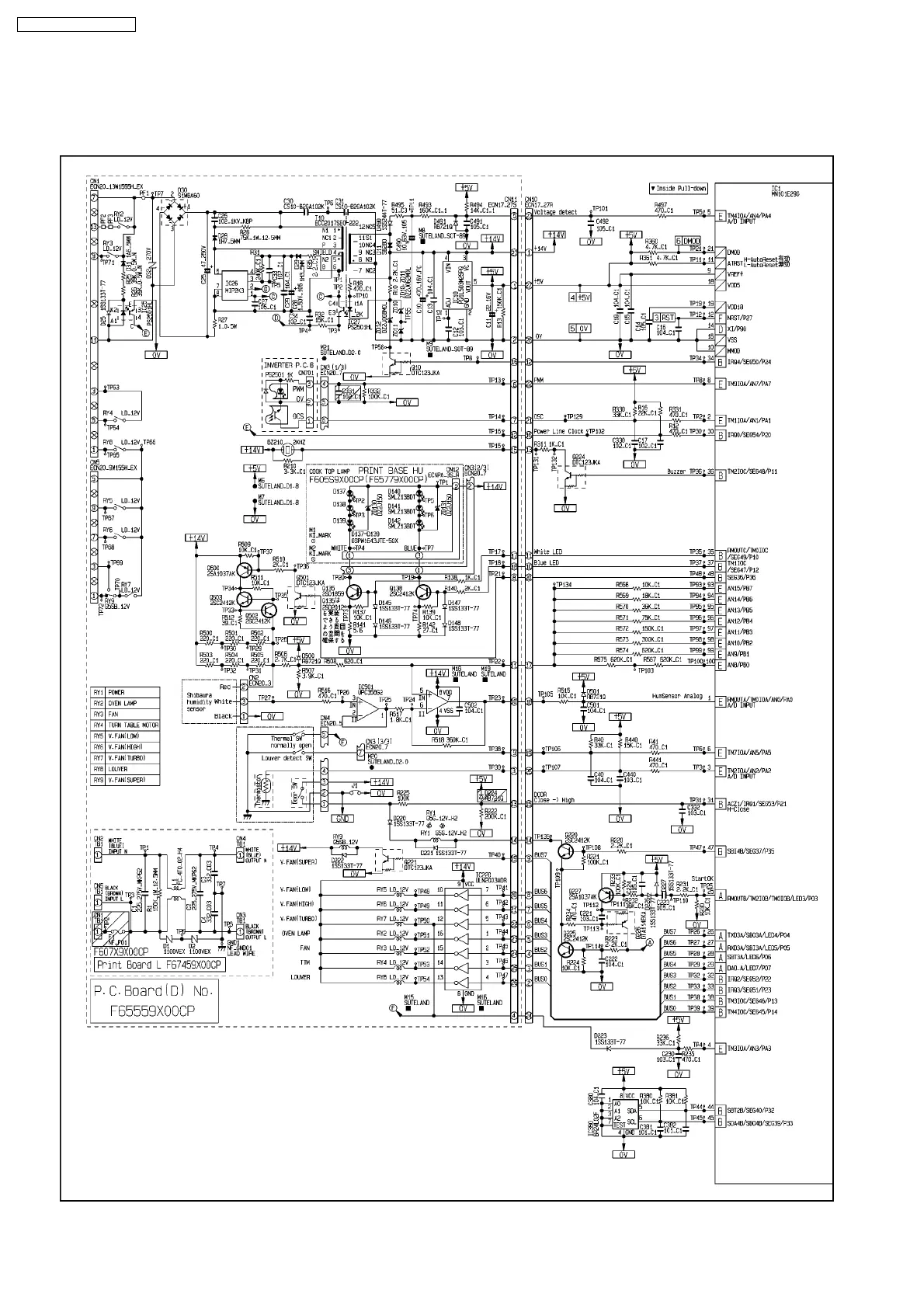
9 DIGITAL PROGRAMMER CIRCUIT
9.1. SCHEMATIC DIAGRAM
24
NN-SD291S / NN-SD291W

Related product manuals