EasyManua.ls Logo

Panasonic NN-SD967S - Nn-Sn957 S Aph

Panasonic NN-SD967S
78 pages
Print Icon
To Next Page IconTo Next Page
To Next Page IconTo Next Page
To Previous Page IconTo Previous Page
To Previous Page IconTo Previous Page
Loading...
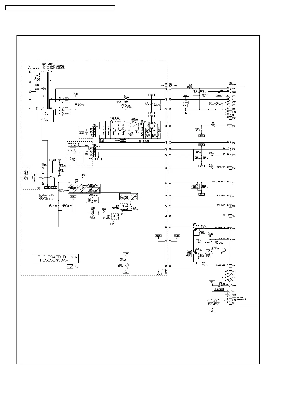
7.4. NN-SN957S APH
24
NN-SD997S / NN-SD987S / NN-SD967S / NN-SN977S / NN-SN957S / NN-SN947S

Table of Contents

Related product manuals