EasyManua.ls Logo

Panasonic NN-SD967S - Nn-T665 Sf Aph, T655 Sf Aph, T664 Sfr Aph

Panasonic NN-SD967S
78 pages
Print Icon
To Next Page IconTo Next Page
To Next Page IconTo Next Page
To Previous Page IconTo Previous Page
To Previous Page IconTo Previous Page
Loading...
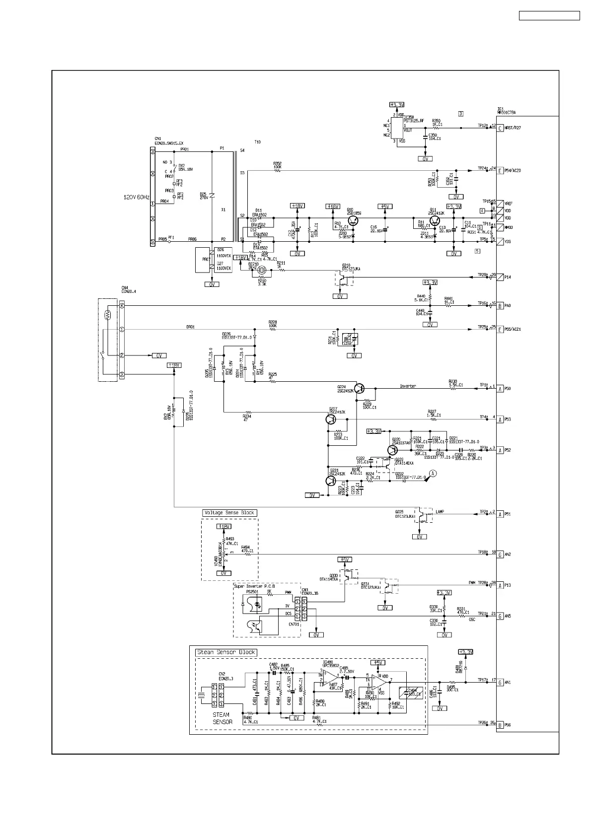
10.3. NN-T665SF APH, T655SF APH, T664SFR APH
39
NN-T695 NN-T685SF

Table of Contents

Related product manuals