EasyManua.ls Logo

Panasonic NN-SD967S - Nn-T685 Sf Aph;Cph, T675 Sf Aph

Panasonic NN-SD967S
78 pages
Print Icon
To Next Page IconTo Next Page
To Next Page IconTo Next Page
To Previous Page IconTo Previous Page
To Previous Page IconTo Previous Page
Loading...
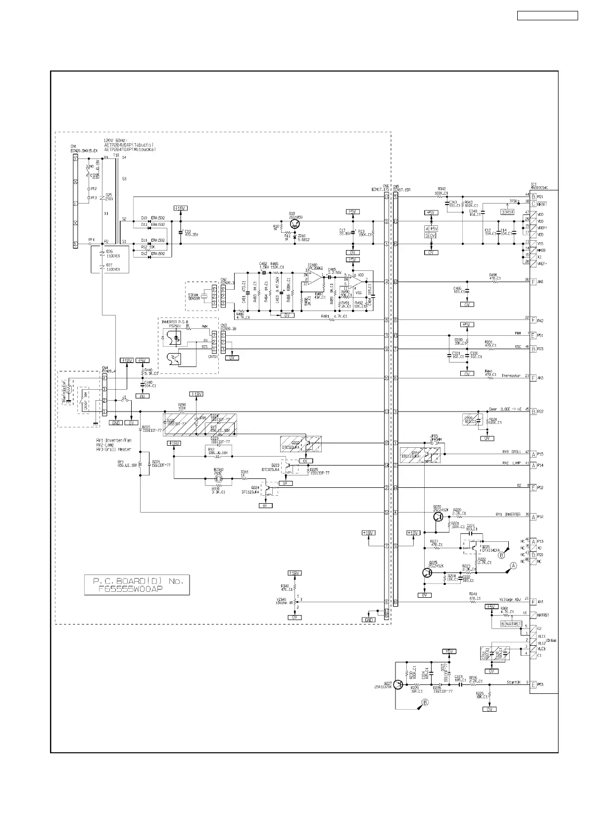
10.2. NN-T685SF APH/CPH, T675SF APH
37
NN-T695 NN-T685SF

Table of Contents

Related product manuals