EasyManua.ls Logo

Panasonic NN-SD967S - Aph; Schematic Diagram

Panasonic NN-SD967S
78 pages
Print Icon
To Next Page IconTo Next Page
To Next Page IconTo Next Page
To Previous Page IconTo Previous Page
To Previous Page IconTo Previous Page
Loading...
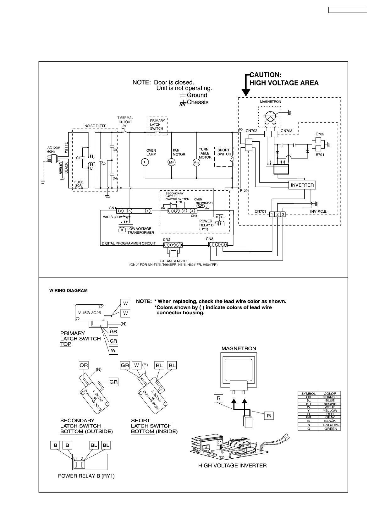
1 SCHEMATIC DIAGRAM
1.1. APH
5
NN-T695 NN-T685SF

Table of Contents

Related product manuals