EasyManua.ls Logo

Panasonic NN-T783SF - Schematic Diagram (CPH Models)

Panasonic NN-T783SF
24 pages
Print Icon
To Next Page IconTo Next Page
To Next Page IconTo Next Page
To Previous Page IconTo Previous Page
To Previous Page IconTo Previous Page
Loading...
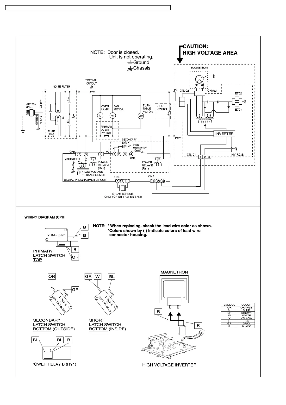
2 SCHEMATIC DIAGRAM (CPH)
6
NN-T793SF / NN-T783SF / NN-T763SF / NN-S763BF / NN-S763WF / NN-S753BF / NN-S753WF / NN-S743BF / NN-S743WF

Related product manuals