EasyManua.ls Logo

Panasonic NV-GS21EB - Front Schematic Diagram

Panasonic NV-GS21EB
110 pages
Print Icon
To Next Page IconTo Next Page
To Next Page IconTo Next Page
To Previous Page IconTo Previous Page
To Previous Page IconTo Previous Page
Loading...
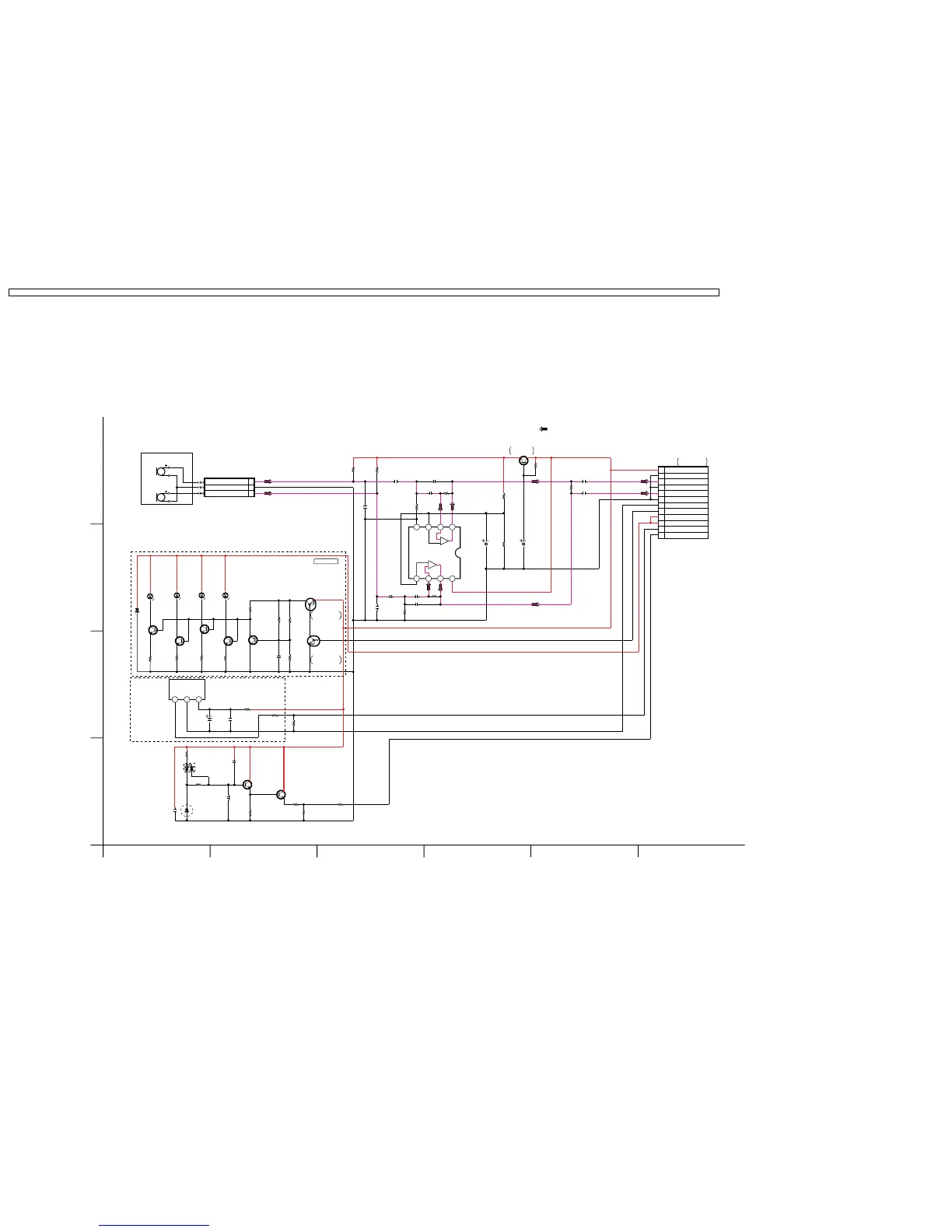
10.2. FRONT SCHEMATIC DIAGRAM
NOTE:
FOR SCHEMATIC DIAGRAM AND CIRCUIT BOARD LAYOUT NOTES,
REFER TO BEGINNING OF SCHEMATIC SECTION.
NOTE:
PARTS MARKED "PT" ARE NOT USED.
NOTE: For placing a purchase order of the parts,
be sure to use the part number listed in the parts list.
Do not use the part number on this diagram.
NV-GS6EE/GC, NV-GS17EG/EF/E/EP/EB, NV-GS18E, NV-GS21EG/EK/E/EP/EB,
NV-GS25GC/GN, NV-GS28GK, NV-GS35EG/E/EP/EB/GC/GN, NV-GS38GK
FRONT SCHEMATIC DIAGRAM
LSJB8296
FRONT SCHEMATIC DIAGRAM
ECM_R
WM-61A102B
ECM_L
WM-61A102B
FJ4801
1
ECM_L
2
A_GND
3
ECM_R
R4810
3900[D]
C4801
1[KB]
Q4801
2SD2216J08
C4811
PT
C4808
0.027[KB]
R4805
120K
R4809
33K
C4810
0.027[KB]
C4803
4R7/16V
C4809
8200P[KB]
R4802
4700
C4812
22/6.3V
R4806
33K
R4804
33K
R4803
22K
C4807
PT
C4806
0.027[KB]
C4804
8200P[KB]
C4805
0.027[KB]
R4808
120K
C4802
1[KB]
R4811
PT
R4807
3900[D]
IC4801
C0ABBB000262
1234
5678
FP6501
1
3
4
5
6
7
8
9
10
11
12
C6504
0.1[KB]
10M
R6504
D6503
MA3S132D0L
D6504
B3GA00000041
2R2M
R6505
4700
R6508
Q6502
2SD2216J08
C6505
PT
Q6501
2SD10300SL
1800
R6507
R6506
330K
C6503
0.47[KB]
C6502
0.1
R6501
56
C6501
10/6.3V
R6503
100K
R6502
68K
U6501
B3RAB0000024
123
R4306
33K[D]
R4305
2200[D]
C4301
1[KB]
R4308
PT
R4302
47[D]
R4301
47[D]
R4307
8200[D]
R4304
47[D]
R4303
47[D]
Q4306
UNR9112J08
Q4303
2SD1819ARL
D4304
B3AFB0000056
D4303
Q4305
2SB1218ARL
Q4301
2SD1819ARL
Q4304
2SD1819ARL
D4301
D4302
Q4302
2SD1819ARL
Q4307
UNR9213J08
1K
R6509
(SWITCHING)
[1608]
[Y]
[SSMINI]
[1608]
[1608]
[1608]
[Y]
[Y]
A_M_OUT_R
REGA5V
IR_GND
D_GND
LIGHT_ON_H
LIGHT_REG
D_GND
LIGHT_REG
IR-REMOCON
IRDET
A_M_OUT_L
[1608]
[1608]
[1608] [1608]
LED LIGHT
[1608]
ECM UNIT
(LED DRIVE)
(LED DRIVE)
(LED DRIVE)
(LED DRIVE)
(LED DRIVE)
SWITCHING
LIGHT ON-ON
SWITCHING
LIGHT ON-ON
INFRARED
RECEIVER
UNIT
(OP AMP)
TO MAIN C.B.A.
FP6
+5V
REGULATOR
(SWITCHING)
(IR SENSOR)
REC AUDIO SIGNAL
B3AFB0000056
B3AFB0000056
B3AFB0000056
D4305
PT
REMOCON ONLY
2
D_GND
21EG/EK/E/EP/EB,35EG/E/EP/EB/GC/GN,38GK
6GC,25GC/GN,28GK,35EG/E/EP/EB/GC/GN,38GK
1
A
B
C
234
D
56
NV-GS6EE / NV-G S6GC / NV-GS17E / NV-G S17EB / NV-GS17E F / NV-GS17EG / NV-GS17E P / NV-GS18E / NV-GS21E / NV-GS21EB / NV-GS21E G / NV-GS21EK / NV-GS21E P / NV-GS25GC / NV-GS25GN / NV-GS28G K / NV-GS35E / NV-GS35E B / NV-GS35EG / NV-GS35E P / NV-GS35GC / NV-GS35GN / NV-GS38 GK
68

Other manuals for Panasonic NV-GS21EB

Related product manuals