EasyManua.ls Logo

Panasonic NV-HD642EE - Page 17

Panasonic NV-HD642EE
19 pages
Print Icon
To Next Page IconTo Next Page
To Next Page IconTo Next Page
To Previous Page IconTo Previous Page
To Previous Page IconTo Previous Page
Loading...
SAT
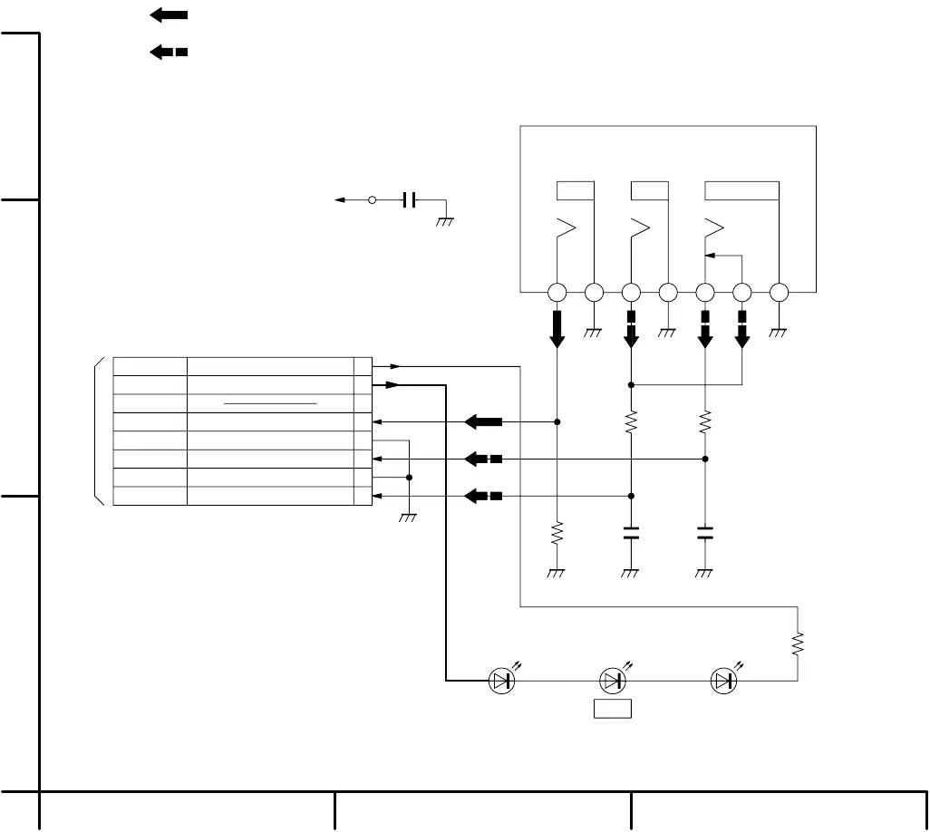
AUDIO MAIN SIGNAL PATH IN REC MODE
VIDEO MAIN SIGNAL PATH IN REC MODE
C
B
A
321
ORDERING.WHEN YOU ORDER A PART,PLEASE REFER TO PARTS LIST.
NOTE:DO NOT USE ANY PART NUMBER SHOWN ON THIS SCHEMATIC DIAGRAM FOR
15
R6504
SLR932AVA
D6503
SLR932AVA
D6502
SLR932AVA
D6501
GND
BOTTOM
0.1
C6503
75
R6501
820P
C6501
820P
C6502
1K
R6503
1K
R6502
VJJ0573
JK6501
IN(R/N)
AUDIO
IN(L)
AUDIO
IN
VIDEO
1234567
P7502(Page:59/B-10)
TO TIMER SECTION
P6501
8
7
6
5
4
3
2
1
FRONT AUDIO (L)
GND (A)
FRONT AUDIO (R)
GND (A)
FRONT VIDEO
UNREG 13V
SAT IR
P7502-1
P7502-2
P7502-3
P7502-4
P7502-5
P7502-6
P7502-7
P7502-8

Related product manuals