EasyManua.ls Logo

Panasonic NV-HD642EE - Gnd

Panasonic NV-HD642EE
19 pages
Print Icon
To Next Page IconTo Next Page
To Next Page IconTo Next Page
To Previous Page IconTo Previous Page
To Previous Page IconTo Previous Page
Loading...
H
H
H
H
L
H
L
PAL I
REG 5V
0.1
C7618
A8
0.1
C7615
VLP0125
L7606
0.01
C7608
A8
PAL I
S
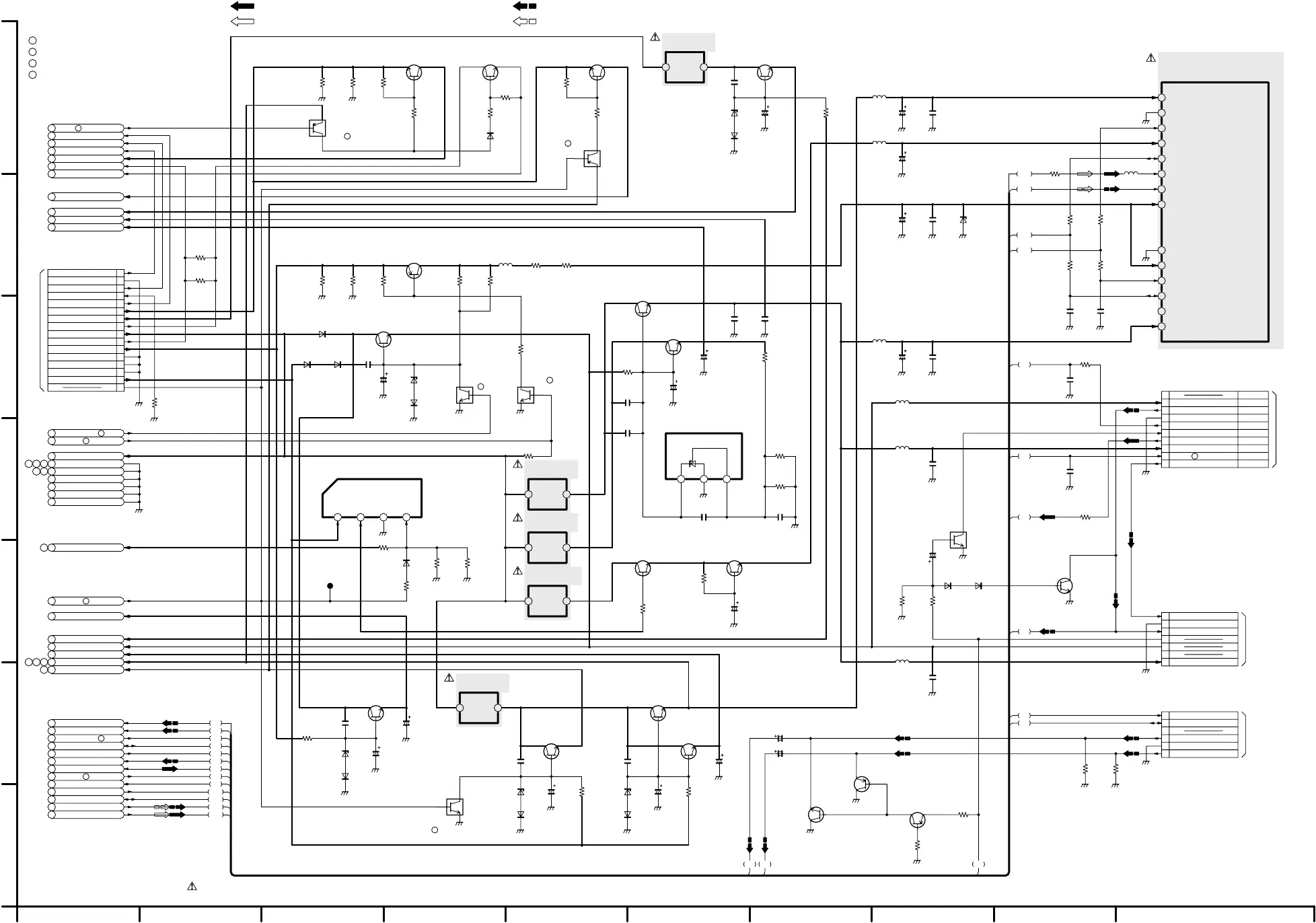
AUDIO MAIN SIGNAL PATH IN REC MODE
AUDIO MAIN SIGNAL PATH IN PLAYBACK MODE
VIDEO MAIN SIGNAL PATH IN REC MODE
VIDEO MAIN SIGNAL PATH IN PLAYBACK MODE
0.01
C1006
1K
R7616
82K
R1011
PQ20VB2E
IC1001
2SD1996
Q7801
WHEN REPLACING ANY OF THESE COMPONENTS,USE ONLY THE SAME TYPE.
COMPONENTS IDENTIFIED WITH THE MARK HAVE THE SPECIAL CHARACTERISTICS FOR SAFETY.
IMPORTANT SAFETY NOTICE:
NOTE:THE MEASURMENT MODE OF THE DC VOLTAGE ON THIS DIAGRAM IS STOP MODE.
ORDER A PART,PLEASE REFER TO PARTS LIST.
SCHEMATIC DIAGRAM FOR ORDERING.WHEN YOU
NOTE:DO NOT USE ANY PART NUMBER SHOWN ON THIS
50V2.2
C7621
50V2.2
C7620
A1 A2
2SD1328
Q7604
2SD1328
Q7606
100K
R7620
2SB709A
Q7605
(Page:69/C-1)
PK7302
TO NICAM DECODER PACK
1800
R7621
A3
150K
R7622
150K
R7623
TUNER AUDIO(L)
GND
TUNER AUDIO(R)
OSD IIC DATA
OSD IIC CLOCK
PK7302
6
5
4
3
2
1
A4
A5
0.1
C7619
10u
L7609
(Page:69/D-1)
PK7301
TO NICAM DECODER PACK
PK7301
REG 5V
TUNER AUDIO(N)
GND
SIF/QPSK
7
6
5
4
3
2
1
(Page:68/D-2)
PACK PK0701
TO TV DEMODULATOR
PK0701-10
PK0701-9
PK0701-8
PK0701-7
PK0701-6
PK0701-5
PK0701-4
PK0701-3
PK0701-2
PK0701-1
A6
2SD601A
Q7601
1SS254
D7604
1SS254
D7603
560
R7614
10K
R7615
50V1
C7616
MUN2213
QR7601
0
R7613
A7
0
R7612
0.22
C7614
A9
REG 5V
DATA
CLOCK
BTL
BPL
BT
AUDIO OUT
VIDEO OUT
DATA
TUNER 5V
CLOCK
GND
N.SW 5V
SIF/QPSK
TUNER VIDEO
VIDEO MUTE
AFC S-CURVE
GND
TUNER AUDIO(N)
REG 12.3V
24
23
22
21
20
19
18
17
16
15
DU7601
VLP0125
L7605
VLP0125
L7604
6V100
C7607
100
R7602
100
R7601
100
R7606
100
R7607
A10
A11
33P
C7605
33P
C7606
L7603 33u
ENG47298G1
TUNER UNIT
TU7601
1K
R7603
A12
A13
14
13
12
11
10
9
8
7
6
5
4
3
2
1
MA4300M
D7601
0.1
C7609
50V10
C7610
2.7u
L7602
6V100
C7603
VLP0125
L7601
0.01
C7602
6V100
C7601
A13
A12
A11
A10
A9
A7
A6
A5
A4
A3
A2
A1
OSD IIC CLOCK
VIDEO OUT
RFC AUDIO OUT
SYS IIC DATA
SYS IIC CLOCK
AFC S-CURVE
TUNER VIDEO
TUNER AUDIO(N)
OSD IIC DATA
AUDIO DEF
TUNER AUDIO(L)
TUNER AUDIO(R)
V
V
S
S
T
I
I
V
V
S
V
V
16V10
C1011
2200
R1005
2SD602A
Q1007
10V22
C1001
1SS254
D1003
MA4051M
D1004
0.01
C1002
2SD1996
Q1003
MUN2213
QR1005
2700
R1012
10V22
C1005
1SS254
D1010
MA4051M
D1009
2SD1996
Q1006
UNH000300A
IP1001
12
12K
R1027
0.01
C1007
1SS254
D1018
MA4120NM
D1017
16V47
C1008
16V47
C1010
2SD1996
Q1009
6V220
C7617
470
R7617
2SD1328
Q7603
(POWER SAVE:OFF)
2SD1328
Q7602
2700
R1201
uPC1093J
IC1201
0.01
C1202
RAC
2700
R1202
47K
R1203
0.1
C1207
0.01
C1204
0.01
C1208
0.1
C1206
0.1
C1205
6V100
C1201
2SD2259
Q1201
10V22
C1203
1K
R1204
2SD1996
Q1202
330(2W)
R7608
330(2W)
R7609
VLP0125
LB7601
EX.SYSTEM 5V
N.SW 5V
BIAS 5V
REG 12.3V
UNREG 13V
S
IVS
I
T
V
V
T
V
N.SW 12V
SLEEP
S
12K
R1023
1SS254
D1016
16K
R1014
15K
R1013
UNREG 14V
SI
ON/OFF
GND
OUT
IN
4321
VSF0015A025
IP7601
21
UNH000300A
IP1202
21
12
UNH000300A
IP1201
R1010 10K
GND(D)
GND(CYL)
GND(MOTOR)
GND(FG)
GND(A)
GND
UNREG 5.6V
VI
SVI
V
S
S
S
T
T
S
MUN2213
QR1002
10K
R1009
SLEEP
POWER OFF
S
S
MUN2211
QR1003
1SS254
D1005
MA4120M
D1006
0.01
C1004
2SD25440PQA
Q1005
16V47
C1003
MA723
D1013
11ES1
D1011
11ES1
D1012
8200
R1008
8200
R1007
2SB710A
Q1004
4700
R1006
68K
R1019
68K
R1018
2200
R7801
6V22
C7802
1SS254
D7802
MA4051M
D7801
0.01
C7801
UNH000300A
IP7801
12
MUN2112
QR1006
2SD601A
Q1008
33K
R1026
33K
R1025
1SS254
D1015
5600
R1004
5600
R1003
2SD602A
Q1002
MUN2112
QR1001
2SD601A
Q1001
33K
R1001
33K
R1002
56K
R1017
56K
R1016
10K
R1024
10K
R1022
12K
R1015
UNREG 14V
GND(MOTOR)
GND
GND
UNREG 36V
HEATER(-)
UNREG 5.6V
HEATER(+)
UNREG 6V
N.SW -29V
S3
ANF
AN2
GND
AN3
16
15
14
13
12
11
10
9
8
7
6
5
4
3
2
1
TO POWER P1102(Page:57/F-10)
P1001
VIDEO 5V
REG 5V
OSD 5V
V
S
V
SW -29V
I
HEATER(+)
HEATER(-)
FIP -29V
AN3
AN2
S3
FIP
S
:TO TIMER SECTION(Page:59)
:INPUT/OUTPUT SECTION(Page:64)
I
V
:TO LUMINANCE CHROMINANCE/AUDIO SECTION(Page:62)
:TO SYSTEM CONTROL & SERVO SECTION(Page:60)
S
T
T
T
T
T
T
S
10
987654321
G
F
E
D
C
B
A
H
H
L
H
L
0
0.7
(MUTE)
(MUTE)
11.9
0
0.9
1.50.7
(BUFFER)
0.7
0
(MUTE)
(MUTE)
0.7
0
5.8
5.55.6
5.1
5.8
5.6
(5V REG.)
(5V REG.)
5.1
5.8
5.6
(5V REG.)
(5V REG.)
4.7
5.4
5.4
(POWER SAVE:OFF)
5.4
6.2
5.5
2.55.8
5.8
5.5 5.1
5.1
5.8
5.5
(5V REG.)
(5V REG.)
0
5.8
(SLEEP :ON)
TL1
(12V REG.)
12.0
12.6
13.9
1.2
14.715.0
(SLEEP :OFF)
:ON)
(POWER OFF
4.8
0
0
12.9
(12.3V REG.)
12.4
12.9
13.9
35.4
34.7
35.4
(POWER SAVE:OFF)
(5V REG.)
5.2
5.8
6.3
5.1
5.1
0
(SLEEP :OFF)
-28.6
-29.3-29.4
(POWER SAVE:OFF)
(FIP ON/OFF CONTROL)
-13.5
-14.2-14.2
-28.6
-29.4 -29.3
(FIP ON/OFF CONTROL)
(FLP :ON)
5.0
0
5.1

Related product manuals