EasyManua.ls Logo

Panasonic NV-HD642EE - Gnd

Panasonic NV-HD642EE
19 pages
Print Icon
To Next Page IconTo Next Page
To Next Page IconTo Next Page
To Previous Page IconTo Previous Page
To Previous Page IconTo Previous Page
Loading...
N N
N
N
H
H
0
R2502
1K
R2509
35V4.7
C2502
33
R2503
35V4.7
C2511
33
R2508
25V47
C2521
390
R2501
68u
L2503
0.047
C2518
C2
0.068
C2522
0.1
C2525
0.1
C2524
0.1
C2523
6V220
C2516
(1/2W)
1.2
R2517
(1/2W)
1.5
R2518
M3
ATC
P3P2
HE+
P1
GND
PC DS
ET/
POWER(NPN Tr.X3)
B-EMF DET
CIRCUIT
DISCHARGE
CHARGE
AMPLIFIER
DIFFERENTIAL
PRESET
SYNC
EXTERNAL
AN3811NK
IC2502
1/16
OSC
SELECT
MODE
DISP
PG/FG
SHAPER
WAVE
CONTROL
TORQUE
THD
1615141312
54321 6789
10 11
VMM1
VCC
FCFG
PG/
M2
HE-
33
R2519
35V4.7
C2526
P
P
P
P
P
P
UNREG 5.6V
GND(MOTOR)
GND(CYL)
GND(FG)
GND
UNREG 14V
P2901(Page:70/A-2)
TO CYLINDER STATOR
P2502
9
M2
8
VH+
7
M3
6
HE+
5
GND(CYL)
4
VM
3
VM
2
HE-
1
MI
25V47
C2504
(Page:70/C-1)
TO CAPSTAN DRIVE P0201
50V0.47
C2506
3900
R2505
(A17)(A16)
C9
C1
C3
C10
C8
15
14131211
(TO LOADING MOTOR)
P1501
2
LOAD MOTOR(-)
P2501
0.1
C2535
0.1
C2536
1
LOAD MOTOR(+)
LOADING
UNLOADING
UNREG 14V
LOAD MOTOR(+)
LOAD MOTOR(-)
GND(MOTOR)
REG 5V
GND(FG)
CAP FG1
CAP ED/S
CAP ET
CURR LIMIT
BA10358F
IC2501
8765
1234
1SS254
D2502
1SS254
D2505
4700
R2532
1M
R2504
22K
R2506
22K
R2507
6V47
C2505
100u
L2502
12
11
10
9
8
7
6
5
4
3
2
1
-
+
-
+
WHEN YOU ORDER A PART,PLEASE REFER TO PARTS LIST.
ORDERING.
DO NOT USE ANY PART NUMBER SHOWN ON THIS SCHEMATIC DIAGRAM FOR
NOTE:
TW2015
TL2015
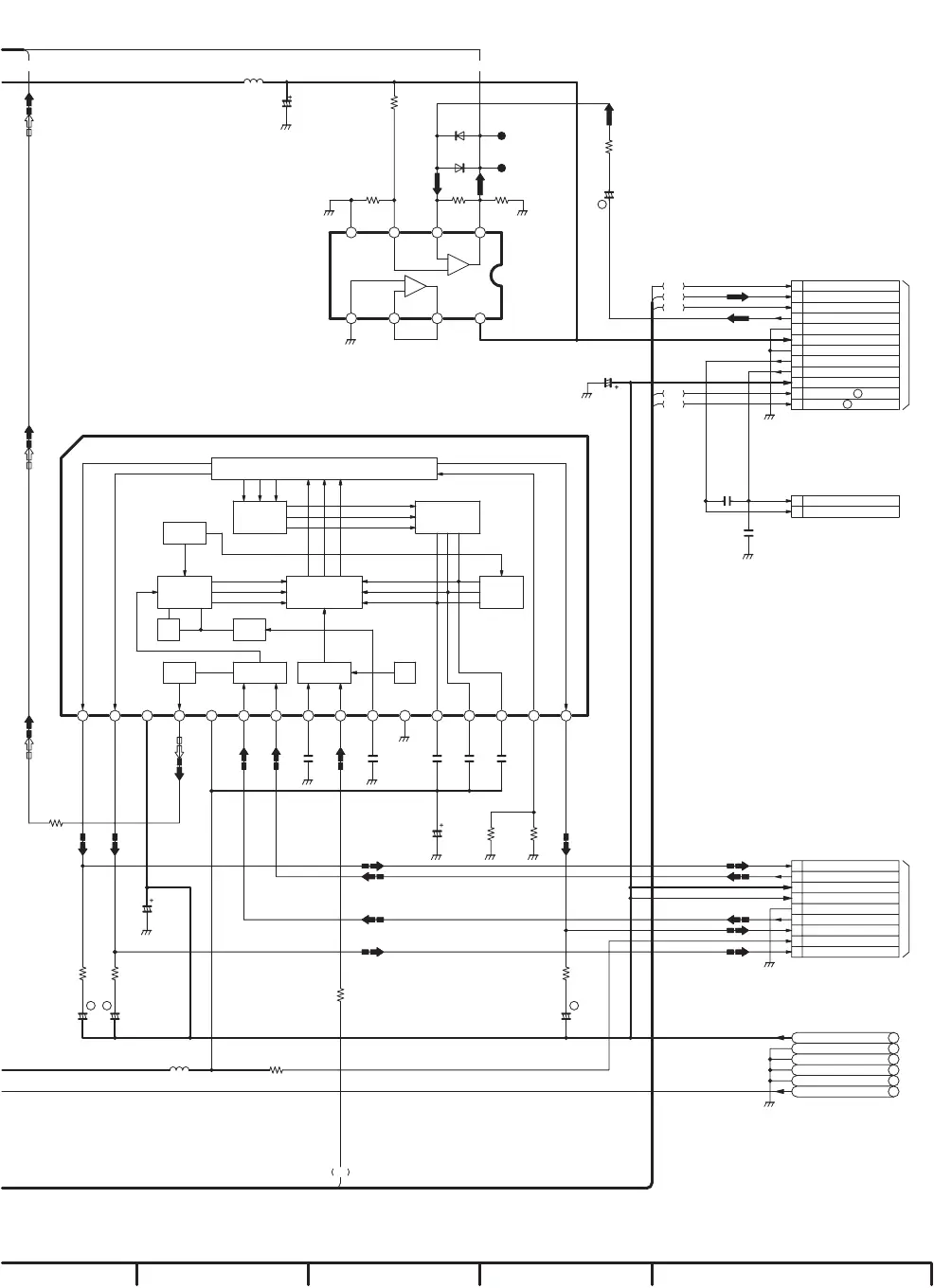
(CYLINDER DRIVE)

Related product manuals