EasyManua.ls Logo

Panasonic NV-HD642EE - Page 19

Panasonic NV-HD642EE
19 pages
Print Icon
To Previous Page IconTo Previous Page
To Previous Page IconTo Previous Page
Loading...
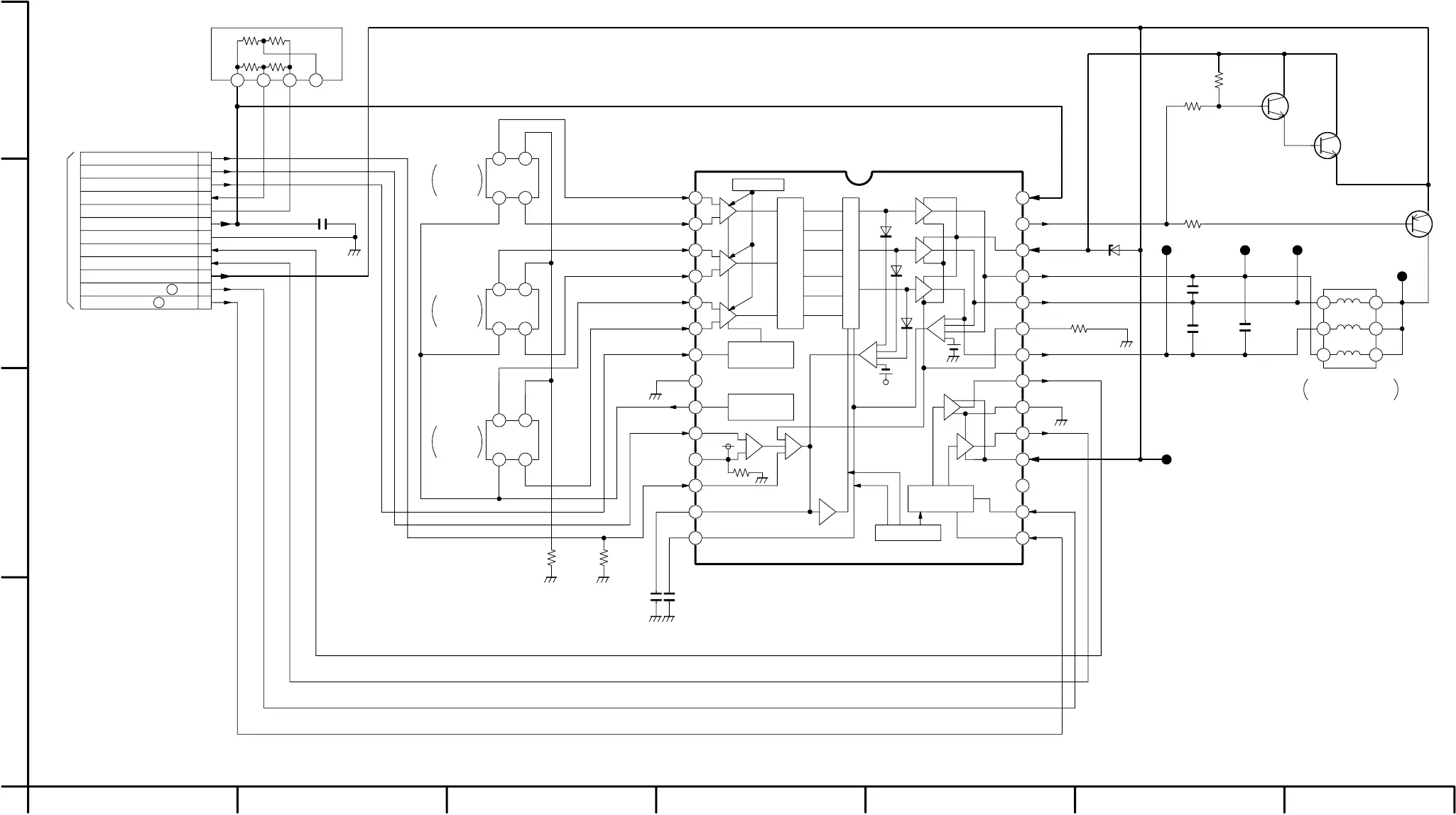
H
H
76
Q0201
Q0202
Q0203
R0212
R0213
R0210
D0203
C0207
SECTION P2501(Page:60/F-15)
TO SYSTEM CONTROL & SERVO
POWER
HALL
DIRECTION
TORQUE
PROCESS
POSITION SIGNAL
DIFFERENTAL AMP
VM1
D
C
B
5432
C0206
R0211R0201
VCC
RCC SET
L0201
A
1
IC0201
AMP
AMP
TL
EC AMP
DRIVER
DRIVER
A2
A1
A3
+
-
+
-
+
-
C0210
C0209
C0208
R0204
C0201
TSD
LOGIC
CONTROL
FIN
RIN
VM2
OUT1
RNF
OUT2
A2
ATC
A1
A3
VM1
NC
VCC
PC1
PCV
TL
ECR
EC
VH+
GND
ED/S
H2+
H2-
H1+
H1-
H3+
H3-
6
5
43
2
1
15
16
17
18
19
20
21
22
23
24
25
26
27
28
14
13
12
11
10
9
8
7
6
5
4
3
2
1
43
12
R0209
43
12
R0208
21
34
R0207
R0206
4321
P0201
LOADING
UNLOADING
UNREG 14V
LOAD MOTOR(+)
LOAD MOTOR(-)
GND(MOTOR)
REG 5V
GND(FG)
CAP FG1
CAP ED/S
CAP ET
CURR LIMIT
12
11
10
9
8
7
6
5
4
3
2
1
TL0205
MAIN COIL
CAPSTAN MOTOR
H1
SENSOR
HOLE
H2
SENSOR
HOLE
H3
SENSOR
HOLE
H3
SENSOR
HOLE
TL0203TL0202TL0204
(FG HEAD)
(CAPSTAN MOTOR DRIVE)
TL0201

Related product manuals