EasyManua.ls Logo

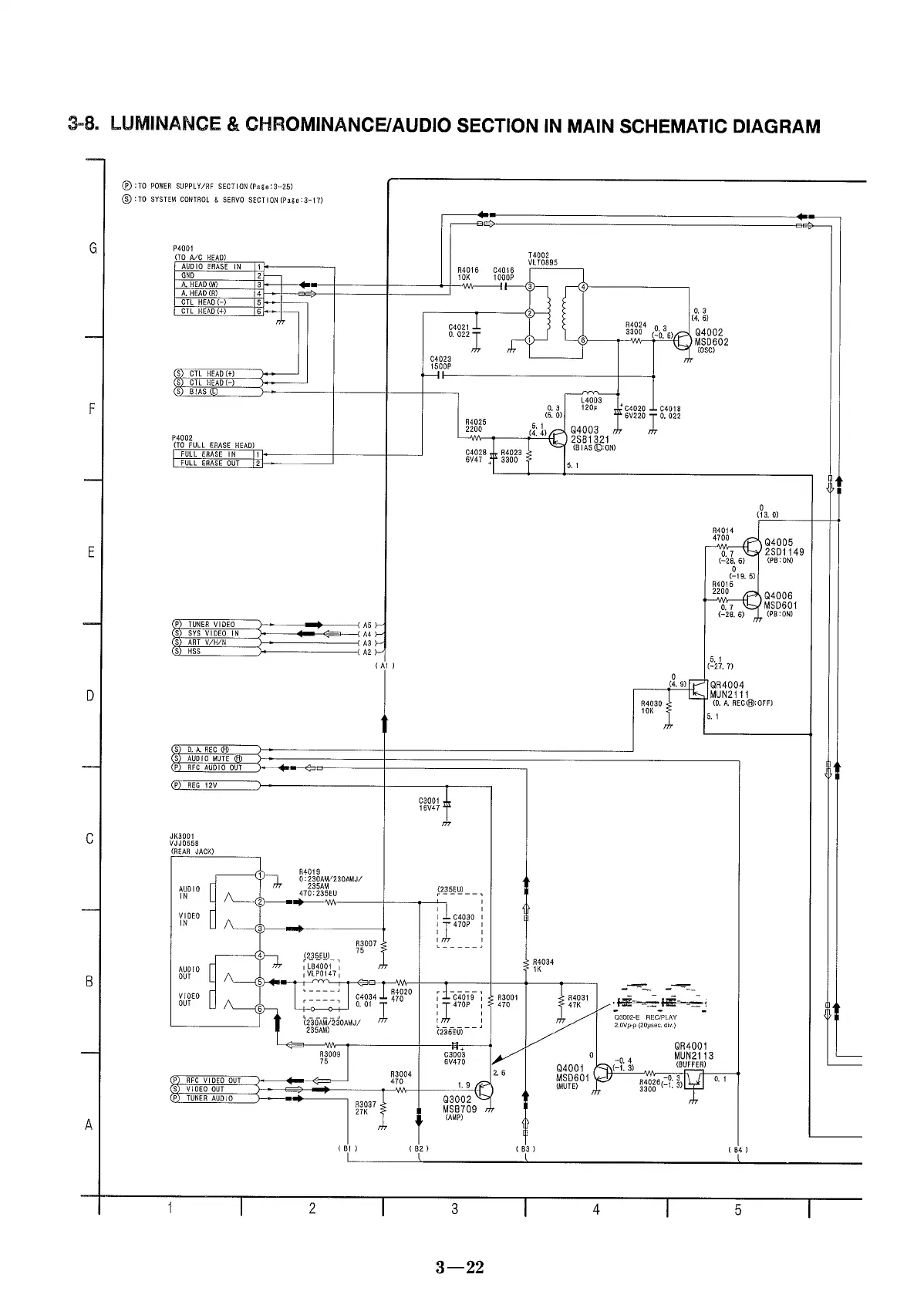
Panasonic NV-SD235 - Luminance & Chrominance;Audio Section in Main Schematic Diagram

Panasonic NV-SD235
104 pages
Print Icon
To Next Page IconTo Next Page
To Next Page IconTo Next Page
To Previous Page IconTo Previous Page
To Previous Page IconTo Previous Page
Loading...

Table of Contents

Related product manuals