EasyManua.ls Logo

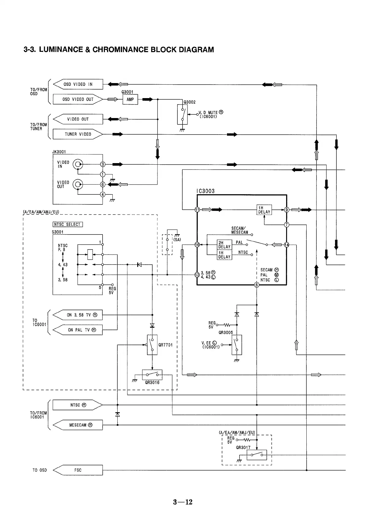
Panasonic NV-SD420 - 3-3. LUMINANCE & CHROMINANCE BLOCK DIAGRAM

Panasonic NV-SD420
73 pages
Print Icon
To Next Page IconTo Next Page
To Next Page IconTo Next Page
To Previous Page IconTo Previous Page
To Previous Page IconTo Previous Page
Loading...

Table of Contents

Related product manuals