EasyManua.ls Logo

Panasonic OLED-201806 - Page 46

Panasonic OLED-201806
87 pages
Print Icon
To Next Page IconTo Next Page
To Next Page IconTo Next Page
To Previous Page IconTo Previous Page
To Previous Page IconTo Previous Page
Loading...
P
A
GK
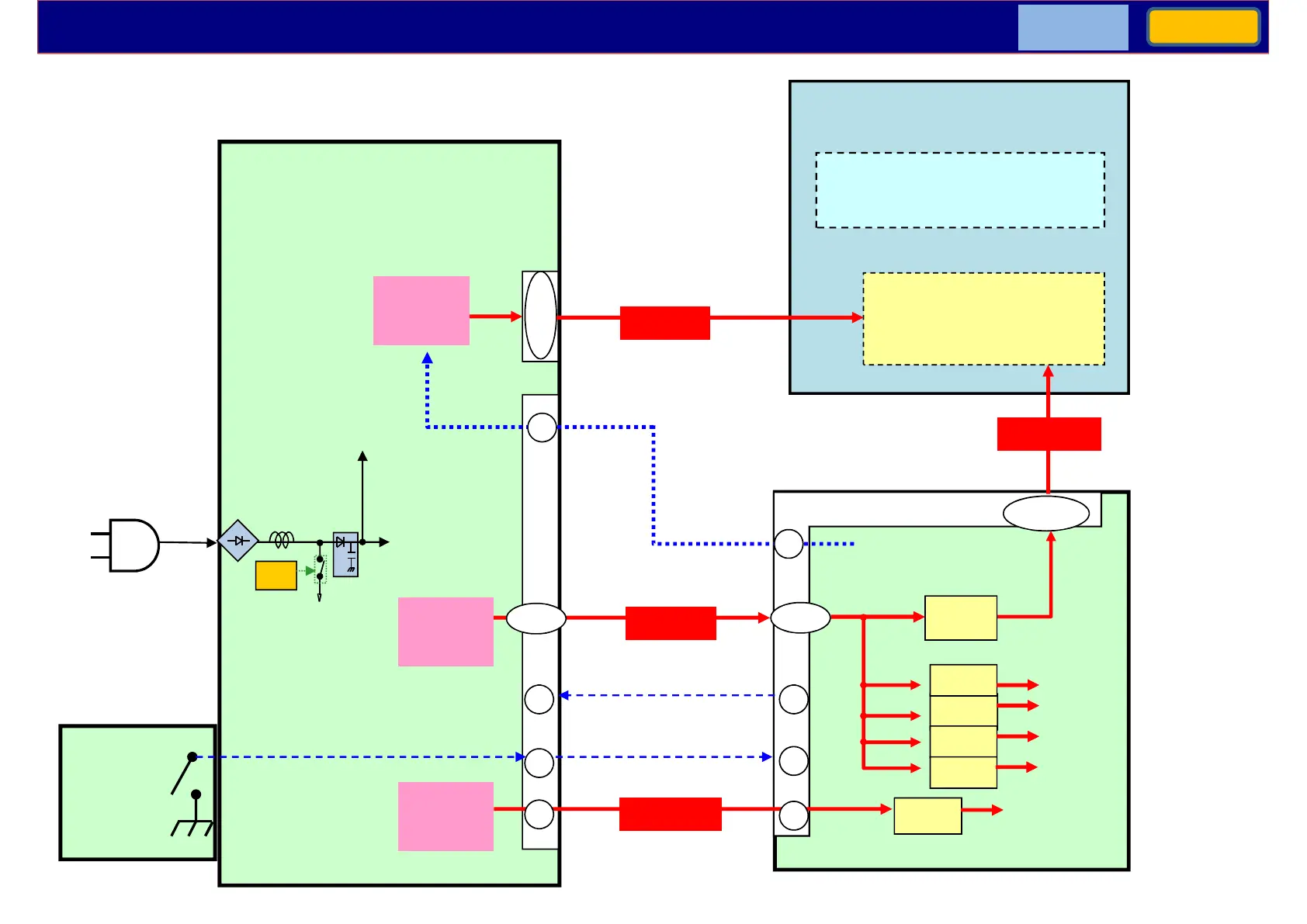
OLED Module
T-CON
board
OLED Panel
P3
P2
STB3.3V
F15V
STB5V
Output
PNL12V
16V
5VS
1-7
13
13
24 - 26
12V
3.3V
5V
1.5V
1.1V
3.3V
PNL12V
15 14
TV_SUB_ON
19
16
POWER_ON
POWER
Switch
EVDD_ON
(BL_ON)
46
A02
(TNPA6698** )
16V
Output
Reference: Voltage Distribution ( A+P Boards )
only 55FZ*** series
EVDD_ON
8
-
15
1-7
24V
Output
24V
OLED
<A+P>
17
19
PFC

Related product manuals