EasyManua.ls Logo

Panasonic OmniVision PV-D4745

Panasonic OmniVision PV-D4745
72 pages
To Next Page IconTo Next Page
To Next Page IconTo Next Page
To Previous Page IconTo Previous Page
To Previous Page IconTo Previous Page
Loading...
12
For assistance, please call : 1-800-211-PANA(7262) or, contact us via the web at:http://www.panasonic.com/contactinfo
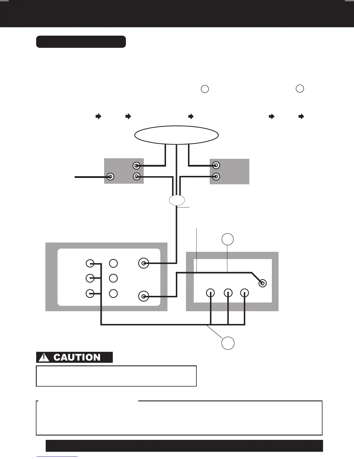
Connections
1 Disconnect antenna or cable from TV
and connect to DECK.
Basic Connections
Connect DECK and TV with an RF Coaxial Cable
a
(supplied) or an AV Cable
b
(not supplied) as shown in the figure below.
If your TV has AUDIO and VIDEO IN terminals, connect them to DECK for higher
quality picture and sound.
You can enjoy stereo sound even if your TV is not stereo by connecting a stereo
amplifier to DECK.
IN
FROM
ANT.
OUT
TO
TV
AUDIO
IN 1
OUT
DVD/VCR DECK
VHF/UHF
R
L
VIDEO
VHF/
UHF
VIDEO
IN
AUDIO IN
RL
TV
AV CABLE
(not supplied)
2 Connect DECK to TV with RF Coaxial Cable.
RF COAXIAL CABLE
(supplied)
a
b
DSS
Receiver
OUT
IN
IN
Note to CABLE system installer
This reminder is provided to call the CABLE system installers attention to Article 820-40 of the
NEC in USA (and to the Canadian Electrical Code in Canada) that provides guidelines for proper
grounding and, in particular, specifies that the cable ground shall be connected to the grounding
system of the building, as close to the point of cable entry as practical.
OUT
IN
Antenna or Cable
Cable Box
or
DECK TV
DSS Receiver DECK TV
Cable Box DECK TV
When using Nut type RF coaxial cables, tighten with
fingers only. Overtightening may damage terminals.
PV-D4745S P1-25 (041224).p65 2004/12/24, 13:1812

Related product manuals