Home
Panasonic
TV VCR Combo
QUASAR PV-C1350W
Page 187
Panasonic QUASAR PV-C1350W - Page 187
187 pages
Manual
To Previous Page
To Previous Page
Loading...
,,,,,,,,,,,,,,,,,,,,,,,,,,,,,,,
yyyyyyyyyyyyyyyyyyyyyyyyyyyyyyy
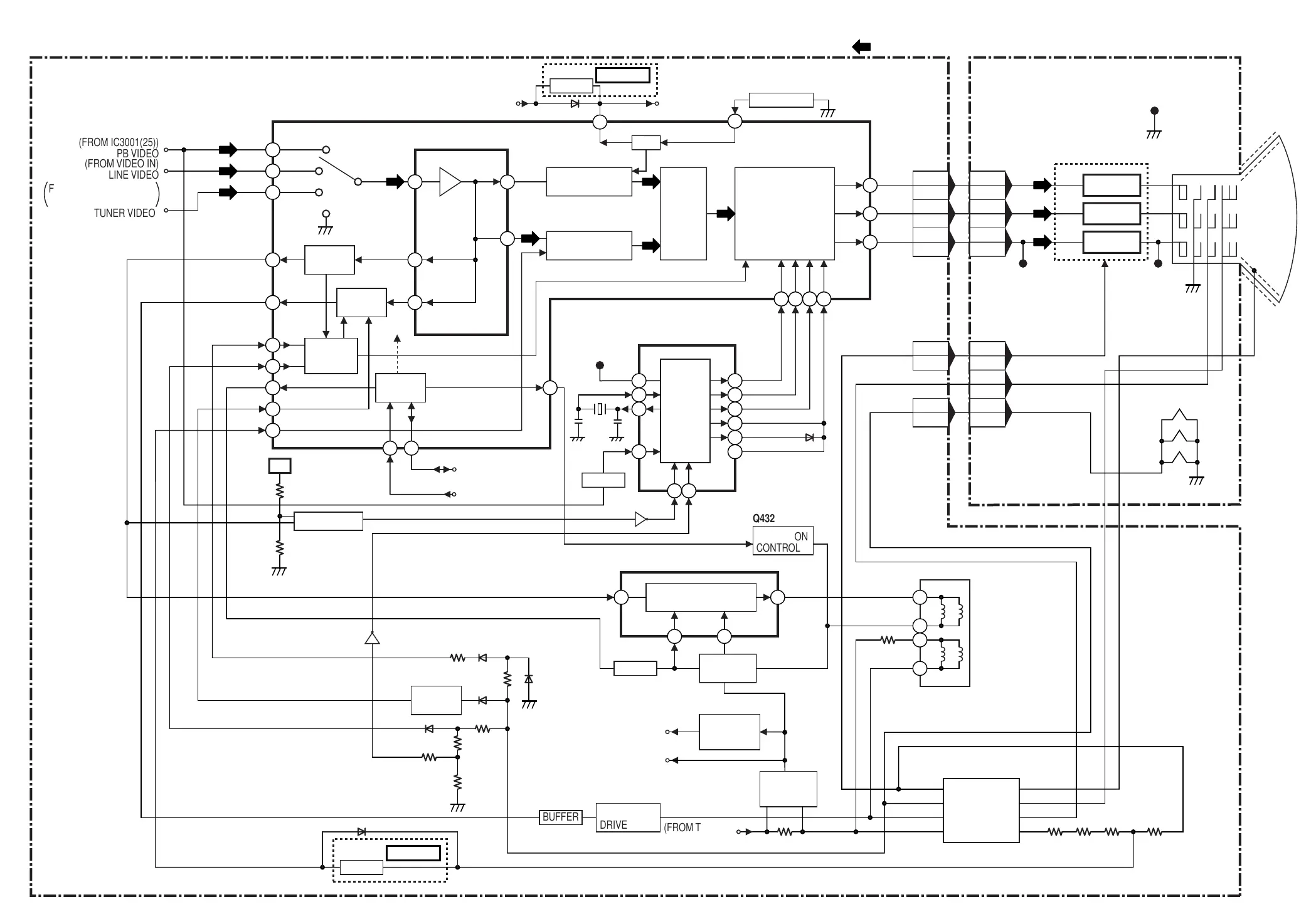
TUNER VIDEO
(FROM IC3001(25))
PB VIDEO
(FROM VIDEO
IN)
LINE VIDEO
FROM UHF/VHF
TUNER
/TV DEMODULA
TOR UNIT
PB
TUNER
MUTE
LINE
CHROMINANCE
SIGNAL PROCESS
MA
TRIX
OSD
CHARA
CTER
MIX/
BLANKING
LUMINANCE
SIGNAL PROCESS
I
2
C
CONTROL
BLANKING
BLUE AMP
GREEN AMP
RED AMP
Q351
Q352
Q353
RGB AMP
TP50
TP49
CR
T
V
.
HEIGHT CONTROL
DISPLA
Y
CONTROL
Q3311
(T
O/FROM IC6001(28))
I
2
C SERIAL D
A
T
A
(FROM IC6001(27))
I
2
C SERIAL CLOCK
+5V
BUFFER
BUFFER
BUFFER
VIDEO SIGNAL
Q3314
VER
TICAL DEFLECTION
DRIVE
IC5301
(LUMINANCE/CHROMINANCE PR
OCESS)
IC3301
(CCV/OSD MICROCONTR
OLLER)
IC451
(VER
TICAL DEFLECTION DRIVE)
Q431
(T
O POWER SUPPL
Y BLOCK)
O
VER CURRENT
Q506,Q507
,
,
,
,
,
,
,
,
,
Q571
Q501,Q551,
T501
,,
,,
,,
,,
,,
,,
,,
,,
,,
,,
,,
R503,C513
D503
D506
D504
D505
DC
CONVER
T
HORIZONT
AL
DRIVE
Q432,Q433,Q434
V POSITION
CONTROL
BUFFER
(FROM T801(13))
+115V
(T
O IC6001(82))
O
VER CURRENT(H)
O
VER
CURRENT
DETECT
OR
Q581
VER
TICAL
DEFLECTION
Y
OKE
HORIZONT
AL
DEFLECTION
Y
OKE
FL
Y BACK
TRANSFORMER
ANODE
FOCUS
ABL
SCREEN
VIDEO+B
+B
HEA
TER
COLLECT
OR
T551
HEA
TER
TP47
CRT C.B.A.
TV/VCR MAIN C.B.A.
Q3310
Q5302
Q3315
EXCESSIVE
CURRENT
PRO
TECT
OR
Q5301
Q5601
B
G
R
VCO
3.58MHz OSC
25
31
(T
O IC3001(82))
3.58MHz
(FROM IC6001(5))
3.58MHz
X5601
D5602
21
22
23
29
28
27
20
P351
4
P351
3
P5301
4
P5301
3
P5301
2
P351
2
P352
1
P357
1
P352
3
P552
1
P552
3
D5304
43
44
16
18
11
33
40
10
19
1
48
46
TP3301
X3301
32KHz
36
41
3
5
6
VIDEO MUTE
14
5
6
15
19
20
21
22
35
32
18
17
OSD-R
OSD-G
OSD-B
D3302
OSD-BLANKING
12
7
4
2
2
3
4
1
V
.
PULSE
PROCESS
H.
PULSE
PROCESS
COMP
ARA
T
OR
NOT USED
NOT USED
5
BUFFER
FEED BA
CK
CIRCUIT
186
Related product manuals
Panasonic QUASAR PV-C1320
187 pages
Panasonic QUASAR PV-C1340
187 pages
Panasonic QUASAR PV-C2030W
187 pages
Panasonic Quasar PVQ-1310
187 pages
Quasar Omnivision PVQ-1311
247 pages
Panasonic PV-M2079
52 pages
Panasonic PV-DF204
84 pages
Panasonic PV-M949W
48 pages
Panasonic PV-C1330W
48 pages
Panasonic PV-M2069W
48 pages
Omnivision VHS PV-C2061
48 pages
Omnivision VHS PV-M2035
34 pages