EasyManua.ls Logo

Panasonic QUASAR PV-C2030W

Panasonic QUASAR PV-C2030W
187 pages
To Next Page IconTo Next Page
To Next Page IconTo Next Page
To Previous Page IconTo Previous Page
To Previous Page IconTo Previous Page
Loading...
EZMPS300F12IC2505
4
3
1
2
Q2502
4
3
1
2
Q2503
4
3
1
2
Q2501
0.1
C2510
0.01
C2504
0.01
C2507
0.1
C2517
C2505
0.1C2509
0.1C2508
0.01
C2506
1000P
C2519
2200
R2505
1R2501
1R2502
C2511
0.1
C2520
2.2
C2522
2.2
C2521
2.2
C2523
C2524
C2525
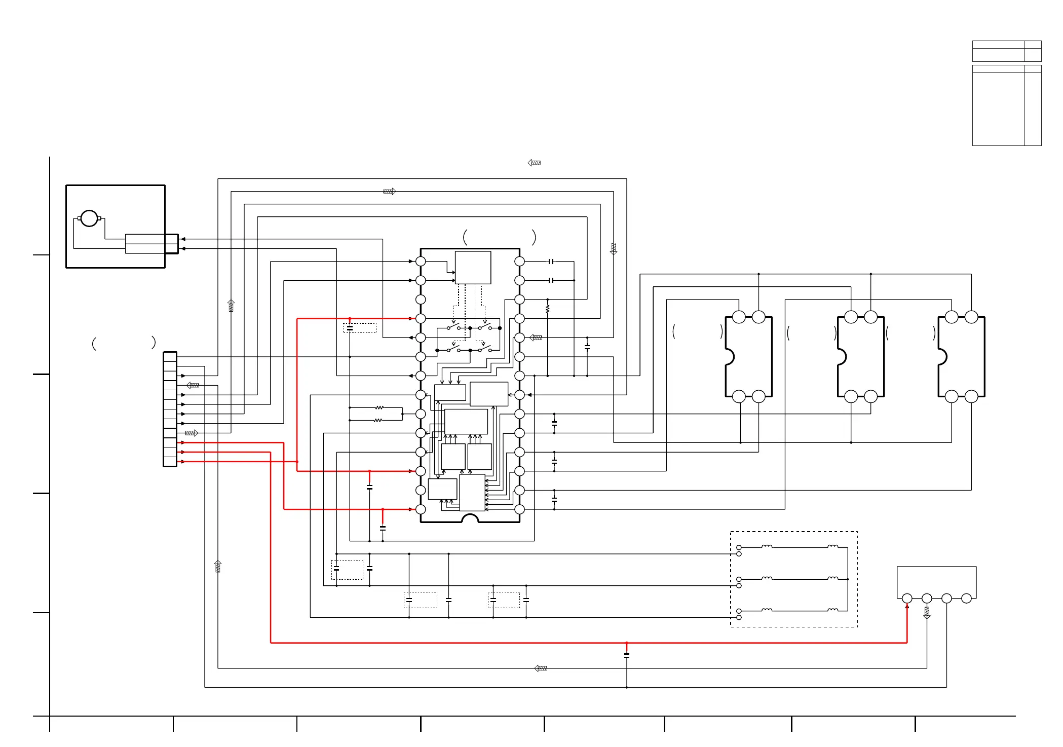
IC2501
AN3846SC
P2502
CAPSTAN COIL
VH+ VH+
H3-
H1+
H1-
H2+
H2-
H3+VH+
VH-
VCC OUT1 GND
VH- VH-
LD-M(-)
M
LOADING MOTOR UNIT
LD-M(+)
P2503
LOADING
MOTOR
2
1
CAPSTAN/LOADING
MOTOR DRIVE
TORQUE
COMMAND
POSITION
SIGNAL
PROCESS
VCC
LOADING
MOTOR
CONTROL
LOGIC
DIRECTION
CONTROL
LOGIC
CAPSTAN
MOTOR COIL
DRIVE
UPPER
DRIVE
CONTROL
GND
LOWER
DRIVE
CONTROL
DIRECTION
DETECT
12
11
10
9
8
7
6
5
3
1
2
4
2
A
VJBS2007
GB
3
HC
4
D
5
E
1
A
F
HALL
TRANSISTOR
HALL
TRANSISTOR
HALL
TRANSISTOR
CAPSTAN SERVO
1
14
12
13
11
10
15
16
17
18
19
20
21
22
23
24
2
3
4
5
6
7
8
9
25
26
27
28
3412
GND
CAP FG(-)
CAP DIRECTION
CAP FG(+)
CAP TORQ.LIM
LD-M FWD(H)
V-REF
LD-M REV(H)
CAP ERROR
UNSW +5V(SYS.CTL)
UNSW +5V(SYS.CTL)
SW +14V
TO MAIN C.B.A.
P6201
Z
1/8W
1/8W
Z
ZZ
(MR HEAD)
VOLTAGE CHART
NOTE:
FOR SCHEMATIC DIAGRAM AND CIRCUIT BOARD LAYOUT NOTES,
REFER TO BEGINNING OF SCHEMATIC SECTION.
COMPARISON CHART
OF MODELS & MARKS
PVQ-130W / PVQ-1300W
PVQ-130WA / PVQ-1300WA
E
M
MODEL MARK
Not Used
Not Used
Not Used
Not Used
Not Used
Not Used
Not Used
Not Used
Not Used
Not Used
Not Used
Not Used
A
B
C
D
F
G
H
I
J
K
L
Z
MODEL MARK
NOTE:
WHEN INSTALLING THE IC2501(AN3845SC) OR CAPSTAN STATOR C.B.A., BE SURE
TO APPLY SILICON GREASE(VFK1301). REFER TO "CAPSTAN STATOR C.B.A."
OF MACHANISM SECTION IN DISASSEMBLY/ASSEMBLY PROCEDURES.
NOTE:
THE FOLLOWING PARTS ON THE CAPSTAN STATOR C.B.A. ARE NOT SUPPLIED SEPARATELY.
PLEASE ORDER AND REPLACE WITH THE CIRCUIT BOARD ASSEMBLY INSTEAD OF INDIVIDUAL PARTS.
(Q2501, Q2502, Q2503, CAPSTAN COIL)

Related product manuals