EasyManua.ls Logo

Panasonic QUASAR PV-C2030W - Page 182

Panasonic QUASAR PV-C2030W
187 pages
To Next Page IconTo Next Page
To Next Page IconTo Next Page
To Previous Page IconTo Previous Page
To Previous Page IconTo Previous Page
Loading...
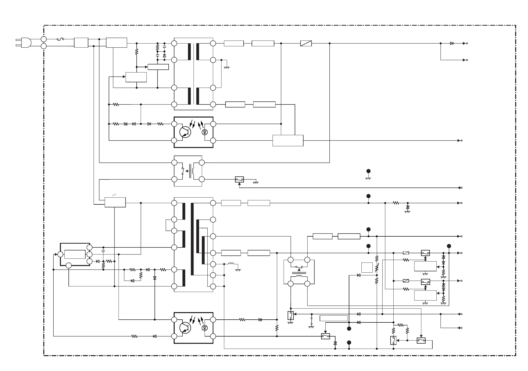
AC
IN
L803
F801
AC CORD
125V/4A
6
LINE
FILTER
FULL-WAVE
RECTIFIER
M2
M1
IC803 (ERROR VOLTAGE DET)
RL801
IC801
RECTIFIER
D810
SMOOTHING
C807, C814
SWITCHING
SMOOTHING
C811
RECTIFIER
D842
PR802
D883
PR1201
T802
OUTPUT VOLTAGE
DETECTOR
Q817, Q819, Q820
Q801
UNSW+5V (SYSCON)
UNSW+5V (VIDEO)
(FROM IC6001 (61))
POWER ON (L)
(FROM IC6001 (1))
POWER ON (H)
SW+115V
SW+30V
SW+12V
SW+14V
(FROM IC6001(47))
TV POWER ON (H)
(FROM TV Y/C PROCESS/
OSD/CCV/CRT BLOCK DIAGRAM)
OVER CURRENT
MAIN C.B.A.
D823
4
Q802
SWITCHING
CONTROL
SWITCHING
CONTROL
FULL-WAVE
RECTIFIER
Q807
1
2
8
9
10
7
8 RECTIFIER
D880
RECTIFIER
D815
T801
6
1
2
15
16
11
10
12
13
14
4
3
1
2
D839 D838
D811
SMOOTHING
C880
RECTIFIER
D814
SMOOTHING
C832
Q813
PR804
D851, D852
SMOOTHING
C830, C835
5
D832
D808
D809
D826
D807
D801 D804
Q822
Q821
D845
J801
VCR TEST MODE
D819
D837
TP1209
TP1201
TP1204
TP1203
TP1207
TP804
TP1208
D827
Q810
Q812
RL802
D818
R850
+115V
ADJ
D831
1
5
3
4
2
4
2
1
3
4
2
1
3
4
13
2 4
IC802 (ERROR VOLTAGE DET)
ERROR
VOLTAGE DET
D850
D834
ERROR
VOLTAGE DET
D836
Q814
Q823
Q815

Related product manuals