EasyManua.ls Logo

Panasonic RX-D15 - Page 57

Panasonic RX-D15
71 pages
Print Icon
To Next Page IconTo Next Page
To Next Page IconTo Next Page
To Previous Page IconTo Previous Page
To Previous Page IconTo Previous Page
Loading...
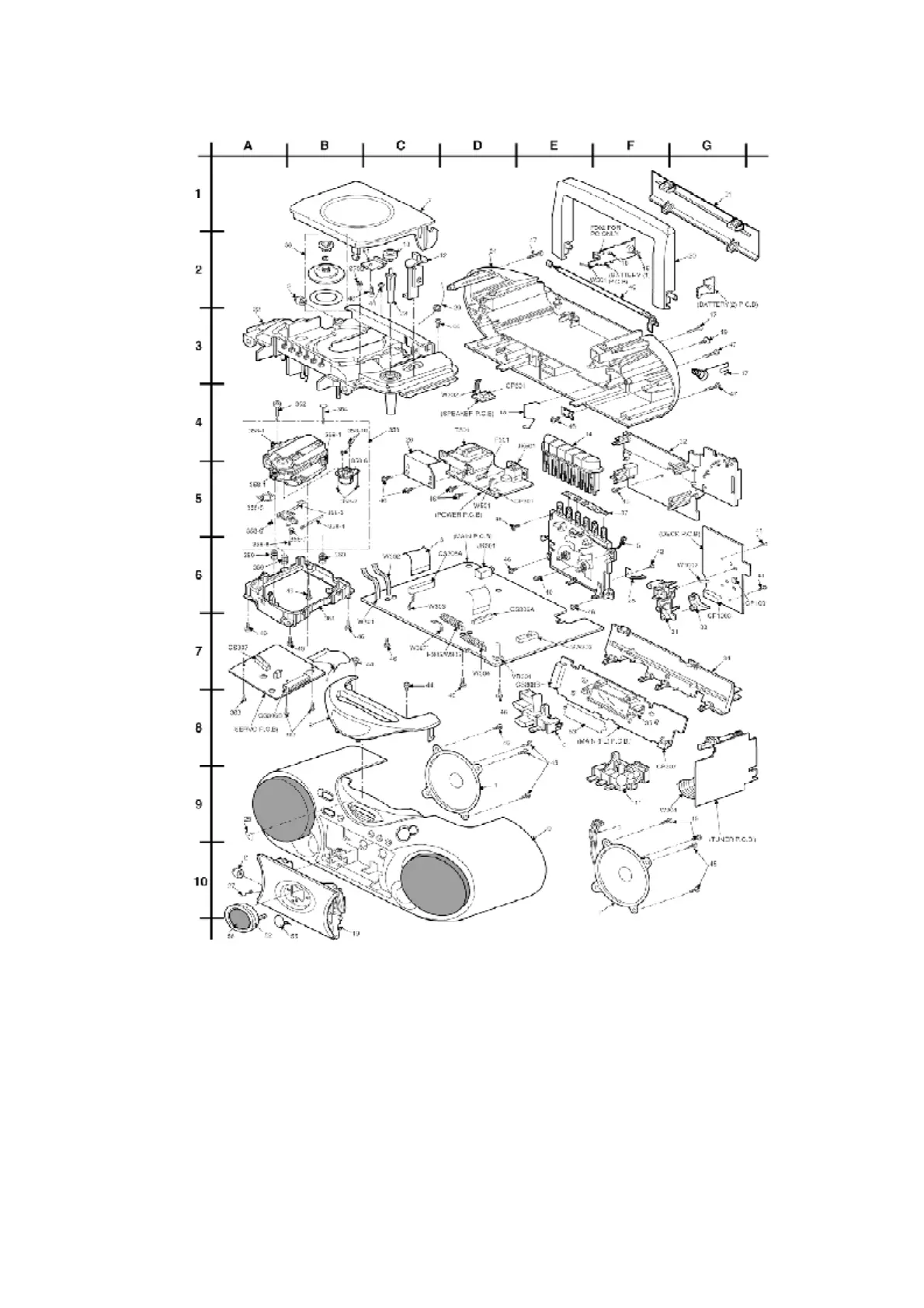
17.2.2. Cabinet & CD Loading Machanism Parts List

Other manuals for Panasonic RX-D15

Related product manuals