EasyManua.ls Logo

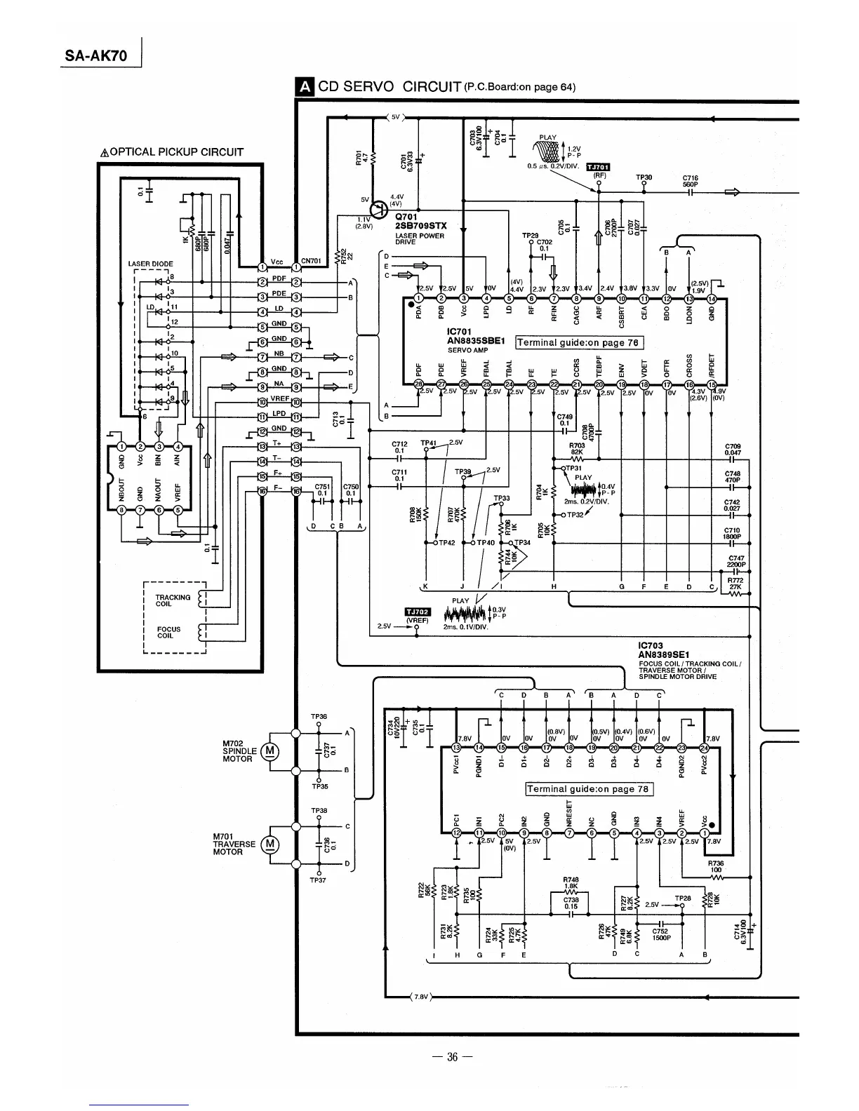
Panasonic SA-AK70 - CD Servo Circuit; Optical Pickup Circuit; Servo Amplifier (IC701)

Panasonic SA-AK70
35 pages
Print Icon
To Next Page IconTo Next Page
To Next Page IconTo Next Page
To Previous Page IconTo Previous Page
To Previous Page IconTo Previous Page
Loading...

Related product manuals