EasyManua.ls Logo

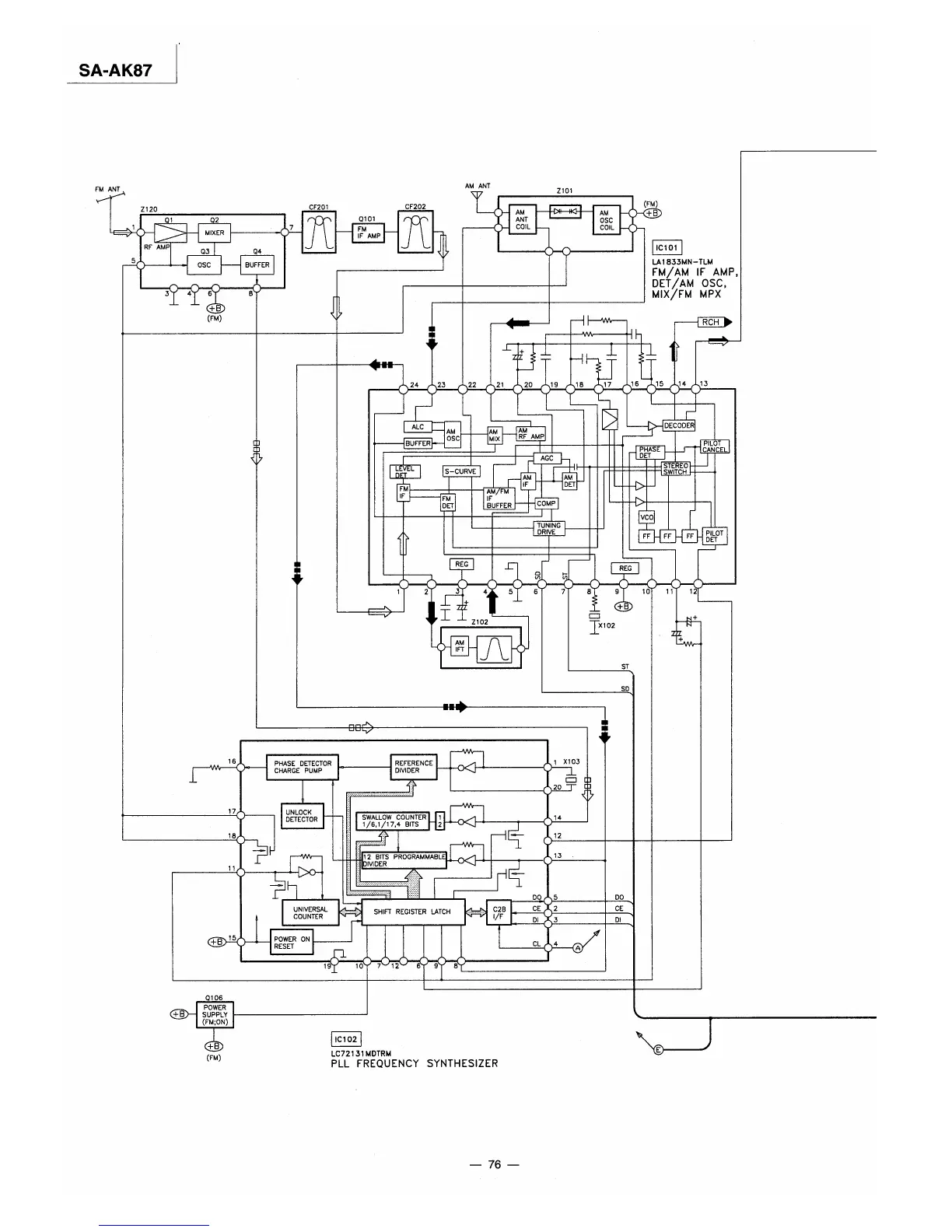
Panasonic SA-AK87 - Block Diagram: Tuner and Frequency Synthesis; Tuner Section Block Diagram; Frequency Synthesizer Block Diagram

Panasonic SA-AK87
106 pages
Print Icon
To Next Page IconTo Next Page
To Next Page IconTo Next Page
To Previous Page IconTo Previous Page
To Previous Page IconTo Previous Page
Loading...

Table of Contents

Related product manuals