EasyManua.ls Logo

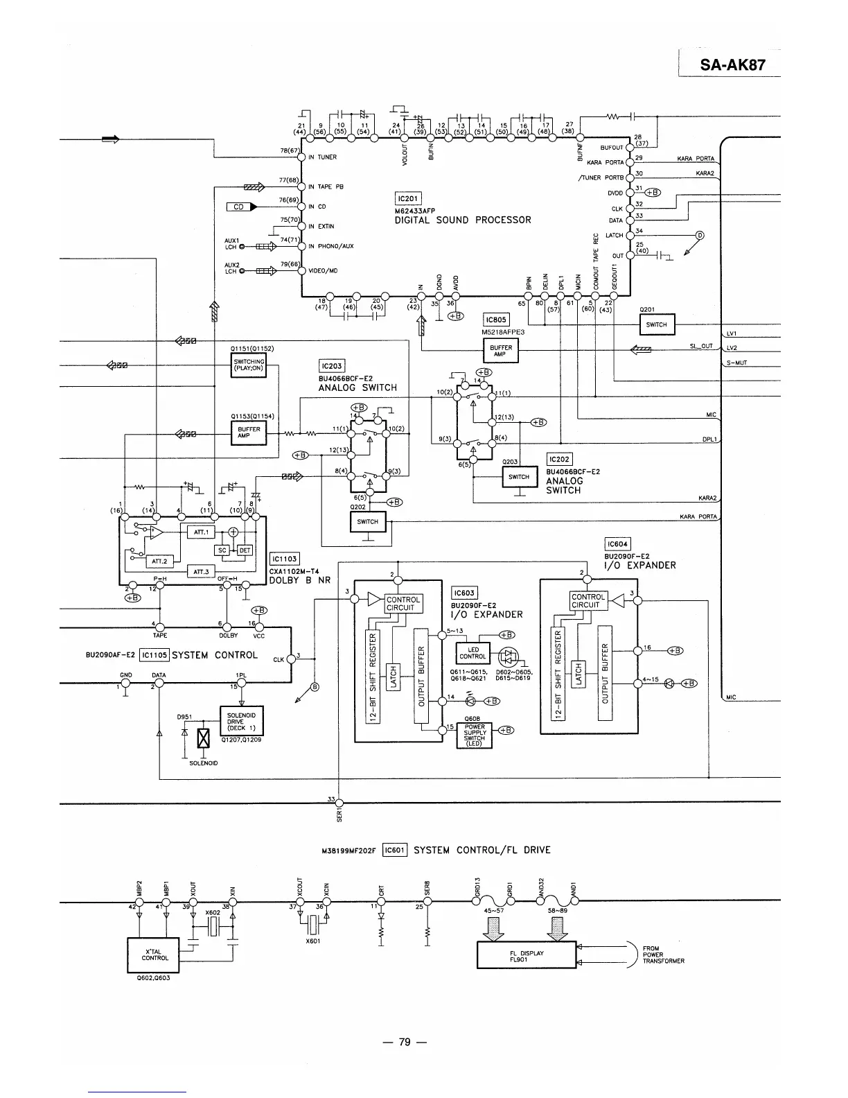
Panasonic SA-AK87 - Block Diagram: Digital Sound Processing and Karaoke; Digital Sound Processor Block Diagram; Karaoke Expander Block Diagram

Panasonic SA-AK87
106 pages
Print Icon
To Next Page IconTo Next Page
To Next Page IconTo Next Page
To Previous Page IconTo Previous Page
To Previous Page IconTo Previous Page
Loading...

Table of Contents

Related product manuals