EasyManua.ls Logo

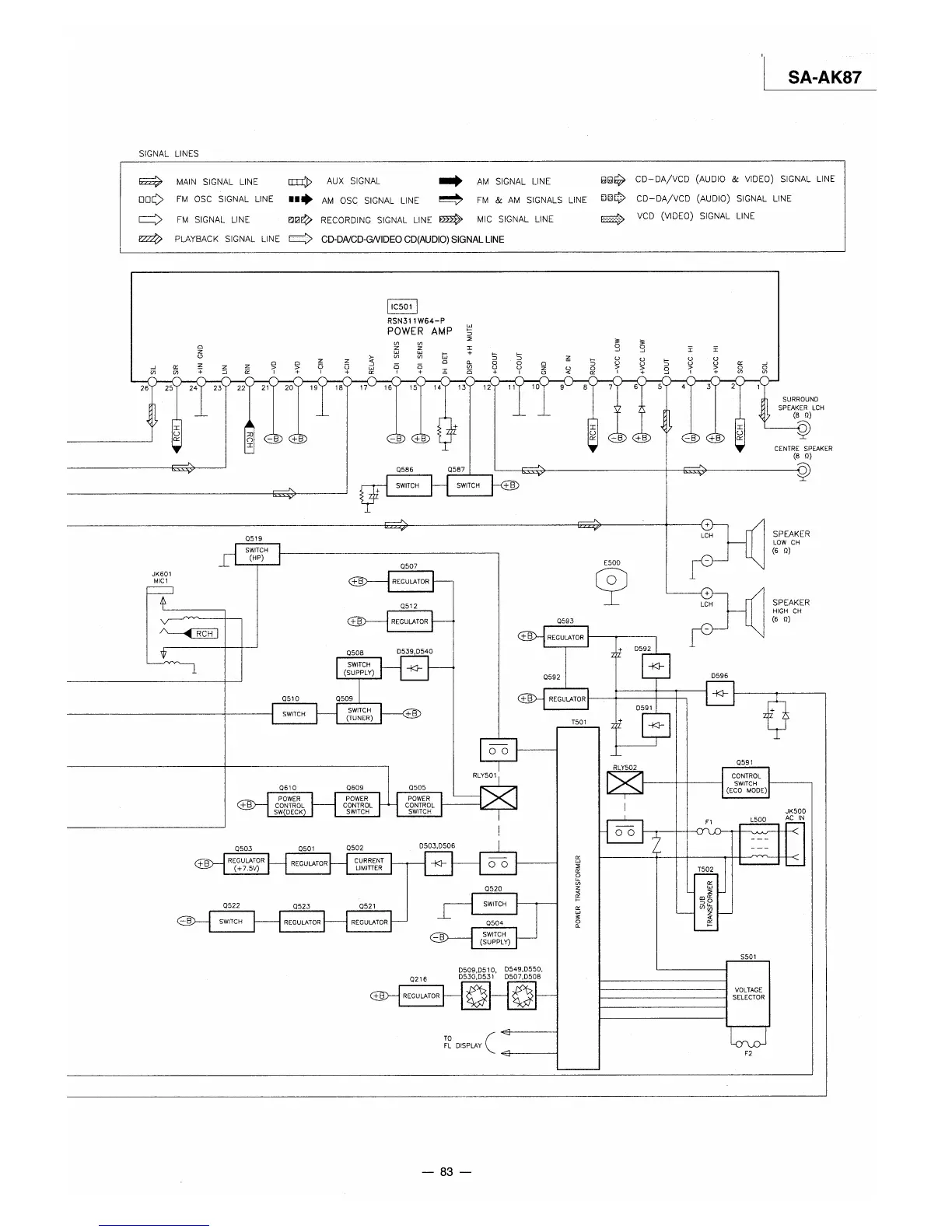
Panasonic SA-AK87 - Block Diagram: Power Amplifier; Power Amplifier Signal Flow Illustration

Panasonic SA-AK87
106 pages
Print Icon
To Next Page IconTo Next Page
To Next Page IconTo Next Page
To Previous Page IconTo Previous Page
To Previous Page IconTo Previous Page
Loading...

Table of Contents

Related product manuals