EasyManua.ls Logo

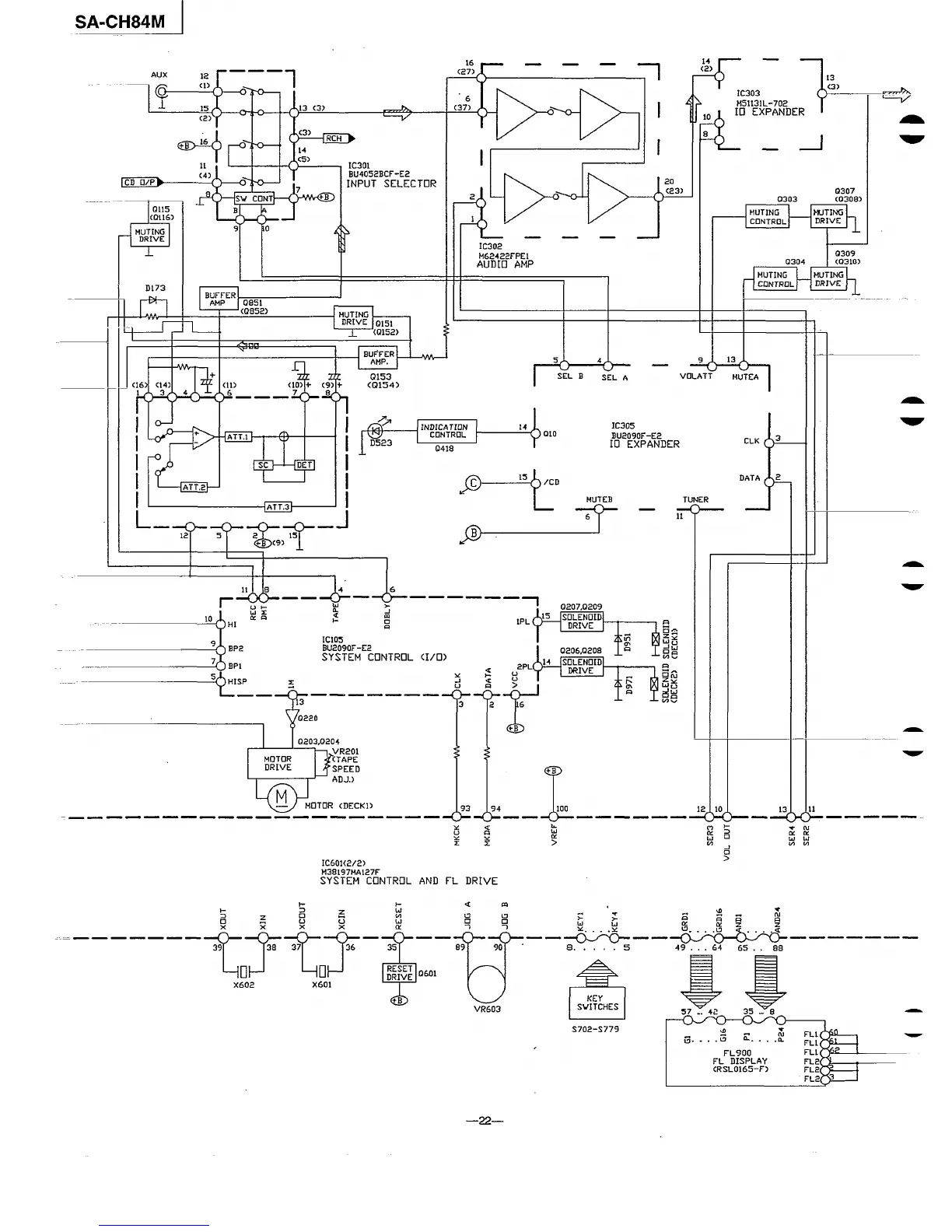
Panasonic SA-CH84M - Block Diagram - Input Selector and Audio Amplifier

Panasonic SA-CH84M
72 pages
Print Icon
To Next Page IconTo Next Page
To Next Page IconTo Next Page
To Previous Page IconTo Previous Page
To Previous Page IconTo Previous Page
Loading...

Table of Contents

Related product manuals