EasyManua.ls Logo

Panasonic SA-PM07E - Schematic Diagram - 4: Main Circuit; B Main Circuit (Part 2)

Panasonic SA-PM07E
19 pages
Print Icon
To Next Page IconTo Next Page
To Next Page IconTo Next Page
To Previous Page IconTo Previous Page
To Previous Page IconTo Previous Page
Loading...
TO
DECK CIRCUIT
(WH1302/W1302) ON
SCHEMATIC
DIAGRAM-8
R849 100K
R848 100K
R838 100K
R837 100K
R836 100K
R835 100K
R834 47K
C822
100P
C825
100P
C823 330P
C824 100P
C821
0.01
R827 1K
R826 1K
R825 1K
R824 1K
D807
R823 100K
C839
6.3V47
R822 1K
R821 1K
R820 1K
R847 4.7K
R213
4.7K
R214
12K
C215
2200P
R414
12K
C415
2200P
R413 4.7K
C216
0.056
R215
2.7K
R229
3.9K
C416
0.056
R415
2.7K
R429
3.9K
C217
0.039
R221
330K
R220
270
R218
33K
R217
220K
R216
4.7K
R219
12K
C218
0.039
C219
25V33
R421
330K
C417
0.039
R420
270
R418
33K
C418
0.039
R419 12K
C841
0.1
C419
25V33
R416 4.7K
R417 220K
R352
2.2K
D350
C355
16V47
R232
1K
R432
1K
C358
16V47
R354
10K
Q403
Q402
Q404
Q204
Q203
Q202
Q301 Q302 Q303
C316
100P
C317
100P
C318
100P
Q805
Q804
IC802
C826
220P
IC401
R879 4.7K
R833
100K
R829
100K
R831
100K
C301
1000P
C302
1000P
R305
10K
R304
10K
R301
10K
R303
10K
R302
10K
C308 220P
C307 220P
R306
4.7K
R308
4.7K
R307
4.7K
R309
10K
R311
10K
R313
4.7K
R310
4.7K
R312
10K
C315
100P
C313
100P
C311 0.01
TO
CD SERVO CIRCUIT
(CN702) ON
SCHEMATIC
DIAGRAM-2
CN301CN1303CN1302
TO
DECK CIRCUIT
(CN1303) ON
SCHEMATIC
DIAGRAM-8
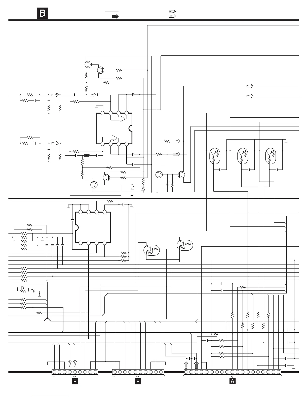
MAIN CIRCUIT
SCHEMATIC DIAGRAM-4
IC802
C3EBCG000008
EEPROM
IC401
C0ABBB000127
OP AMP
BP
PHOTO
DMT_L
TUNER_SD
STAT
SUBQ
BLKCK
MCLK
MDATA
MLD
CD_OPEN_SW
LOADING
CD
RESET
SQCK
MOTOR_H
PL_H
CD_A_
GND
CD_LOUT
CD
ROUT
CD7.5V
P_GND
VCC
NC
GND
DO
DI
NC
VCC
CS
CLK
REC_LCH
REC_RCH
PB_RCH
PB_LCH
MOTOR_L
PL_L
MOTOR_9V
MOTOR
GND
A9.5V
9V_GND
RECH
BP
DMT_L
AN7
AN4
VREF+
PHOTO
: +B SIGNAL LINE
: MAIN SIGNAL LINE
Q202, 203
KTD1304TA
AGC SWITCH
Q805
DTC143XUA106
PLUNGER CONTROL
SWITCH
Q204, 404
KTC3875GRTA
MUTING SWITCH
Q402, 403
KTD1304TA
AGC SWITCH
Q301
KRC101STA
BLK CLK INTERFACE
Q804
DTC143XUA106
MOTOR ON/OFF
SWITCH
C304
1000P
C314 100P
REST_SW
Q302
KRC101STA
SUBQ INTERFACE
Q303
KRC101STA
STATUS INTERFACE
: PLAYBACK LINE
: CD SIGNAL LINE
1234
5 6 7 8
1
2 3
4
5
678
2
4
6
8
9
7
5
3
1
19
18
17
16
15
14
13
12
11
10
2
4
6
89 7 5 3
1
10
2
4
6
8
9
7
5
3
1

Related product manuals