EasyManua.ls Logo

Panasonic SA-PM11 - Page 88

Panasonic SA-PM11
110 pages
Print Icon
To Next Page IconTo Next Page
To Next Page IconTo Next Page
To Previous Page IconTo Previous Page
To Previous Page IconTo Previous Page
Loading...
H600
C659 22P
C661
22P
C664
1000P
C663
C657
39P
C656
39P
X600
R934
4.7K
R931
4.7K
PLGR
MOTOR
DVREF+
DECK_AD1
DECK_AD2
3
5
7
6
4
2
1
3
5
6
4
2
1
Q608
Q609
C658
50V1
C652
100P
D638
7
8
9
10
DMT
BP
REC_H
CRO2
8
9
10
11
12
13
14
15
16
17
18
19
3
5
7
6
4
2
1
8
9
10
11
12
13
14
15
16
17
18
19
20
21
22
23
24
1
3
4
2
TO
CASSETTE
DECK CIRCUIT
(CN1303) on
SCHEMATIC
DIAGRAM-9
1000P
Q607
C662
50V2.2
C655
100P
R933
470
D643
Q611
R938
4.7K
R937
470K
Q610
R642
3.9K
D607
R968
5.6K
D648
R966
680
D605
D606
R965
680
D649
D603
D602
R964
680
D601
D604
R900
4.7K
R944
4.7K
R943
4.7K
R959
4.7K
Q902
R960
1K
R970
10K
R971
10K
R972
10K
Q901
Q903
R948
4.7K
R954
10K
R955
5.6K
D647
R956
5.6K
R957
5.6K
R958
5.6K
D640
D641
D642
R945 100
R946 100
R947 100
D644
D645
R950
22K
C902
0.1
R939
100K
R940
100K
R941
100K
C900
100P
C901
100P
R921 5.6K
D646
PLED
SYNC
SYS6V
H601
VREF+
HPSW
HPL
HPR
HP_GND
L_MUTE
MUTEA
CD
DGND
CHG_AD1
CHG_AD2
ASP_DATA
ASP_CLK
ASP_LATCH
SD
PCONT
PLLCE1
PLLDA
PLLCLK
SQCLK/STD_DD
CDAGND
DVREF+
CDL
CDR
CD3.3V
DVREF+
PLLCE1
CD
PLLCLK
PLLDA
PLLCE
SQCLK/ST_DD
CDRST
SUBQ
BLKCLK
RESTSW
STATUS
DVREF+
LED15V
SYS6V2
SYS6V
DVREF+
PLED
SYS6V
SYNC
VREF+
TO
TRANSFORMER
CIRCUIT
(CN502) on
SCHEMATIC
DIAGRAM-14
MOTOR
PLGR
GND
DVREF+
DECK_AD1
DECK_AD2
DMT
BP
REC_H
CRO2
CP606
RESTSW
RST
STAT
SUBQ
SQCK
BLKCLK
SPEED
MLD
MDATA
MCLK
PGND
+7.5V
TX
LD_SW
DGND
CD3.3V
RCH_OUT
AGND
LCH_OUT
CP602
SQCLK
PLLCLK
PLLDA
PLLCE1
PCONT
SD
ASP_LATCH
ASP_CLK
ASP_DATA
CHG_AD2
CHG_AD1
DGND
CD
MUTEA
L_MUTE
HP_GND
HPR
HPL
HPSW
VREF+
TO
CD SERVO
CIRCUIT
(CN702) on
SCHEMATIC
DIAGRAM-2
TO
MAIN CIRCUIT
(CN302) on
SCHEMATIC
DIAGRAM-4
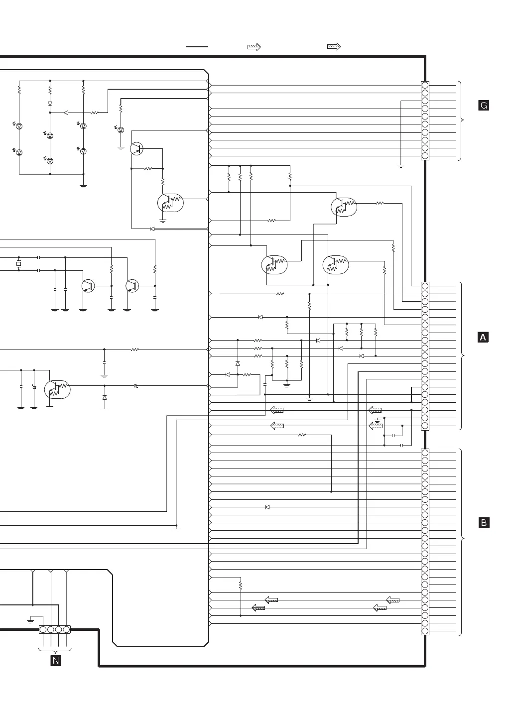
SCHEMATIC DIAGRAM-7
Q607
Q608, 609
Q611
Q610
Q901
Q902
Q903
: +B Line
: CD Signal Line
: Main Signal Line
SYS6V
SWITCH CD SUBQ
SWITCH CD STATUS
SWITCH CD BLKCLK
VREF+
R984
1K
POWER RESET SWITCH
SYSTEM OSCILLATING
SWITCHING
LED SWITCH
SWITCH SUPPLY
FOR DECK
KRC103STA
KTC3199GRTA
KRC102STA
KTA1504GRTA
KRC101MTA
KRC101MTA
KRC101MTA
((0.04V))
((5.26V))
((0.04V))
((0.48V))
((0.03V))
((0.04V))
((0.04V))
((0.75V))
((0.03V))
((0.05V))
((0.04V))
((4.93V))
((5.49V))
((5.50V))
((4.80V))
((0.18V))
((1.55V))
((0.09V))
((0.83V))
((1.20V))
((0.09V))
((5.41V))
((0.11V))
((0.09V))

Related product manuals