EasyManua.ls Logo

Panasonic SA-PM29E - Block Diagram; 16.1. CD Servo Block

Panasonic SA-PM29E
76 pages
Print Icon
To Next Page IconTo Next Page
To Next Page IconTo Next Page
To Previous Page IconTo Previous Page
To Previous Page IconTo Previous Page
Loading...
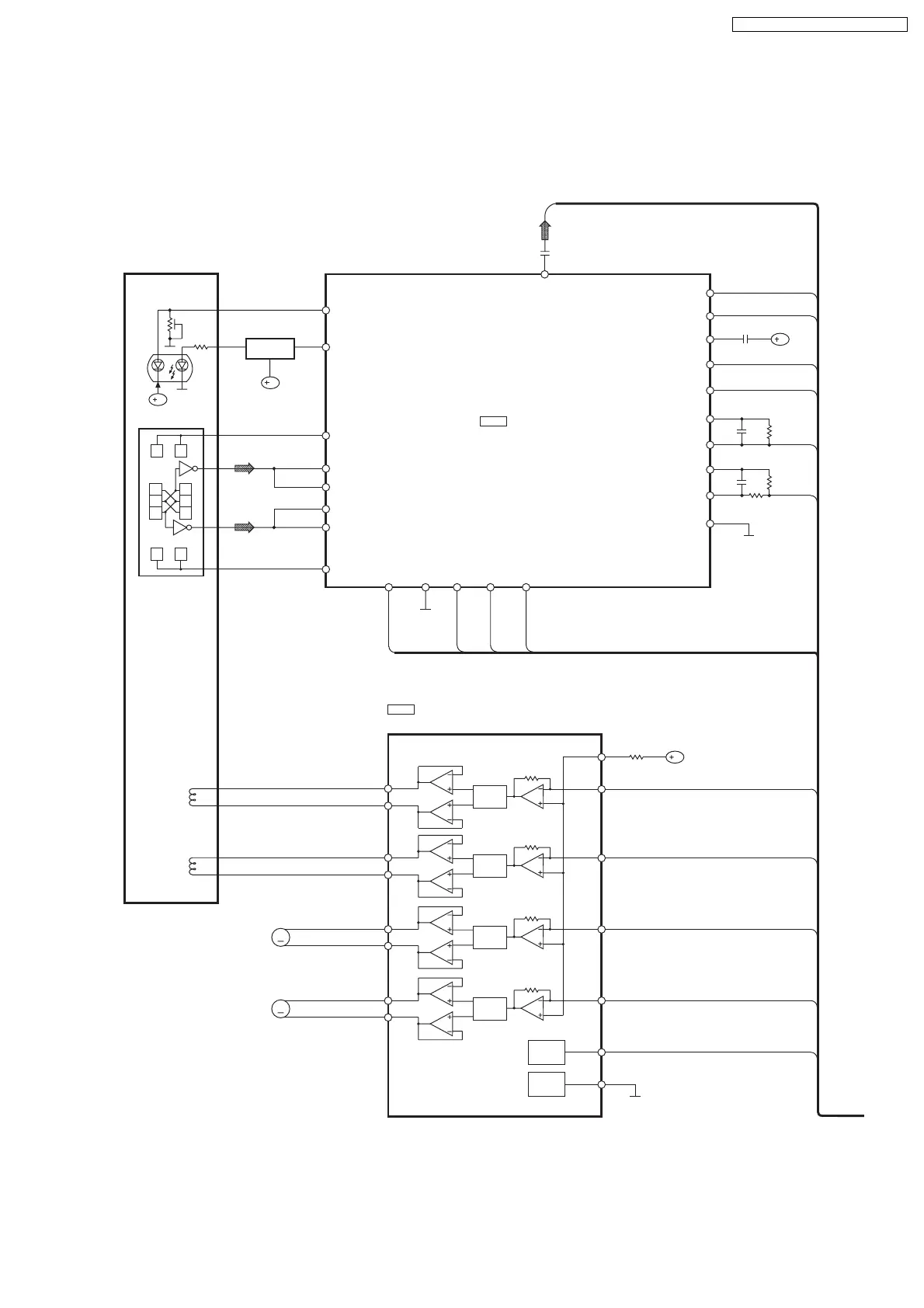
16 Block Diagram
16.1. CD Servo Block
MUTE
[CH1]
LEVEL
SHIFT
[CH3]
LEVEL
SHIFT
[CH4]
LEVEL
SHIFT
[CH2]
LEVEL
SHIFT
[CH1]
MUTE
[CH2]
1
LPD
32
C
2
LD
IC701
AN22004A-NF
HEAD AMP
LDON
16
LDON
EQSW
4
GCTL
24
FCLK
TBAL
26
TBAL
FBAL
25
FBAL
BDO
13
BDO
OFTR
14
OFTR
CEA
9
ENV
10
ENV
/RFDET
15
/RFDET
FEN
22
FEOUT
23
FE
B
TEN
20
TEOUT
21
TE
PDOWN
16
8
RF
RF
IN4
27
TRP
IN3
28
FOP
IN2
1
TVD
IN1
3
ECS
PC2
2
VREF
26
D4-
17
D4+
18
D3-
15
D3+
16
D2+
14
D2-
13
M701
TRAVERSE
MOTOR
D1+
12
D1-
11
M702
SPINDLE
MOTOR
B
EE EE
EFEF
D C
A B
D C
FOCUS
COIL
TRACKING
COIL
T+
OPTICAL PICKUP
PHOTO DETECTOR
SEMICONDUCTOR
LASER
F+
F-
T-
Q701
LASER
POWER DRIVE
30
B
27
E
31
A
29
D
28
F
B
PC1
4
PC
B
M
M
IC703
BA5948FPE2
4CH DRIVE
61
SA-PM29E / SA-PM29EB / SA-PM29EG

Related product manuals