EasyManua.ls Logo

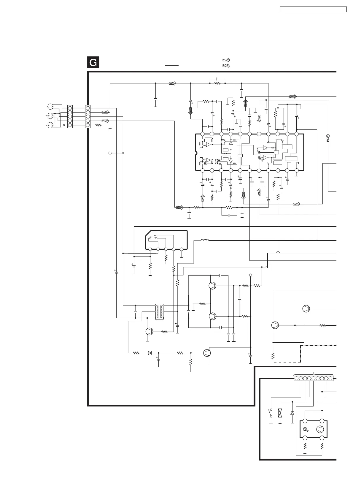
Panasonic SA-PM29E - 18.4. Deck Circuit, Deck Mechanism Circuit and Tape Eject Circuit

Panasonic SA-PM29E
76 pages
Print Icon
To Next Page IconTo Next Page
To Next Page IconTo Next Page
To Previous Page IconTo Previous Page
To Previous Page IconTo Previous Page
Loading...
18.4. Deck Circuit, Deck Mechanism Circuit and Tape Eject Circuit
4
2
3
5
1
PBLIN
PBRIN
CP1301
C1323
50V1
C1324
16V47
R1338
4.7K
R1334
22K
R1333
4.7
R1327
4.7K
R1335
1.5K
Q1317
2SD2114K1V
BEAT PROOF LEVEL SWITCH
R1337
10K
R1331
7.5K
R1332
10K
Q1312
B1ABCF000011
SWITCH
C1314
0.0022
C1315
0.0022
C1311
16V47
C1317
0.001
C1312
0.0033
C1318
0.047
R1330
4.7
Q1309, Q1310
B1AAGC000006
BIAS SWITCH
Q1309
C1316
0.001
RECH1
L1302
RLQB470JTD-D
D1301
B0ACCK000005
C1320
50V1
C1319
16V100
R1329
4.7K
R1328
15K
Q1310
Q1312
Q1317
C1321
0.0047
C1202
0.001
C1201
50V1
C1203
16V100
C1221
0.001
R1202
1.5K
C1207
1500P
C1206
50V2.2
R1204
10K
C1301
50V0.1
R1201
33
R1203 18K
C1205
470P
C1222
0.01
C1371
0.01
C1223
270P
C1208
16V10
R1304 22K
R1305
10K
C1305
16V33
C1308
16V22
C1102
1000P
C1101
50V1
R1101
33
C1104
0.027
C1103
16V100
C1121
0.001
R1102
1.5K
C1107
1500P
C1106
50V2.2
C1302
0.033
R1104
10K
C1122
0.01
R1103
18K
C1105 470P
R1302
470
C1303
0.033
C1123
270P
C1108
16V10
R1303
4.7M
C1304
50V4.7
C1307
10V220
Vcc
Nor/Cro
SW
ALC
PB/REC
SW
REC
Lout
REC
Lin
TPS
GAIN
ADJ
ALC
LOW
OUT
TPS
PB
L out
Rout
PB
PB
L EQ
PB
R EQ
PB
L NF
PB
Lin
PB
Rin
12
13
14
15
16
1718
19
20
2122
RF
GND
REC
Rout
REC
Rin
TPS
Out
PB
R NF
10
5
4
3
2
1
6
7
8
911
REC AMP (R)
REC AMP (L)
PB AMP (R)
PB AMP (L)
Rec
Mute
Mute
TPS
PB
Rec
Rec
PB
PB
-
+
-
+
ALC
PB
Rec
Rec
PB
NOR/Chro
LOGIC
RIPPLE
REJECTION
REC/PB
LOGIC
IC1001
RECH1
C1204
0.027
MODE
HALF
PL
PL_GND
PHOTO_T
RECINH_F
VREF+
VREF-
CR02
R1062
0
R1063
0
R1061 0
12 435
VCC
H=OFF
IC1000
C1AA00000612
ANALOG SWITCH IC
L1301
7L1A62N
6
5
4
TP6
4
2
1
3
5
TP3
SCHEMATIC DIAGRAM-10
IC1001
AN7326K
P/B REC AMP IC
DECK CIRCUIT
1
2
3
: +B SIGNAL LINE
: TAPE PLAYBACK SIGNAL LINE
: TAPE RECORD SIGNAL LINE
Q1306
B1ABCF000011
SWITCH
R1320
100K
R1321
47
Q1307
B1ABCF000011
SWITCH
1
2
3
4
5
6
8
7
9
31
24
CS971
IC971
CNB13030R2AU
PHOTO INTERRUPTER
S973
(ATS/CrO
2
)
SOLENOIDSOLENOID
D971
MA2C16500E
R973
39K
R972
820
79
SA-PM29E / SA-PM29EB / SA-PM29EG

Related product manuals