EasyManua.ls Logo

Panasonic SA-PM65MD - MD Mechanism Parts List

Panasonic SA-PM65MD
144 pages
Print Icon
To Next Page IconTo Next Page
To Next Page IconTo Next Page
To Previous Page IconTo Previous Page
To Previous Page IconTo Previous Page
Loading...
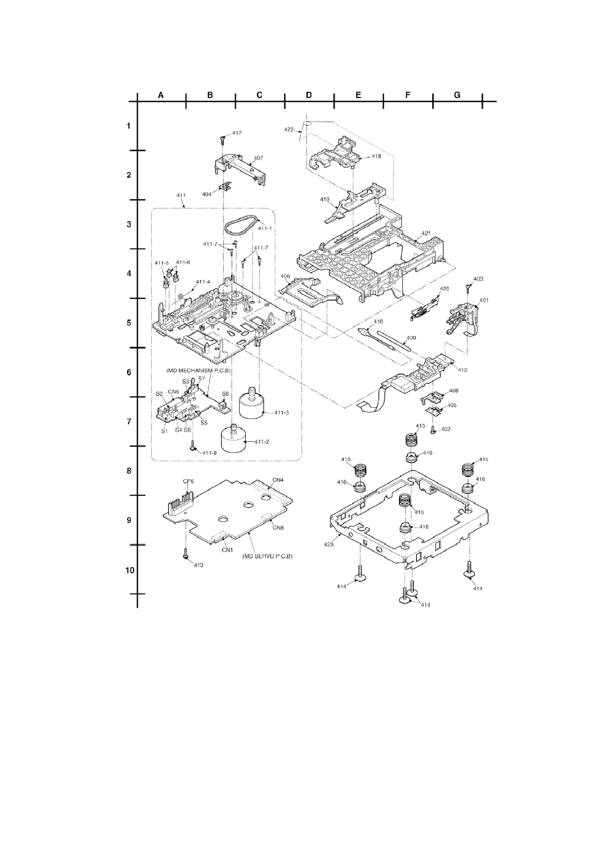
18.1.2. MD Mechanism Parts List
75

Related product manuals