EasyManua.ls Logo

Panasonic SA-PMX70EG - Checking of Main and CD Interface P.C.B.

Panasonic SA-PMX70EG
65 pages
Print Icon
To Next Page IconTo Next Page
To Next Page IconTo Next Page
To Previous Page IconTo Previous Page
To Previous Page IconTo Previous Page
Loading...
39
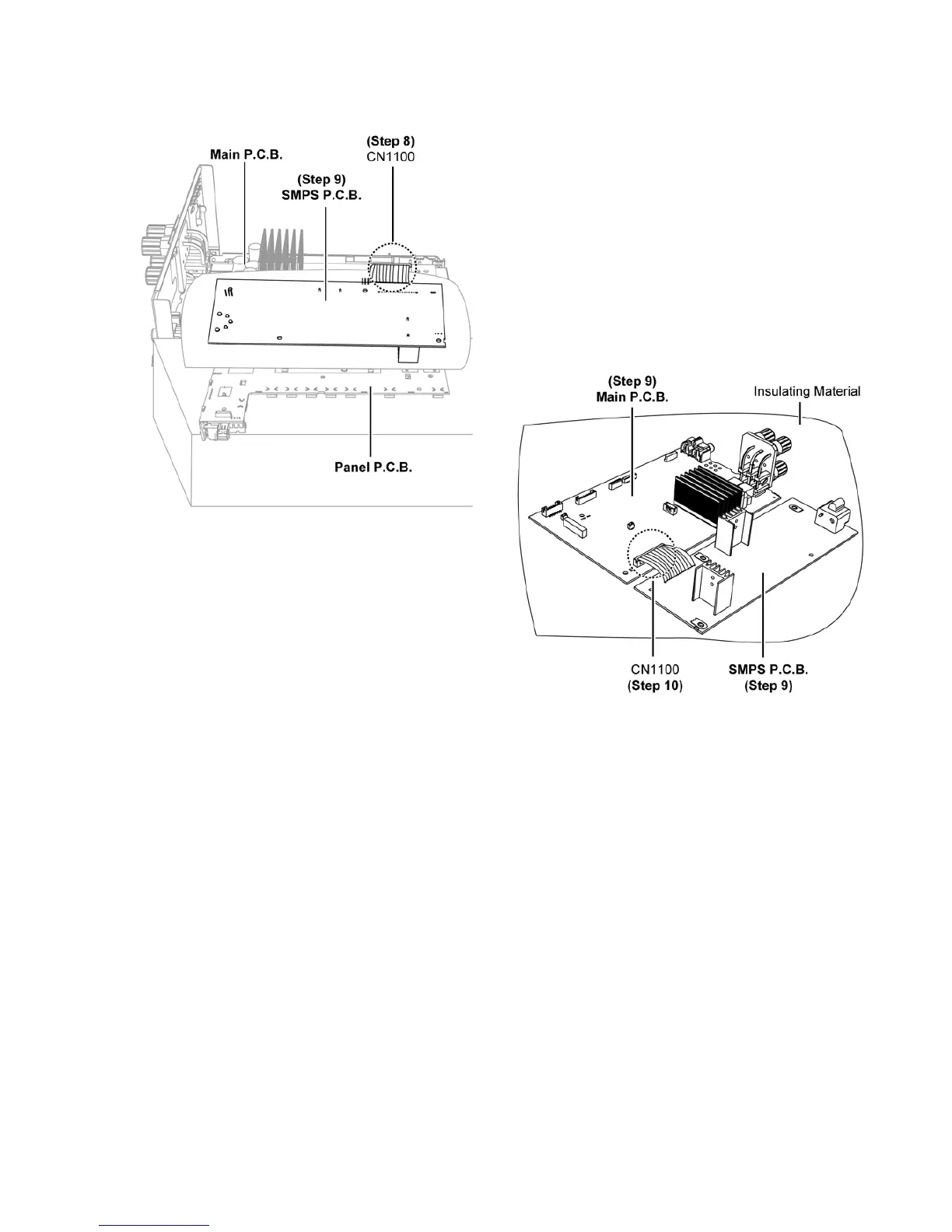
Step 8 : Connect 15P wire at connector (CN1100) on Main
P. C. B ..
Step 9 : Check SMPS P.C.B. according to the diagram shown.
9.3. Checking of Main and CD Inter-
face P.C.B.
Step 1 : Remove Top Cabinet.
Step 2 : Remove Front Panel Unit.
Step 3 : Remove Panel P.C.B..
Step 4 : Remove SMPS P.C.B..
Step 5 : Remove Main P.C.B..
Step 6 : Remove Inner Chassis.
Step 7 : Remove Tuner P.C.B..
Step 8 : Remove CD Mechanism Unit.
Step 9 : Place Main P.C.B. & SMPS P.C.B. on an insulated
material.
Step 10 : Connect 15P wire at connector (CN1100) on Main
P. C .B ..

Table of Contents

Related product manuals