EasyManua.ls Logo

Panasonic SB-PS81 - Page 73

Panasonic SB-PS81
154 pages
Print Icon
To Next Page IconTo Next Page
To Next Page IconTo Next Page
To Previous Page IconTo Previous Page
To Previous Page IconTo Previous Page
Loading...
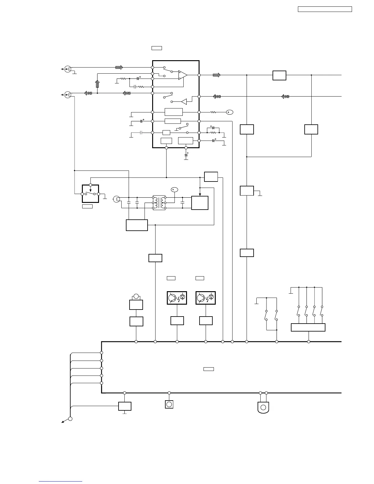
B
L1002
IC1004
C1AA00000612
R/P SELECT
B
20(5)
24(23)
NOR/CrO &
HI/LO LOGIC
LOGIC
REC/PB
RIPPLE
REJECTION
LOGIC L/H
ALC
18(7)
1(2)
22(3)
21(4)
17(8)
10
6
16
19
14
15
13
9
11
3
2
4
Q1004, Q1005,
Q1007
BIAS OSC
CONTROL
SWITCHING
(BEAT PROOF/
RECH)
Q1001,Q1003
Q6809
Q1014(Q1015)
BUFFER
AMP
Q1012
(Q1013)
MUTING
Q1016
DECK
MUTING
SWITCH
Q1020
(Q1021)
MUTING
SWITCH
DSPCLK
37
DVDCLK
STATUS
36
DVD_STA
CMD
35
DVD_CMD
SWITCH
(REC:H)
TO DVD BLOCK
S951
(MODE)
S952
(HALF)
DECK1
89
INTERFACE
Z971
S975
(RECINH_F)
S972
(HALF)
S971
(MODE)
S974
(RECINH_R)
DECK2
90
C2CBJG000460
MICROPROCESSOR
IC6800
Q6835
SWITCH
DMT
51
Q2806
SWITCH
44
DVD_MUTE
ZFLAG
VOLUME JOG
VR6800
75
VOL_B
76
VOL_A
Z6800
REMOTE SENSOR
18
RMT
WIDE
47
WIDE_I
VMUTE
73
VMUTE
Q6812,
Q6811
SWITCH
IC971
CNB13030R2AU
PHOTO
INTERRUPTOR
PHOTO_2
32
PHOTO_1
31
Q6810,
Q6816
SWITCH
IC951
CNB13030R2AU
PHOTO
INTERRUPTOR
REC
71
SWITCH
Q6836
BP
33
M
MOTOR
Q1017
MOTOR
SWITCH
Q6808
SWITCH
(MOTOR)
MOTOR
74
IC1001
AN7348S-E1
P.B. EQ/REC AMP/
ALC/TPS AMP
DECK_H
34
D
(DECK 2)
ERASE HEAD
(DECK 2)
R/P HEAD
LCH
(DECK 1)
P.B. HEAD
LCH
73
SA-VK81DGCS / SA-VK81DGCP

Table of Contents

Related product manuals