EasyManua.ls Logo

Panasonic SB-PS81 - Page 74

Panasonic SB-PS81
154 pages
Print Icon
To Next Page IconTo Next Page
To Next Page IconTo Next Page
To Previous Page IconTo Previous Page
To Previous Page IconTo Previous Page
Loading...
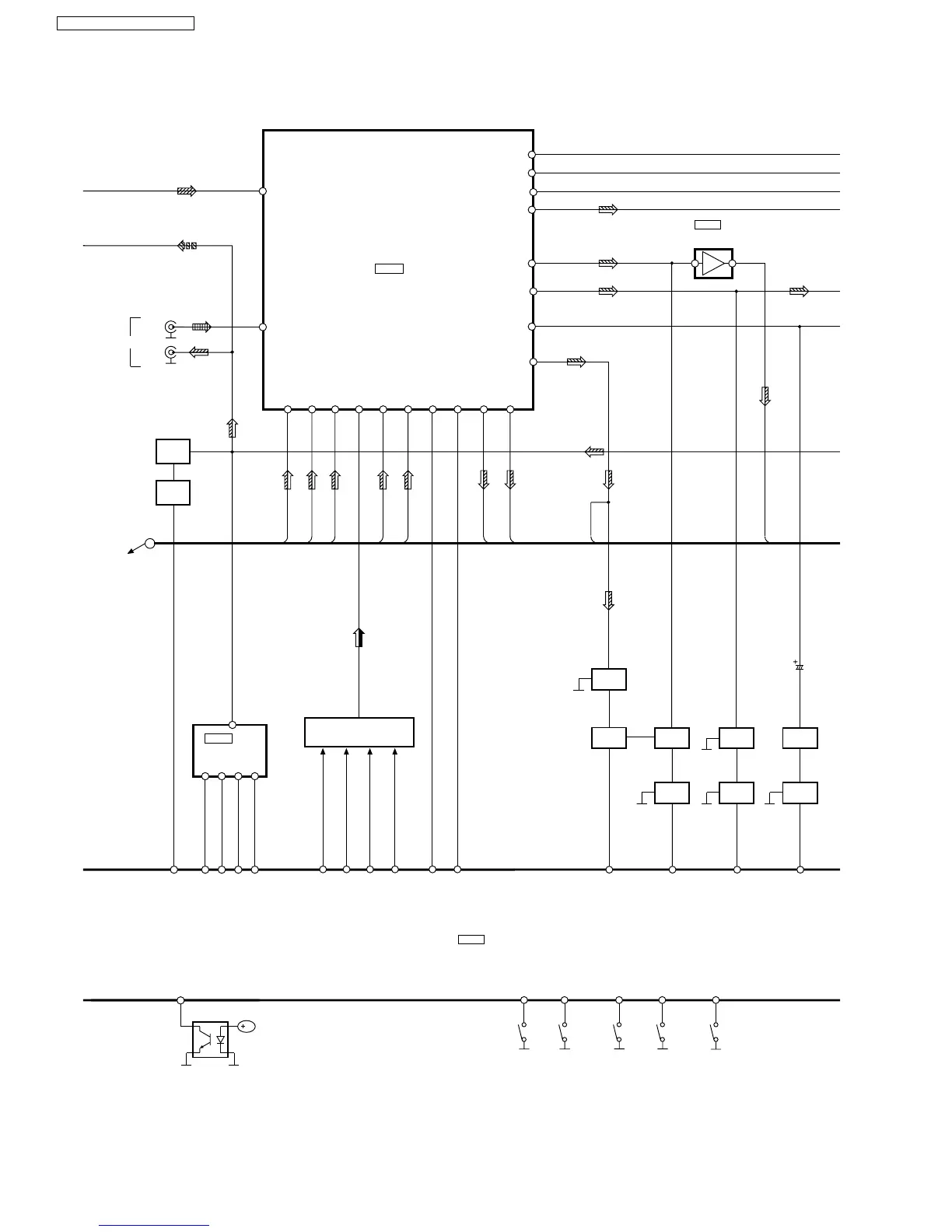
INB1(2)
63(64)
61(62)
INA1(2)
MIXL(R)
AUX
JK2803
Q2814
MUTING
SWITCH
Q2813
MUTING
SWITCH
LINE
OUT
C2CBJG000460
MICROPROCESSOR
IC6800
Q1
SENSOR
B
POSITION
5
SP_A
10
65
SP_B
11
66
SP_C
12
67
SPEAN_A/D
17
94
8
IC2815
C1BB00000845
ASP IC
TO DVD BLOCK
D
100
PLAY_SW
S2
PLAY
21
CHANGE_SW
S5
CHANGE
1
ST_SW
S1
STOCK
4
OPEN_SW
S4
OPEN
22
BOTTOM_SW
S3
BOTTOM
IND1(2)
67(68)
FL(R)
INFL(R)A
75(76)
SL(R)
INL(R)SA
78(79)
IC6802
C1BB00000086
SPECTRUM
ANALYSER
INL(R)_SB
7(8)
EXIN1(2)
72(73)
IN_C
6
FOUT1
28
OUTFL(R)
39(36)
FIN4(3)
40(37)
OUTLS(R)
25(23)
49
ASP_CK
48
ASP_DA
CTR
INCA
77
SUBW
INSUBA
80
INC1(2)
65(66)
30
TU_SDA
27
TU_SD
28
TU_ST/DO
29
TU_SCL
TO TUNER PAD
ASP_CLK
46
ASP_DA
45
LOUT
LOUT1(2)
59(60)
Q2815
60
SUB_MUTE
Q2825
59
MUTE_SR
Q2818
Q2816
MUTING
SWITCH
MUTING
SWITCH
MUTING
SWITCH
MUTING
SWITCH
FR_L(R)
FOUT4(3)
41(38)
SURRL(R)
1
2
IC2812
KIA4558FEL
DUAL OP-AMP
OUTC
27
SUBWOOFER
Q2824
57
HP_MUTE
Q2821
MUTING
SWITCH
MUTING
SWITCH
Q2822
61
MUTEA
Q2819
MUTING
SWITCH
MUTING
SWITCH
MUTE_L
55
74
SA-VK81DGCS / SA-VK81DGCP

Table of Contents

Related product manuals