EasyManua.ls Logo

Panasonic SB-PS81 - Page 77

Panasonic SB-PS81
154 pages
Print Icon
To Next Page IconTo Next Page
To Next Page IconTo Next Page
To Previous Page IconTo Previous Page
To Previous Page IconTo Previous Page
Loading...
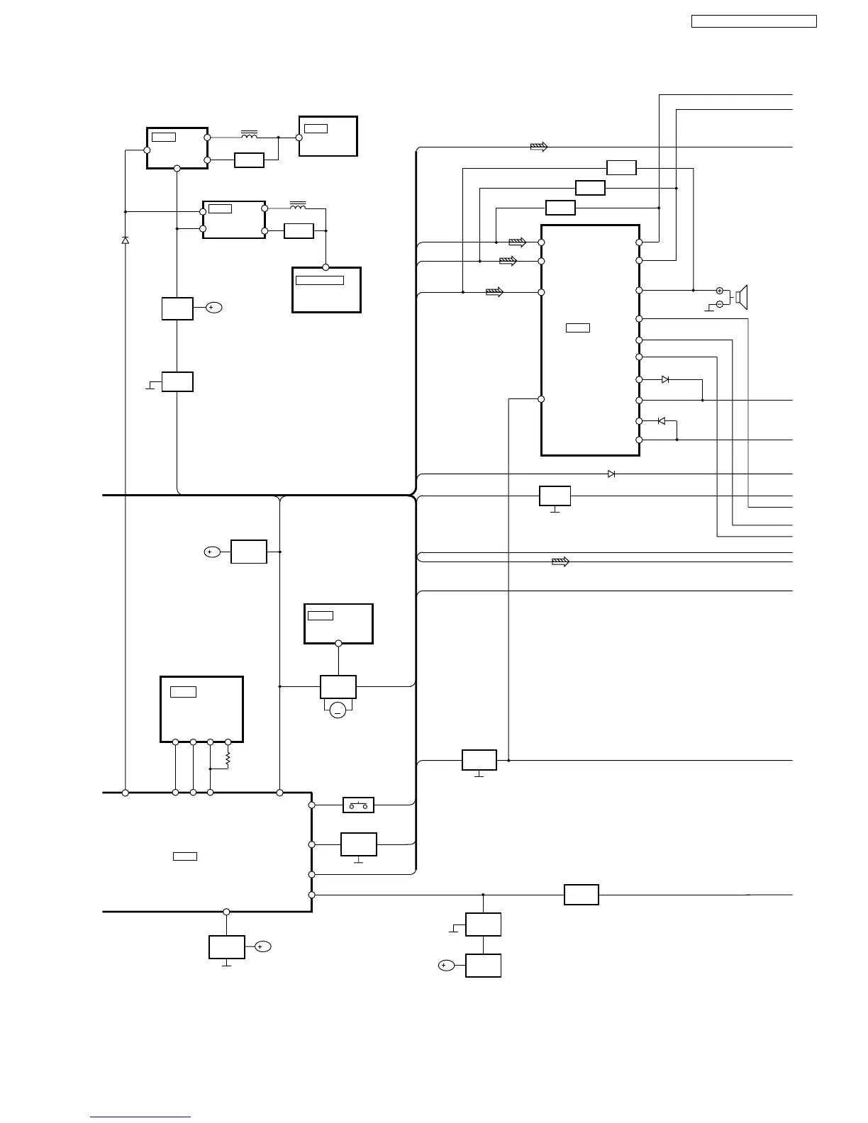
DCDET
IC2808
C0CBADG00005
5V REGULATOR
Q6815
SYNC
SWITCH
KEY3
91
S6816~S6826
KEY SW
DCDET
72
Q2826~Q2837
FAN
MOTOR
DRIVE
M
Q6805
PCONT
SWITCH
PCONT
70
SYNC
19
HP SW
SYNC
FAN
HPL(R)
DCDET
HP SW
D5809
FAN
MUTE_H
SYNC
FR_L(R)
C2CBJG000460
MICROPROCESSOR
IC6800
-VD
21
DISP HMUT
13
+VD
20
9
AC IN
IC5801
RSN309W44B
POWER HIC
Q5818
PCONT
SWITCH
Q6800
RESET
SWITCH
B
RESET
12
IC6801
C3EBDG000052
EEPROM IC
(NOT SUPPLIED)
40
3
E_CS
39
4
E_CLK
38
5
E_DA
6
Q5801,Q5802
DCDET
SWITCH
D5802
D5801
-Di SENS
16
-VCC LOW
7
+Di SENS
15
+VCC LOW
6
L(R) OUT
8
C OUT
5
FILTER
22
L(R) IN
23
C OUT
FILTER
SOL(R)
1(2)
FILTER
26(25)
SIL(R)
SURRL(R)
CENTER
SUBWOOFER
L2805
L2802
2
5
4
2
5
4
1
1
B
IC2801,IC2806
C0CBADG00005
5V REGUALTOR
IC2807
C0DBEFG00003
REGULATOR
IC2803
C0DBAZG00033
DC TO DC
CONVERTER
IC2802
C0DBAZG00033
DC TO DC
CONVERTER
Q2802
CURRENT
LIMITER
Q2838
SWITCH
FILTER
FILTER
DCDET
JK5802
SURR L(R)
LCH
DVD_PCNT
68
D2835
B
Q6820
PCONT
SWITCH
B
Q6803,
Q6804
PCONT
SWITCH
Q5803
MUTING
SWITCH
MUTE_H
56
MUTE_H
77
SA-VK81DGCS / SA-VK81DGCP

Table of Contents

Related product manuals