EasyManua.ls Logo

Panasonic SB-WA340

Panasonic SB-WA340
33 pages
To Next Page IconTo Next Page
To Next Page IconTo Next Page
To Previous Page IconTo Previous Page
To Previous Page IconTo Previous Page
Loading...
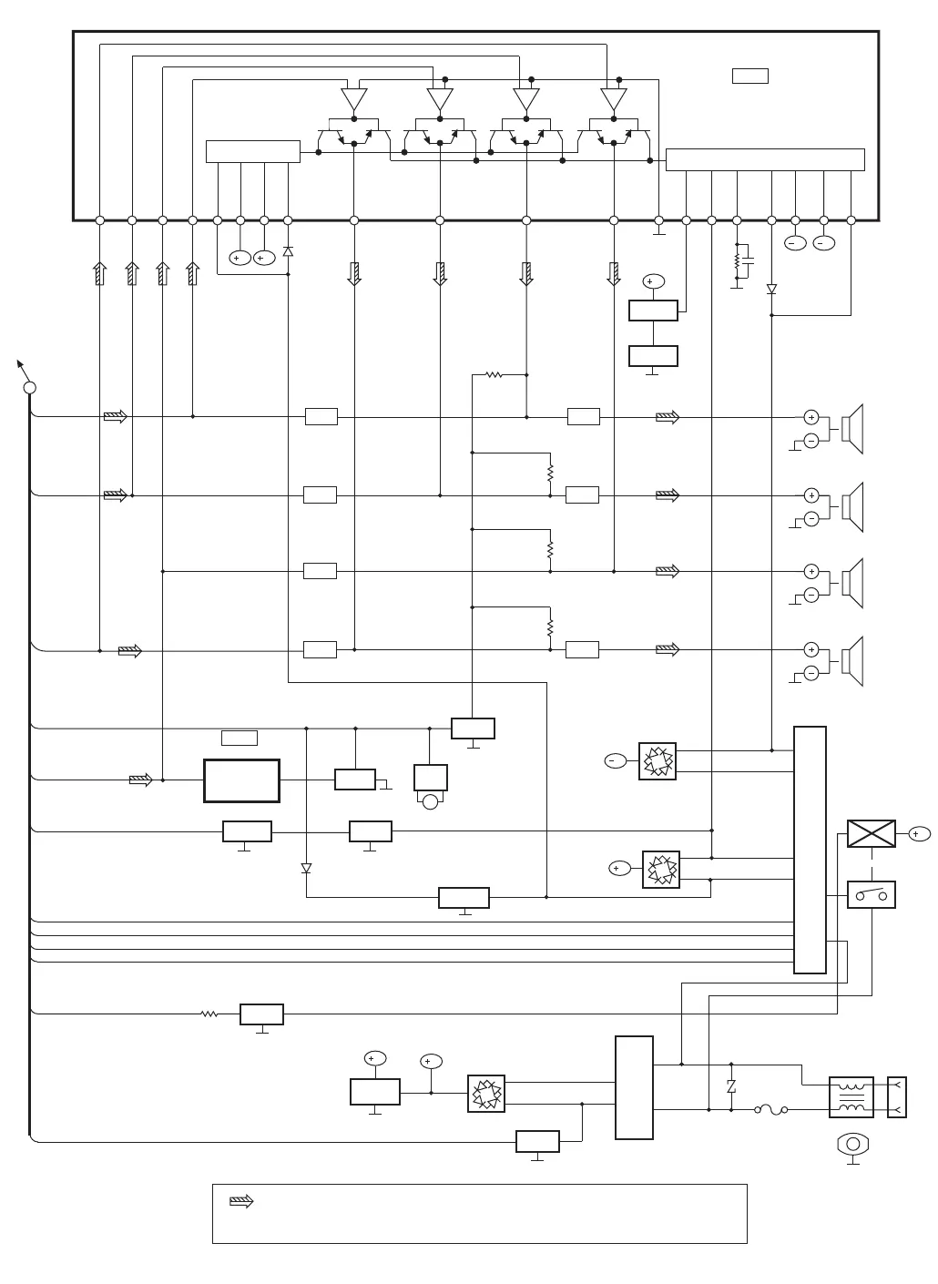
FILTER
Q506
Q505
Q513,
Q514
Q503
D502
D501
D527~D530
Q516
SYNC
PCONT
POWER CONTROL
CIRCUIT
POWER CONTROL/PROTECTION CIRCUIT
26
(25)
22 23 18
(19)
2015 3 6 1
(2)
9
13
14 7
4
21
16
8 512(11) 24
SWITCHING
INTERFACE
SWITCH
DC DET
SWITCH
SWITCH
SYNC
SWITCH
-
+
-
+
-
+
-
+
SL(R)/SURRL(R)
SUBWO/SUBWOOFER
CIN
FLIN(R)
SUBIN
SLIN(R)
+DI SENS
+VD
+VCC HI
+VCC LOW
FL_O(R)
C_O
SUB_O
SL_O(R)
IN GND
DISP HMUT
AC IN
IH DET
-VCC LOW
-VCC HI
-VD
-DI SENS
FILTER
FILTER
FILTER
FL(R)/FRONTL(R)
CCH/CENTRE
Q517
VOLTAGE
REGULATOR
F1
Z501
Q501,
Q502
SWITCH
DC_DET
Q520
INTERFACE
SWITCH
Q511
HP_CNT/MUTE_H
Q515,Q519
DCDET
SWITCH
VOLTAGE
REGULATOR
FILTER
FILTER
FILTER
D513~D515,
D517
D511,D512,
D516,D518
D508
T501
T502
AC2(5)/SUBAC2
AC1(4)/SUBAC1
TO MAIN
BLOCK
(JK700) OF
SA-HT1000EB/EG-S
FL1
FL2
POWER HIC
DUAL
LOW-NOISE
OP AMP
SIGNAL LINES
IC501
RSN311W64B-P
JK500
AC INLET
RLY501
POWER TRANSFORMER
IC502
C0AABB000055
SUB
TRANSFORMER
JK502
CENTRE
SPEAKER
SUBWOOFER
JK501
FRONT
SPEAKER
JK501(JK502)
SURROUND
SPEAKER
Q507~Q510
FAN
MOTOR
DRIVE
L500
( ) Indicates Pin No. of Right Channel Note : Signal Lines are applicable to the Left Channel only.
B B
B B
B
B
B
B
B
: MAIN SIGNAL LINE
E500
B
M
A

Related product manuals