EasyManua.ls Logo

Panasonic SL-DT310 - Reference: Safety and Glossary; General Safety Precautions for Use

Panasonic SL-DT310
68 pages
Print Icon
To Next Page IconTo Next Page
To Next Page IconTo Next Page
To Previous Page IconTo Previous Page
To Previous Page IconTo Previous Page
Loading...
25 26 27 28 29 30 31 32 33 34 35 36
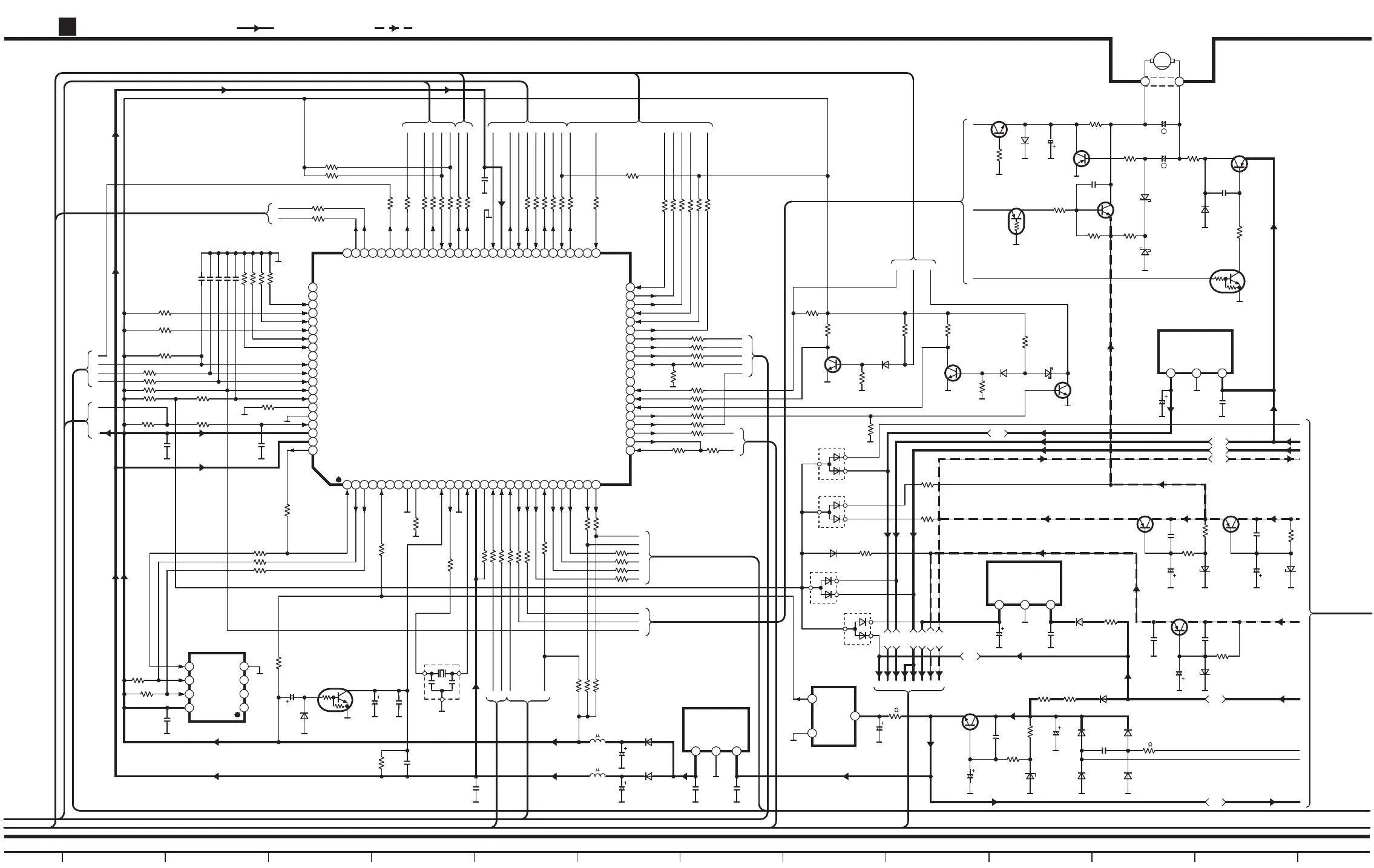
SCHEMATIC DIAGRAM
-
3
MAIN(SYSTEM) CIRCUIT
D
SA-DT310(E,EB,EG,EE) MAIN(SYSTEM) CIRCUIT DIAGRAM
IC502
C2CBHF000273
SYSTEM CONTROL
1 2 3 4 5 6 7 8 9 10 11 12 13 14 15 16 17 18 19 20 21 22 23 24 25 26 27 28 29 30
31
32
33
34
35
36
37
38
39
40
41
42
43
44
45
46
47
48
49
50
515253545556575859606162636465666768697071727374757677787980
81
82
83
84
85
86
87
88
89
90
91
92
93
94
95
96
97
98
99
100
EEPROM
SDA
EEPROM SCL
EEPROM WP
NC
DC IN
NC
NC
CNVss
NC
NC
NRST
X OUT
Vss
XIN
Vcc
DSP STATUS
DSP LOCK
REMOCON
FAN ON/OFF
FAN SPEED
/ ERR RCVY
HP SWITCH
HP MUTE
/MUTE
/AMP RESET
NC
AMP SCL
AMP SDA
DSP MIDI
DSP MIDO
/DSP MICK
/DVD REQ
DVD DOUT
DVD DIN
DVD CLK
DVD CS
NC
NC
VFD DATA
VFD SCK
VFD CS
VFD RESET
/DSP RST
FRQ SHIFT
DSP RST DET
/DSP MICS
/DSP MILP
DSP MIACK
DSP
O DATA
NC
NC
DSP PLON
TU SD
TU CE
TU DO
TU DIN/ST
TU CK
RDS RDDA
RDS RDCL
Vcc
RDS IDR
Vss
TUNER
DIGITAL
ANALOG
JOG A
JOG B
LED STBY
/LED STBY
NC
LED DIGITAL
NC
POWER
NC
NC
OPT1
OPT2
NC
NC
NC
CS5
CS4
CS3
CS2
CS1
CS0
NC
AMP SHUT
FAN DET
ABN DET
F61 DET
F76 DET
TH DET
AVss
KEY
VREF
AVcc
EEPROM
SDAOUT
IC501
C3EBGC000043
EE PROM
L501
10 H
L502
10 H
R551 1K
O
R545 100
P
R594
33K
C505
50V2.2
D501
MA111TX
Q501
UN5213TX
RESET
C507
50V1
C508
100P
X501
(10MHz)
R591 33K
C510
0.1
R538
100
C506
0.01
R534
47K
R532
2.2K
R529
10K
R527
1K
R520
100
R598
1K
R522 100
R523
10K
R525 100
R511 10K
C504
0.1
C503
0.1
R509
1K
R508
10K
R559 100K
C517 220P
C502
220P
R558 1KR541 6.8K
C516 220P
R531 27K
C515 220P
R517 1K
C514 220P
R516 1K
C513
0.1
R515
220K
R507 100K
R514 100K
R512
100K
R502 100K
R504 100K
T
R524
100
U
R528
100
R530 100
I
R533 100
G
R535 100
H
R536 1K
D
R537 1K
E
R589 33K
R590
33K
R539 100
j
R540 100
i a bZ
R547 100
V
R549 1K
T
R550 100
W
R552 100
U
R554 1K
Q
R544
15K
R556 100
e
R561
1K
R
R563
1K
a
R564 100
XWQ V
R569 100
N
R570 100
M
R571 100
L
R596
10K
R572 100
K
R573
1K
R577 100
R578 100
R579
100
R580 1K
R712
3.9K
C716
0.047
C707
50V10
D707
MAZ83000HL
Q704
2SB621RSTA
REGULATOR
R595
6.8K
R574 1K
R581
10K
R584
10K
D506
MA111TX
R583
4.7K
R585
10K
R575 1K
R586
10K
D504
MA111TX
R588
22K
D505
MA728TX
R576 5.6K
R587
4.7K
Q504
2SD1819ATX
INTERFACE
Q503
2SD1819ATX
INTERFACE
Q502
2SD1819ATX
INTERFACE
OP
R592 1K
S
R593 1K
b
R597 100
R553 100
R555 100
R557 100
R560
100
R562
100
1
2
N
N
M
R546 100
R548 100
A
B
C
A
Q716
UN5211TX
FAN MOTOR DRIVE
B
Q713
UN5115TX
FAN MOTOR DRIVE
C
Q712
2SD1819ATX
FAN MOTOR DRIVE
Q714
2SB1218TX
FAN MOTOR DRIVE
Q715
B1ABGC000001
FAN MOTOR DRIVE
R732
10K
D720
MA111TX
C734
6.3V220
R734
68K
CN701
R735
100
C738
16V10
C737
50V0.47
R739
22
C736
0.01
D723
RL1N4003N02
R738
4.7K
D721
MA728TX
D722
MA728TX
R737
10K
R736
4.7K
C735
0.01
R733
4.7K
FAN MOTOR
Q717
2SB1219STX
FAN MOTOR DRIVE
A
B
C
D
F
G
H
X
C509
0.1
I
J
C512
6.3V100
D503
1SS380TE-17
C511
6.3V2200
D502
1SS380TE-17
IC503
C0CBACD00001
REGULATOR
321
GND VINVOUT
C519
1
C518
1
IC702
C0EBH0000275
VOLTAGE DET.
R705
0
C702
50V1
1
3
2
VOUT
VIN
Vss
R722
1K
C728
0.01
C726
16V100
D715
MA8056MTX
Q707
2SB621RSTA
REGULATOR
R725
1K
C729
0.01
C727
16V47
Q709
2SB621RSTA
REGULATOR
R742
82K
R721
100
R743
120K
D717
MA8082MTX
IC705
C0CBAHC00009
REGULATOR
321
GND VINVOUT
C709
0.047
E
Q711
2SC3940ARSTA
REGULATOR
C733
0.01
C732
10V47
R729
150
R730
2.7K
D718
MAZ80680LL
C751
16V1000
D755
D754
D753
D752
C752
0.01
R753
0
R757
18
R758
18
D719
RL1N4003N02
R723
10
D714
MA111TX
C723
0.1
C724
16V10
D724
MA142WATX
G I
D726
MA142WATX
C
R744
270K
D730
MA111TX
q
D725
MA142WATX
D
R565 100
R566 1K
R568 100
R567 100K
D727
MA142WATX
IC706
C0CBADC00042
REGULATOR
321
GND VINVOUT
J
C731
6.3V100
C730
1
H
A
B
C
D
E
F
G
H
I
Y
Z
n
R542 6.8K
R543 6.8K
J
R521
100
R506 100K
J
F
8
1
2
3
4
7
6
5
A0
A1
A2
GND
Vcc
WP
SCL
SDA
13
2
N
D752-755
RL1N4003N02
:NEGATIVE VOLTAGE LINE:POSITIVE VOLTAGE LINE
3.3V
0V
0V
3.3V
0V
3.2V
1.6V
1.6V
3.3V
3.3V
0V
0V
0V
0V
0V
3.3V
3.2V
0V
3.2V
0V
0V
0V
0V
0V
0V
0V
0V
0V
3.2V
3.2V
0V
0V
1.5V
0V
3.2V
3.2V
3.1V
3.2V
3.2V
3.2V
0V
3.3V
3.4V
0V
0V
2.8V
0V
0V
0V
3.3V
0V
0V
3.4V
3.4V
3.3V
0V
3.3V
0V
0V
0V
0V
0V
3.3V
0V
3.3V
0V
3.3V
3V
0V
0V
3.4V
1.6V
0V
3.4V
3.4V
3.3V
0V
3.4V
0V
0V
0V
3.2V
0V
3.4V
5V
5V
6V
4.1V
5.9V 5.9V
9V 11V
11.4V
11.4V
5.9V
6V
6V
6V
4.2V
5V
6V
4.2V
9V
10.2V
6.6V
-
36.5V
-
31.8V
-
32.4V
-
11.5V
-
8.2V
-
7.6V
-
7.6V
-
5.6V
-
5V
-
5V
-
31.8V
0.8V
0V
0.5V
0.7V
0.4V
1.6V
2.9V2.9V
0V
0V
3.4V
0V
0.2V
1.1V
-
7.6V
11.2V
5.4V
0.5V
5.4V
0V
-
5V

Other manuals for Panasonic SL-DT310

Related product manuals