EasyManua.ls Logo

Panasonic SL-DT310 - Page 54

Panasonic SL-DT310
68 pages
Print Icon
To Next Page IconTo Next Page
To Next Page IconTo Next Page
To Previous Page IconTo Previous Page
To Previous Page IconTo Previous Page
Loading...
A
B
C
D
E
F
G
H
25 26 27 28 29 30 31 32 33 34 35 36
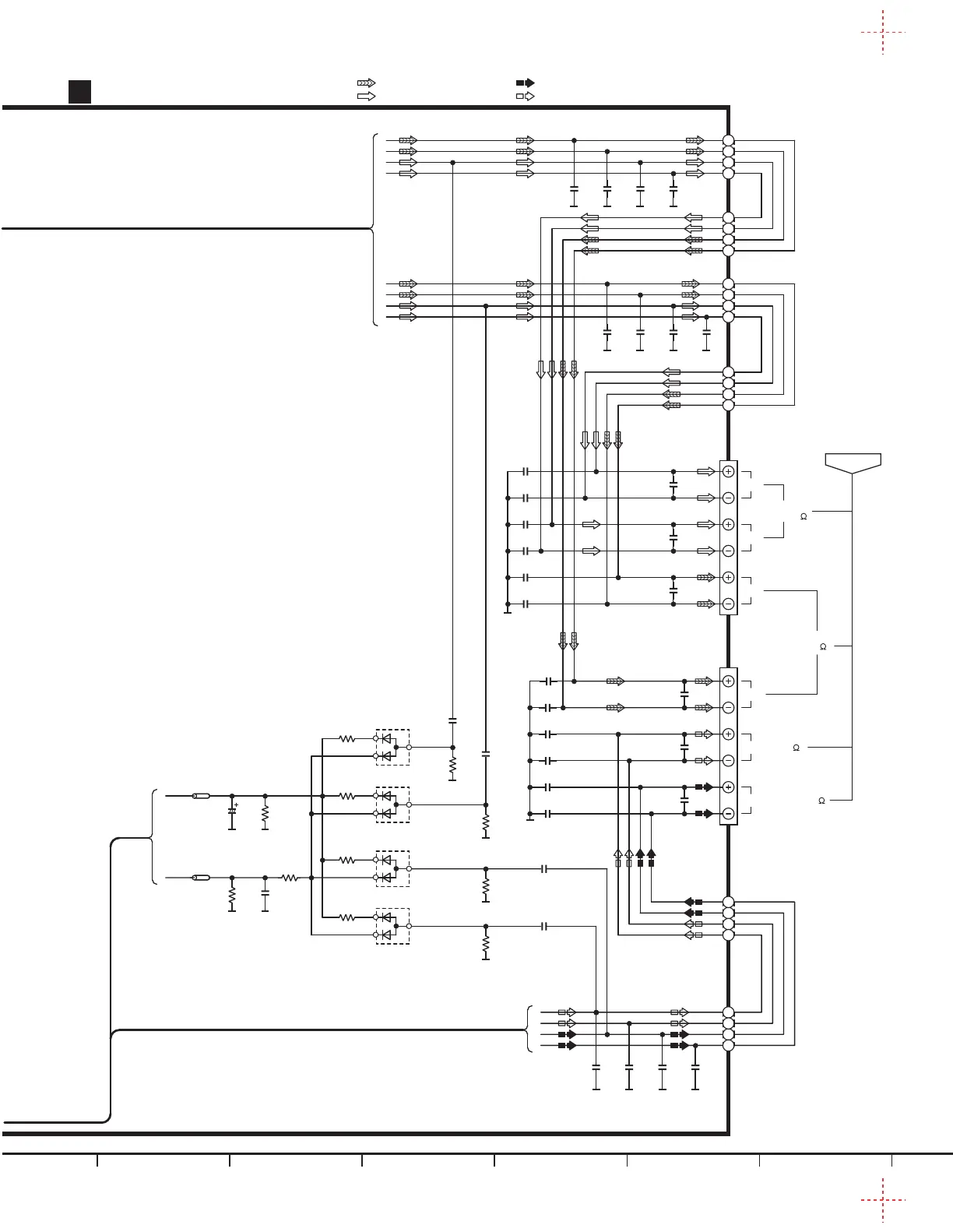
SA-DT310(E,EB,EG,EE) MAIN(DIGITAL AMP) CIRCUIT DIAGRAM
SCHEMATIC DIAGRAM
-
7
JK1001
Lch
Rch
Rch
FRONT
HF/ LF(6 )
CENTER(6
)
SUB WOOFER(3
)
JK1002
Lch
SURROUND
(6 )
2
1
3
4
2
4
3
1
2
1
3
4
2
4
3
1
2
1
3
4
2
4
3
1
WA1003
WB1002
WB1003
WB1001
WA1001
R1315
10K
D1305
MA741WATX
D1306
MA741WATX
R1316
10K
C1302
0.33
R1312
10K
C1301
0.33
R1311
10K
WA1002
D1302
MA741WATX
R1322
47K
D1301
MA741WATX
R1321
47K
R1325
27K
R1326
47K
D
MAIN(DIGITALAMP) CIRCUIT
R1327
27K
C1311
1
R1328
27K
C1308
50V2.2
R1308
10K
LB1301
VLP0146-T
I
LB1302
VLP0146-T
H
C1191
1000P
C1181
1000P
C1193
1000P
C1183
1000P
C1192
1000P
C1182
1000P
C1194
1000P
C1184
1000P
A
B
C
D
E
G
F
H
C1202
0.033
C1204
0.033
C1282
1000P
C1292
1000P
C1281
1000P
C1291
1000P
C1284
1000P
C1294
1000P
C1205
0.033
C1206
0.033
C1203
0.033
C1201
0.033
C1283
1000P
C1293
1000P
C1285
1000P
C1295
1000P
C1286
1000P
C1296
1000P
A
B
C
D
C1185
1000P
C1195
1000P
C1186
1000P
C1196
1000P
C1306
0.33
C1305
0.33
SPEAKERS
:AUDIO SIGNAL LINE
:SURROUND SP. SIGNAL LINE
:CENTER SP. SIGNAL LINE
:SUB WOOFER SIGNAL LINE

Other manuals for Panasonic SL-DT310

Related product manuals