EasyManua.ls Logo

Panasonic TH-42PWD8WS - Page 226

Panasonic TH-42PWD8WS
398 pages
To Next Page IconTo Next Page
To Next Page IconTo Next Page
To Previous Page IconTo Previous Page
To Previous Page IconTo Previous Page
Loading...
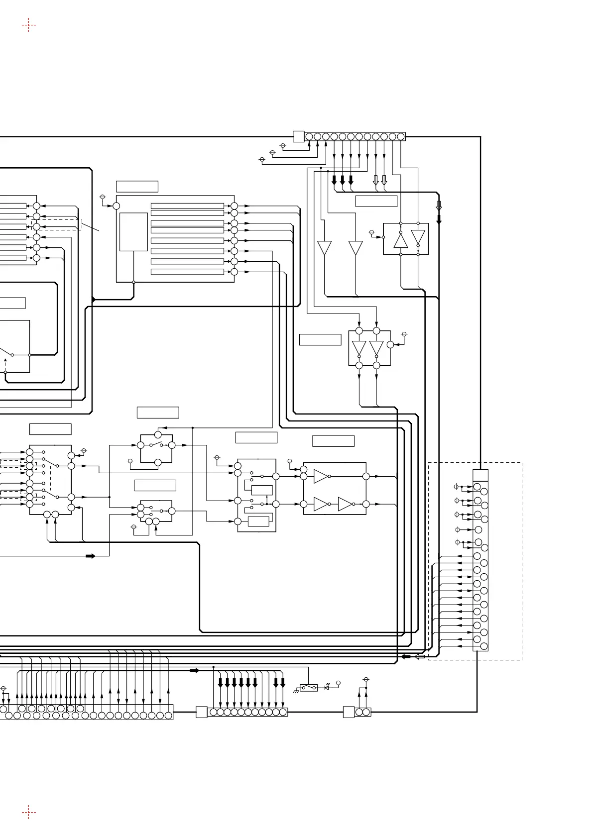
15.18. J-Board (2 of 2) Block Diagram
IIC_SW
IIC_SW
AD_R4
AL_VD_2
AD_HD_4
AI_HD_1
AI_R1
AH_SLOT3_DET
AH_SLOT2_DET
AA_SCL3
KEY_SW
RESET
AI_VD_1
AL_R2
AK_HD_3
KEY_SW
AD_VD_4
LED_G
AD_R3
AD_L3
REMOTE_IN
AL_HD_2
LED_R
AH_SLOT1_DET
AK_VD_3
AD_L4
REMOTE_IN
LED_G
AL_L2
AI_L1
LED_R
AA_SDA3
SLOT5V
9V
SLOT3.3V
LAN15V
SLOT5V
STB3.3V
5V
9V
LAN15V
SLOT3.3V
12V
9V
SLOT9V
3.3V
9V
5V
5V
STB5V
5V
SLOT5V
STB5V
SLOT3.3V
STB5V
STB5V
STB3.3V
P5V
5V
STB3.3V
STB5V
STB5V
STB5V
STB3.3V
SLOT9V
STB5V
STB5V
5V_M
STB3.3V
SLOT9V
9V
LAN15V
STB5V
STB5V
9V
LAN15V
HD
J3
27
14
3.3V<=>5V
COMPONENT SELECT
VFC
AI_HD_1
SLOT9V
8
3.3V<=>5V
AG_HD_M
14
15
3
Q8183
1
11
B26
SOS
S_DATA1
SYNC_INH(M)
6
16
Q8019
AL_S2_2
AD_Y_4
3.3V<=>5V
RESET
A26
AL_VD_2
6
7
Q8184
IC3003
POWER STATUS
AH_SLOT2_DET
18
SLOT5V
TXD_PC
A17
B35
LEVEL SHIFT
TX2+(S)
TX1-(S)
2
1
B15
AH_SOS_ALL
IC3004
1
TXC-(M)
TO H2
HD
1
STB_ON
TX0-(S)
1
IC3001
PC-RXD
B23
IC8181
9
S2 DETECT
13
AN_SDA_S1
J10
Q3102
A28
AB_SDA3
46
AD_HD_4
REMOTE
50
A32
B29
J15
AL_L_2
AL_HD_2
7
RESET
AN_SDA_S1
TIME CLOCK
AC_SW1
TO V15
+5V
DRIVER
RTC INT
AB_SCL3
B14
LED_G
IIC_SCL
26
B28
8
9
A21
B30
AD_L_4
6
14
B24
AE_SW0
AM_SDA_S3
SRQ
REMOTE
A40
TX3+
B3
TX1+(S)
AM_SCL_S3
S2 DETECT
Q3002
J11
TX1+(M)
AG_PR_M
35
G/Y(M)
16
4
9
2
AD_Y_4
3
TX1+
SRQ
15
S_CLOCK1
SYNC SELECT
A34
15
IIC ON/OFF
TXC+(M)
5
14
RESET
AH_SOS
Y/G
Q3003
VD
CABLE_DET
AI_R_1
RESET
3.3V<=>5V
RESET
PC-B
STB5V
A17
11
9
A30
AJ_RXD1
AJ_RXD1
8
PC-AUDIO_IN_L
A19
VIDEO BUFFER
B35
STB+3.3V
STB+3.3V
SRQ
25
IC8003
TX2-(M)
RS232C
IC8009
TO V2
TX2+
2
TO D5
4
10
1
B11 B14
12
TXC-(S)
J2
15
PR/R
TX1-
A32
8
TO P10
LAN+15V
5
TX0+(M)
10
B24
AJ_TXD4
13
AG_VD_M
AA_SCL3
28
B25
9
AI_PR_1
AL_Y_2
AA_SDA3
A38
B31
A32
B21
TO HX1
AJ_TXD1
AJ_TXD_4
B21
TX2+(M)
FAN CONT
21
9
2
B19
A17
Green
REMOTE OUT
RTC INT
IC3150
19
2
+9V
SOS
B25
LPF
TX0+(S)
16
IC8014
1
Green in
+5V
REMOTE
AI_PB_1
15
SRQ
B19
S CLOCK1
3
B28
B28
TXC-
TX0-
P_STATUS
11
AE_SW1
5
EX I/O(VIDEO/AUDIO SELECT)
SOS
8
AL_PB_2
RESET
Q3101
TX2+
17
J12
B31
TERMINAL GND
J1
AC_CS(M)
TX3+(M)
TX2-(S)
B23
AN_SCL_S1
23
FAN_CONT
13
B9 B15
SLOT3.3V
TXC-
TO D1
SLOT5V
IC8016
8
IC8005
AG_PR_M
4
53
IIC_SCL
AJ_RXD_4
SLOT9V
AC_SW0
7
AC_CS(M)
PC_AUDIO_IN_R
AJ_RXD4
17
AB_SDA3
IC3101
AJ_TXD1
17
SOS OUT
B19
PC-HD_HX
AI_Y_1
IIC CONT.
S_CLOCK3
A22
A28
A40
AI_S2_1
5
Q8200-Q8202
B40
16
61
PC-G
12
HD
B3B12
6
AK_PB_3
LAN+15V
5
A36
3
614
AK_PR_3
AD_PB_4
AJ_TXD4
VD
14
28
19
7
5
PROCESSOR
S_CLOCK3
PC-VD_HX
R/PR(M)
DPMS_VD
AUDIO R
AC_CS(M)
AUDIO SELECT
AG_HD_M
A38
AF_VD_HX
LAN+15V
S_DATA3
57
RESET
TXD_TU(SBI)
TX3-(M)
VD(M)
LAN+15V
PRout1
AUDIO IN L
AUDIO MUTE
POWER_STATUS
AA_SDA3
2
AF_HD_HX
V Sync
4
AUDIO L
B11
AL_PR_2
7
L
AD_PB_4
6
B5
TXC+
CABLE DET
PC-R
AL_Y_2
IC3002
12
14
A36
B40
TX3+(S)
B8 B32
6
TO H1
B36
12
AC_SCL3
23
19
1
B9
Q8181
B5
AI_VD_1
HD SWITCH
AA_SDA3
TX2-
AH_SOS
2
B2
LPF(M)
B27
4
AG_Y_M
A22
B6
9
A26
B6
AK_PB_3
AB_SDA3
8
12
AC_SW0
22
REMOTE
11
AB_SCL3
4
B31
TXC+(S)
AK_Y_3
HD
1
AK_S2_3
IIC
AC_SDA3
SEPA
15
P_STATUS
Q8010-
AK_PR_3
STB+5V
52
TX0+
CABLE_DET
S DATA 1
AC_SCL3
S2 DETECT
12
DPMS_VD
AI_PB_1
EX.I/O(IIC SEL)
20
A34
TX3+
IIC_SDA
15
TO H3
3
IC3005
3.3V<=>5V
AC_SCL3
S_DATA1
A30
A26
Q8182
J5
Q8013
AD_PR_4
PR/R
3
A30
RXD_TU(SBO)
55
3
5
5
LED_R
B36
SEPA
AI_PR_1
PLUG DET
16
AH_SOS
SLOT3.3V
KEY SW
PB/B
A28
AI_Y_1
RXD_PC
3
REMOTE_IN
AE_SW0
TX1+
IIC_DATA
B30
J13
FAN_CONT
B35
A36
AG_VD_M
LED_G
MAIN
18
A22
LED_R
29
4
B21
PB/B
B17
Yout1
1
A21
17
AK_L_3
A19
9
7
F_STB+14V
VD
B24
AL_PB_2
AG_PB_M
4
IC3007
B17
DPMS_HD
F_STB+14V
21
AK_R_3
5
SYNC SWITCH
TO D3
AC_SDA3
A21
2
31
2
B12
TX2-
AH_SOS_ALL
AJ_RXD4
AK_VD_3
J6
6
A34
32
SCL
6
AG_Y_M
A40
S_DATA3
2
REMOTE_IN
36
RXD
AK_HD_3
X8181
LPF
5
2
13
AK_Y_3
1
R
8
AK_S2_3
IIC_CLOCK
63
3
SRQ
59
DPMS_VD
AH_SLOT1_DET
AN_SCL_S1
AI_S2_1
J14
TO D6
B/PB(M)
AM_SDA_S3
10
25
1
STB ON
IIC CONT
SOUND MUTE
AI_L_1
AD_PR_4
TXC+
TX0-
AM_SCL_S3
16
2
AC_SDA3
TX1-(M)
1
48
AA_SCL3
21
B25
AL_PR_2
Q3004
1
AC_SDA3
HD(M)
12
CABLE DET
B17
AD_VD_4
AL_S2_2
SDA
B8
3
AB_SCL3
13
PLUG DET
IC8001
LEVEL SHIFT
AB_SDA3
S_CLOCK1
PBout1
TX3-
Y/G
3
D3005
11
7
TX3-(S)
16
Q3103
TX0-(M)
IC3008
3
1
INVERTER
DPMS_HD
LPF
AL_R_2
1
AUDIO IN R
RESET
AH_SLOT3_DET
STB+5V
KEY_SW
TX1-
IIC_DAT
AH_SOS
A38
AD_R_4
B23
10
SRQ
LPF(M)
TX0+
PC-TXD
RESET
13
LAN+15V
9
B40
SRQ
AC_SW1
AG_PB_M
H Sync
LAN+15V
3
AB_SCL3
IC8007
B36B2
AA_SCL3
TXD
A19
TX3-
AE_SW1
11
DPMS_HD
SYNC_INH(M)
AC_SCL3
11
SLOT3.3V
SLOT9V
SLOT9V
STB5V
SLOT5V
SLOT5V
SLOT3.3V
VD
PB/B
HD
PR/R
Y/G
AUDIO IN R
AUDIO IN L
REMOTE
PLUG DET
SLOT9V
SLOT9V
STB5V
SLOT5V
SLOT5V
SLOT3.3V
SLOT3.3V
VD
AUDIO IN R
AUDIO IN L
HD
LEVEL SHIFT
LEVEL SHIFT
LEVEL SHIFT
SYNC SIGNAL
EX.I/O(SLOT DET IIC CONTROL)
ASPECT DET
CUT-OFF
FQ CONT
INVERTER
PC SYNC
OUTPUT PORT(SW1)
8bit ADC(SYNC INH(M))
8bit ADC(CS(M))
8bit ADC(LPF(M))
OUTPUT PORT(SW0)
8bit ADC(FAN CONT)
OUTPUT PORT(SW0)
OUTPUT PORT(SW1)
CONT.
OUTPUT PORT
8bit ADC
8bit ADC
OUTPUT PORT
OUTPUT PORT
OUTPUT PORT
CONT.
IIC
IIC ON/OFF
SYNC SIGNAL
3
4
1
6
2
5
J SLOT INTERFACE/SYNC PROCESSOR/SOUND PROCESSOR
TERMINAL GND
42inch ONLY
42inch
ONLY
ONLY
42inch
ONLY
42inch
42inch ONLY
TH-37/42PWD8 SERIES
J-Board (2 of 2) Block Diagram
TH-37/42PWD8 SERIES
J-Board (2 of 2) Block Diagram
80

Table of Contents

Related product manuals