EasyManua.ls Logo

Panasonic TH-C42FD18 - Block Diagram; Block Diagram (1;6)

Panasonic TH-C42FD18
138 pages
Print Icon
To Next Page IconTo Next Page
To Next Page IconTo Next Page
To Previous Page IconTo Previous Page
To Previous Page IconTo Previous Page
Loading...
29
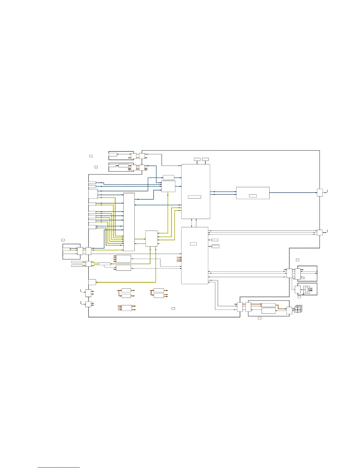
9 Block Diagram
9.1. Block Diagram (1/6)
(LED:11TIMES)
(LED:12TIMES)
(LED:12TIMES)
(LED:10TIMES)
(LED:10TIMES)
KEY SWITCH
+5V(STB)
R,G,B
KEYSCAN1
+5V(S)
+15V(SND)
HDMI I/F
RECEIVER
SD CARD DATA
FPGA
SUB+1.2V
Y, C, V
FAN CONTROL
STB+3.3V
SUB+5V
S
OPTICAL OUT
COMP1
K1
+9V(S)
PC
OPTICAL OUT
POWER LED
FAN_A-D
from P7
DTV AUDIO
A7
GenX5
SPEAKER(L)
LED(R)
SWITCH
PB37
+5V(S)
REMOTE RECEIVER
PAMEL SOS
KEYSCAN3
G51
RESET
FAN SOS
K
L,R
PO
WER
LED(R)
L,R
IIC1
OSD_16bit
PB36
PROCESSOR
+9V(S)
KEYSCAN1
SD CARD
MONITOR
L,R
ON
VIDEO SW
L,R
SUB+1.8V
SUB+9V
SUB+9V DET
+3.3V(STB)
VIDEO1
DIGITAL SIGNAL PROCESSOR
OUT
EEPROM
TUNER SOS
FRONT END
PROCESSOR
AI SENSOR
HDMI
EQUALIZER
A30
V
GS09
+3.3V(S)
SOUND SOS DET
CIRCUIT
AUDIO AMP
A
+3.3V(STB)
+15V(FAN)
A11
DVB VIDEO R/G/B_24bit
DCDC
from
to D5
DCDC
Peaks Lite2p
REMOTE
RECEIVER
+3.3V(S)
S1
PB31
SOUND SOS
DIGITAL VIDEO DATA
GH11
+5V(S)
PB30
HDMI2
A12
+3.3V(S)
STB MCU
FRONT TERMINAL
HDMI3
L,R
A5
OSD_6bit
SUB+3.3V DET
+30V(BT)
PB32
SUB+5V DET
SOUND SOS
CH0 DATA
OPTICAL OUT
HDMI3 IN
FSTB+15V
FAN CONT
RESET
DCDC
V
+3.3V(S)
+9V(S)
+3.3V(S)
VIDEO2
A52
GH
HDMI1
FAN SOS DET
TUNER SOS
DTV_V
SBO2
SBI2
CIRCUIT
REMOTE IN
BT+30V
GS
FSTB+15V
FAN POWER
L,R
HDMI AUDIO
R/G/B
L,R
TUNER SOS DET
CIRCUIT
+3.3V(S)
Y,PB,PR
F15V
+9V(S)
SD BOOT
PB
+15V(S)
A1
KEY SWITCH
+15V(SND)
L,R
Y,PB,PR
SOUND
10bit A/D
SUB+3.3V
G
+1.8V(S)
+15V(FAN)
A3
AUDIO SW
PANEL STB_ON
DCDC
Y, C, V
PANEL STATUS
TUNER
L,R
OPTICAL
SD CARD DATA
LVDS DATA
DTV AUDIO
P6
PWM AUDIO OUT
DDR2
SD CARD SLOT
+30V(BT)
L,R
A51
V,Y, C
SPEAKER(R)
to D3
SLOT
POWER
FAN SOSAUDIO
COMP2
FAN CONT
+5V(S)
+
5V(S)
POWER SWITCH
+5V(S)
LVDS DATA
+15V(FAN)
A6
CH0 DATA
+9/7.2V
+3.3V(STB)
DVB VIDEO R/G/B_24bit
MONITOR
OUT
RESET
CLKGEN
+1.2V(S)
+5V(STB)
(LED:11TIMES)
(LED:12TIMES)
(LED:12TIMES)
(LED:10TIMES)
(LED:10TIMES)
TH-C42FD18
Block (1/6) Diagram
TH-C42FD18
Block (1/6) Diagram

Table of Contents

Related product manuals