EasyManua.ls Logo

Panasonic TH-L32X10H

Panasonic TH-L32X10H
148 pages
To Next Page IconTo Next Page
To Next Page IconTo Next Page
To Previous Page IconTo Previous Page
To Previous Page IconTo Previous Page
Loading...
TH-L32X10H
74
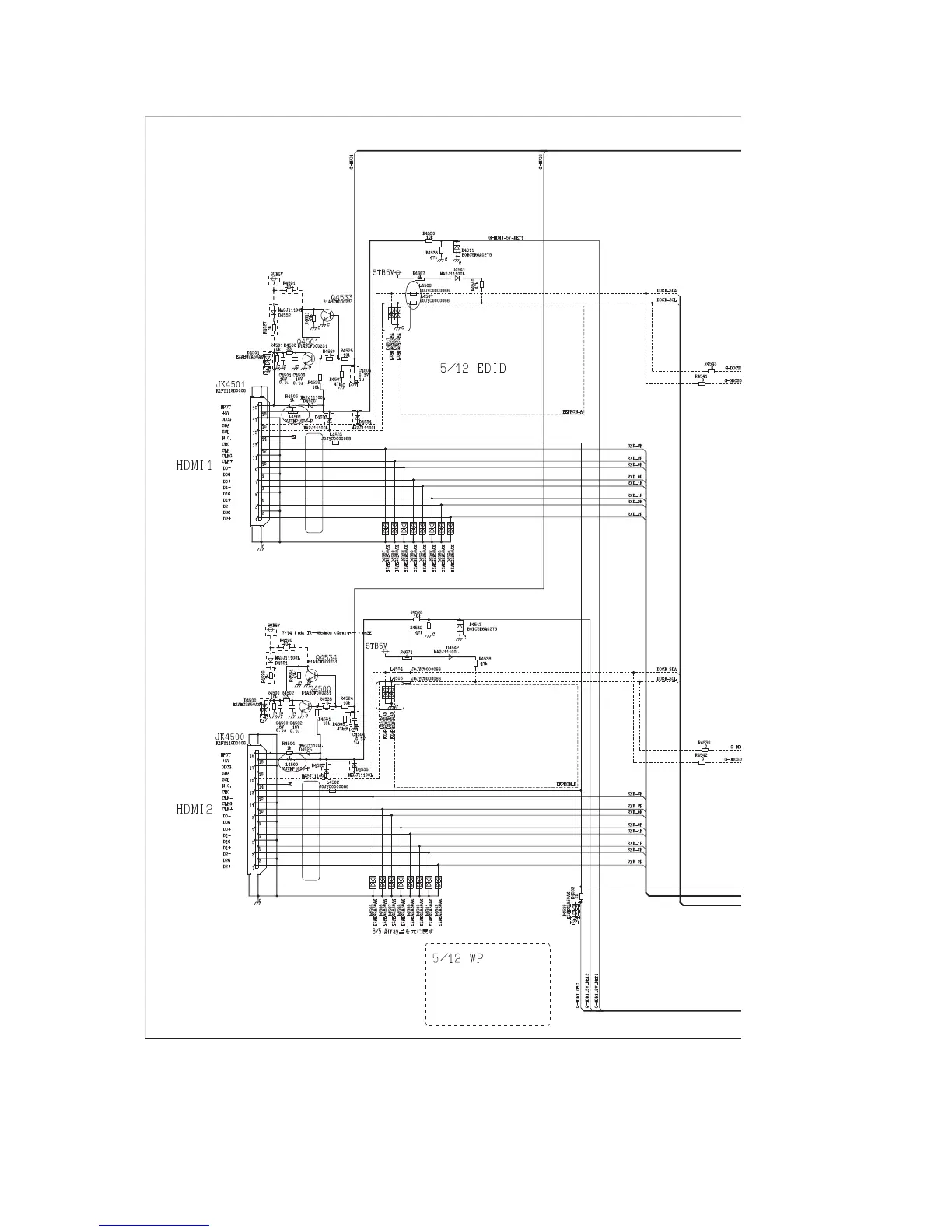
11.2.35. A Board - Sheet : 007 (1 / 5)
<1A>
<2A>
<3A>
<4A>
<5A>

Table of Contents

Related product manuals